Клуб любителей китайских скутеров

Форум клуба любителей китайских скутеров

      
Текущее время: 17 Май 2026, 01:31

Часовой пояс: UTC + 3 часа


Правила форума


Правила форума

Если ваш вопрос касается неисправности вашего скутера, или у вас возникли затруднения с эксплуатацией, или тюнингом, предварительно укажите:
Модель и производителя скутера;
Модель двигателя;
Тактность двигателя и предположительный объём.
После этого, излагайте суть проблемы.
Не забывайте, название поста должно как можно ближе отражать суть проблемы.



Начать новую тему Ответить на тему  [ Сообщений: 28 ]  На страницу Пред.  1, 2
Автор Сообщение
 Заголовок сообщения: Re: 157qmj, на фары идет переменка. как постоянку сделать?
СообщениеДобавлено: 20 Jul 2011, 22:26 
Не в сети
Старожил
Старожил
Аватар пользователя

Зарегистрирован: 26 Май 2010, 18:55
Сообщений: 2203
Откуда: Край самоваров и пряников.
Поблагодарил: раз(а)
Поблагодарили: раз(а)
Скутер: нету
Стаж: end
Цитата:
Фару можно включить при неработающем двигателе (но при включенном зажигании).

У нас на Виндах так же!! :-x 8-)

_________________
На каждого Стефенсона с паровозом найдется Левша с блохами.


Вернуться наверх
 Профиль  
 
 Заголовок сообщения: Re: 157qmj, на фары идет переменка. как постоянку сделать?
СообщениеДобавлено: 20 Jul 2011, 22:49 
Не в сети
Старожил
Старожил

Зарегистрирован: 18 Jan 2009, 14:07
Сообщений: 7631
Откуда: 69 RUS
Поблагодарил: раз(а)
Поблагодарили: раз(а)
Медали: 6
За дальнобой 2-й степени. (1) За полезные и полные ответы. (1) За тех. помощь 1-й степени (1) За тех. помощь 2-й степени (1) За статью 1-й степени. (1)
Скутер: стелс лидер-50 2т (72 cc)
Стаж: 4
Чуть не пропустил тему :)
В общем при 4-х пиньковом РН, можно: отключить плюсовой выход с РН (красный провод), собрать диодный мост на 10-20 А например на кд 242, мост подключить на переменку (генератор), на + с моста вешаем красный провод отключенный от РН и туда же вешаем провод фар (питание правого пульта), минус с моста на массу (зеленый из проводки). НО провод от массы в генераторе надо отпаять, повесить на конец свой провод и подвести к мосту и корпусу РН ( 4 пин). 4 пин РН (зеленый провод идет только на генератор и мост), зеленый из проводки подключить на - моста. Ух, все :)

!
Мы , Парагвайская разведка, против подобных постов! Мы запутались:(((


Вернуться наверх
 Профиль  
 
 Заголовок сообщения: Re: 157qmj, на фары идет переменка. как постоянку сделать?
СообщениеДобавлено: 21 Jul 2011, 20:22 
Не в сети
Старожил
Старожил
Аватар пользователя

Зарегистрирован: 26 Май 2010, 18:55
Сообщений: 2203
Откуда: Край самоваров и пряников.
Поблагодарил: раз(а)
Поблагодарили: раз(а)
Скутер: нету
Стаж: end
Цитата:
Ух, все

Слава Богу *OK* ,что у нас в стоке!!! :-D

_________________
На каждого Стефенсона с паровозом найдется Левша с блохами.


Вернуться наверх
 Профиль  
 
 Заголовок сообщения: Re: 157qmj, на фары идет переменка. как постоянку сделать?
СообщениеДобавлено: 21 Jul 2011, 22:29 
Не в сети
Старожил
Старожил
Аватар пользователя

Зарегистрирован: 15 Sep 2009, 09:01
Сообщений: 1241
Откуда: масква
Поблагодарил: раз(а)
Поблагодарили: раз(а)
Медали: 1
За стайлинг (1)
Скутер: тайванец 263cc
Стаж: с 10 лет
funix писал(а):
Чуть не пропустил тему :)
В общем при 4-х пиньковом РН, можно: отключить плюсовой выход с РН (красный провод), собрать диодный мост на 10-20 А например на кд 242, мост подключить на переменку (генератор), на + с моста вешаем красный провод отключенный от РН и туда же вешаем провод фар (питание правого пульта), минус с моста на массу (зеленый из проводки). НО провод от массы в генераторе надо отпаять, повесить на конец свой провод и подвести к мосту и корпусу РН ( 4 пин). 4 пин РН (зеленый провод идет только на генератор и мост), зеленый из проводки подключить на - моста. Ух, все :)

извини за тупизну) что такое РН? и я главное не пойму, как при этой переделке будет жить та часть цепи, которая питает акум постоянкой? не крякнет ли она?
и еще раз спрошу- из диодного моста от авто гены можно выдрать диоды? у меня нету вобще никаких, в чип и дип лениво ехать...

Dj@gger ну там точно переменка). релюхи зудят, не работают, фары тока от движки светятся. а вот на микрочоппере 72сс (FMB) целиком постоянка. туда ксенон встал без вопросов, я даже и не подозревал что на 150сс такая дебильная электросхема.


Вернуться наверх
 Профиль  
 
 Заголовок сообщения: Re: 157qmj, на фары идет переменка. как постоянку сделать?
СообщениеДобавлено: 22 Jul 2011, 00:22 
Не в сети
Опытный
Опытный
Аватар пользователя

Зарегистрирован: 20 Nov 2009, 01:49
Сообщений: 758
Откуда: Воронеж
Поблагодарил: раз(а)
Поблагодарили: раз(а)
Скутер: spark 150cc
Стаж: следующий пошел
от авто подойдут...

_________________
не дрын-дын-дын-дынрррррр)
время алхимии с маслом и бензином прошло!


Вернуться наверх
 Профиль  
 
 Заголовок сообщения: Re: 157qmj, на фары идет переменка. как постоянку сделать?
СообщениеДобавлено: 22 Jul 2011, 00:45 
Не в сети
Старожил
Старожил
Аватар пользователя

Зарегистрирован: 03 Oct 2008, 22:46
Сообщений: 8022
Откуда: Киев
Поблагодарил: раз(а)
Поблагодарили: раз(а)
Медали: 4
За тех. помощь 1-й степени (1) За тех. помощь 2-й степени (1) За статью 1-й степени. (1) За вклад в развитие клуба (1)
Скутер: 180-т4 и 150-Т4;
Стаж: 30
Магнитчик На 150сс нормальная постоянка обычно. Это на твоем кто то "наноухавил". Лучше ставь диоды с драйверами(стабилизаторы тока) и не заморачивайся. Самое разумное решение. Все равно эти ксеноны долго ни у кого не ходят. Слишком высокое напряжение.

_________________
Теория,-все знают как, ничего не работает
Практика,-все работает, никто не знает почему
Соединяем,-"Теория+Практика",-Ничего не работает и никто не знает, почему.


Вернуться наверх
 Профиль  
 
 Заголовок сообщения: Re: 157qmj, на фары идет переменка. как постоянку сделать?
СообщениеДобавлено: 22 Jul 2011, 14:04 
Не в сети
Старожил
Старожил
Аватар пользователя

Зарегистрирован: 15 Sep 2009, 09:01
Сообщений: 1241
Откуда: масква
Поблагодарил: раз(а)
Поблагодарили: раз(а)
Медали: 1
За стайлинг (1)
Скутер: тайванец 263cc
Стаж: с 10 лет
Грант
понял, спасибо
Эпикуреец писал(а):
Магнитчик На 150сс нормальная постоянка обычно. Это на твоем кто то "наноухавил". Лучше ставь диоды с драйверами(стабилизаторы тока) и не заморачивайся. Самое разумное решение. Все равно эти ксеноны долго ни у кого не ходят. Слишком высокое напряжение.

диоды канешна правильное решение, но линзы УЖЕ вкрячены, причем вполне хорошие, не китай (как звучит то, в теме про китайский мопед=)).
диодный модуль тоже лежит, НО: во первых не ясно как из него ближний делать, во вторых фару опять расклеивать, потом крепеж городить, охлаждение.... это ж 2 - 3 заманчивых вечера. и не известно че получится. с ксеноном - все ясно, тока с питанием решить осталось. "слим" блоки к питанию лояльны. с 8-ми вольт мерцают, перезаряд вроде тоже переживают. попробую. но я не один такой с переменкой, тема даже есть про переделку на постоянку. Только сложновато мне, я не стану так делать)


Вернуться наверх
 Профиль  
 
 Заголовок сообщения: Re: 157qmj, на фары идет переменка. как постоянку сделать?
СообщениеДобавлено: 22 Jul 2011, 14:43 
Не в сети
Старожил
Старожил

Зарегистрирован: 18 Jan 2009, 14:07
Сообщений: 7631
Откуда: 69 RUS
Поблагодарил: раз(а)
Поблагодарили: раз(а)
Медали: 6
За дальнобой 2-й степени. (1) За полезные и полные ответы. (1) За тех. помощь 1-й степени (1) За тех. помощь 2-й степени (1) За статью 1-й степени. (1)
Скутер: стелс лидер-50 2т (72 cc)
Стаж: 4
Ну если сложно, то самое простое и на 50% эффективное это хотя бы сделать полноценную половину моста, установив диод от автогенератора корпусом на зеленый провод, контактом на красный прямо у регулятора. Что получится, не знаю, но плюс помощнее пойдет на АКБ, а фары (вход правого пульта соединить с красным проводом РН выходом +)
РН он же РР есть Регулятор Напряжения, русские так пишут.


Вернуться наверх
 Профиль  
 
 Заголовок сообщения: Re: 157qmj, на фары идет переменка. как постоянку сделать?
СообщениеДобавлено: 22 Jul 2011, 18:22 
Не в сети
Опытный
Опытный
Аватар пользователя

Зарегистрирован: 20 Nov 2009, 01:49
Сообщений: 758
Откуда: Воронеж
Поблагодарил: раз(а)
Поблагодарили: раз(а)
Скутер: spark 150cc
Стаж: следующий пошел
да,это действительно попроще,и может помочь!

_________________
не дрын-дын-дын-дынрррррр)
время алхимии с маслом и бензином прошло!


Вернуться наверх
 Профиль  
 
 Заголовок сообщения: Re: 157qmj, на фары идет переменка. как постоянку сделать?
СообщениеДобавлено: 22 Jul 2011, 19:27 
Не в сети
Старожил
Старожил

Зарегистрирован: 08 Jul 2009, 18:07
Сообщений: 3186
Откуда: Беларусь
Поблагодарил: раз(а)
Поблагодарили: раз(а)
Медали: 4
За полезные и полные ответы. (1) За тех. помощь 1-й степени (1) За тех. помощь 2-й степени (1) За вклад в развитие клуба (1)
Скутер: Hors 154\ 157QMJ\RC125T-9X\152QMJ
А поискать в торговле подобное....
Вложение:
Безымянный1.JPG
Безымянный1.JPG [ 51.33 KiB | Просмотров: 3438 ]

_________________
„Изучай правила, чтобы знать, как правильно их нарушить.“
„Мир несовершенен, поскольку мы несовершенны.“


Вернуться наверх
 Профиль  
 
 Заголовок сообщения: Re: 157qmj, на фары идет переменка. как постоянку сделать?
СообщениеДобавлено: 22 Jul 2011, 22:09 
Не в сети
Старожил
Старожил

Зарегистрирован: 18 Jan 2009, 14:07
Сообщений: 7631
Откуда: 69 RUS
Поблагодарил: раз(а)
Поблагодарили: раз(а)
Медали: 6
За дальнобой 2-й степени. (1) За полезные и полные ответы. (1) За тех. помощь 1-й степени (1) За тех. помощь 2-й степени (1) За статью 1-й степени. (1)
Скутер: стелс лидер-50 2т (72 cc)
Стаж: 4
Дело не в торговле , а в том что автору влом провод на гене отпаивать, а без этого мост на половину работать будет. Так-что проще диод поставить, к тому же авто-генератор завалялся.


Вернуться наверх
 Профиль  
 
 Заголовок сообщения: Re: 157qmj, на фары идет переменка. как постоянку сделать?
СообщениеДобавлено: 22 Jul 2011, 22:43 
Не в сети
Старожил
Старожил
Аватар пользователя

Зарегистрирован: 03 Oct 2008, 22:46
Сообщений: 8022
Откуда: Киев
Поблагодарил: раз(а)
Поблагодарили: раз(а)
Медали: 4
За тех. помощь 1-й степени (1) За тех. помощь 2-й степени (1) За статью 1-й степени. (1) За вклад в развитие клуба (1)
Скутер: 180-т4 и 150-Т4;
Стаж: 30
funixТы каким то ЗАСОМ пишешь.
Объясни, что такое "плюс помощнее пойдет" как пойдет, куда? Что за автогенератор и где он завалялся? Как изображается "половина моста". Вообще желательно рисунок, а то я просто не понимаю о чем речь. Какие то провода, что то соединить и пр....
Кстати у нас не РР и не РН , у нас РВ-регулятор выпрямитель.

_________________
Теория,-все знают как, ничего не работает
Практика,-все работает, никто не знает почему
Соединяем,-"Теория+Практика",-Ничего не работает и никто не знает, почему.


Вернуться наверх
 Профиль  
 
 Заголовок сообщения: Re: 157qmj, на фары идет переменка. как постоянку сделать?
СообщениеДобавлено: 23 Jul 2011, 09:07 
Не в сети
Старожил
Старожил

Зарегистрирован: 18 Jan 2009, 14:07
Сообщений: 7631
Откуда: 69 RUS
Поблагодарил: раз(а)
Поблагодарили: раз(а)
Медали: 6
За дальнобой 2-й степени. (1) За полезные и полные ответы. (1) За тех. помощь 1-й степени (1) За тех. помощь 2-й степени (1) За статью 1-й степени. (1)
Скутер: стелс лидер-50 2т (72 cc)
Стаж: 4
Кому надо поняли :) , тебе не понять у тебя 150-ка, а речь о полтосной схеме, где постаянка идет лишь для заряда АКБ, грубо на АКБ идет только 25% мощности генератора по сравнению со 150-кой, добавив диод теоритически получим 50% мощности генератора, а поставив РВ от 150-и все 100%, но нужно провод в гене с массы оторвать и подать на РВ прямиком, но автору влом.
Вобще то чтоб быть в теме нужно прочитать хотябы предыдущую страничку. :)

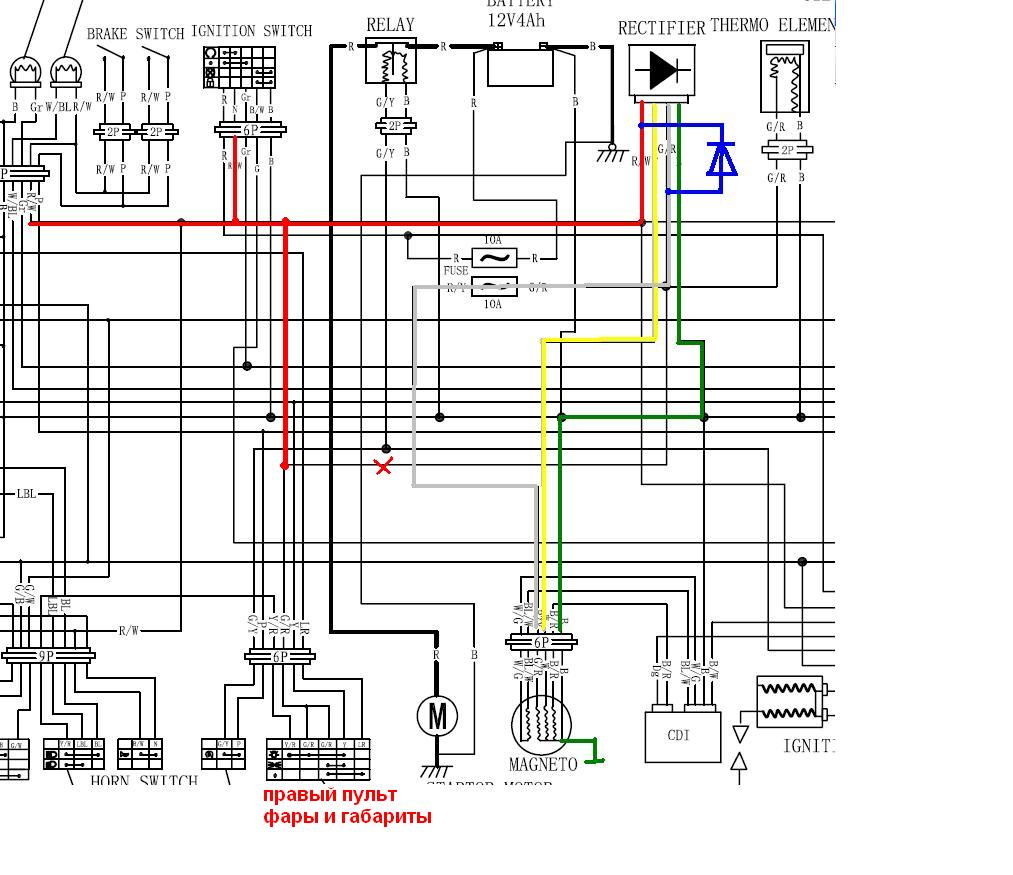
Вот собственно схема такой доработки (только регулятора), на гену не смотрите неправильно нарисовали, цвета проводов указаны для 139 движка.
Вложение:
эл.JPG
эл.JPG [ 130.97 KiB | Просмотров: 3417 ]


Серый на схеме есть белый в реале, на счет желтого и белого спорный вопрос, я считаю что переменка - белый (тогда на 2т тоже так же получится и подключение )


Вернуться наверх
 Профиль  
 
Показать сообщения за:  Сортировать по:  
Начать новую тему Ответить на тему  [ Сообщений: 28 ]  На страницу Пред.  1, 2

Часовой пояс: UTC + 3 часа


Кто сейчас на форуме

Сейчас этот форум просматривают: нет зарегистрированных пользователей и гости: 11


Вы не можете начинать темы
Вы не можете отвечать на сообщения
Вы не можете редактировать свои сообщения
Вы не можете удалять свои сообщения
Вы не можете добавлять вложения

Перейти:  
Powered by phpBB © phpBB Group
china-scooter.ru © 2006-2019