Клуб любителей китайских скутеров

Форум клуба любителей китайских скутеров

      
Текущее время: 23 Apr 2026, 08:23

Часовой пояс: UTC + 3 часа


Правила форума


Посмотреть правила форума



Начать новую тему Ответить на тему  [ Сообщений: 32 ]  На страницу Пред.  1, 2, 3  След.
Автор Сообщение
 Заголовок сообщения: Re: На РР только один провод от генератора. От чего подойдёт
СообщениеДобавлено: 31 Aug 2016, 23:33 
Не в сети
Интересующийся
Интересующийся

Зарегистрирован: 02 Oct 2011, 17:26
Сообщений: 22
Поблагодарил: раз(а)
Поблагодарили: раз(а)
Скутер: Нету
Прозвонил - все три провода кроме синего звонятся между друг-другом и рамой мопеда. Чего теперь делать?


Вернуться наверх
 Профиль  
 
 Заголовок сообщения: Re: На РР только один провод от генератора. От чего подойдёт
СообщениеДобавлено: 01 Sep 2016, 07:34 
Не в сети
Старожил
Старожил

Зарегистрирован: 18 Jan 2009, 14:07
Сообщений: 7631
Откуда: 69 RUS
Поблагодарил: раз(а)
Поблагодарили: раз(а)
Медали: 6
За дальнобой 2-й степени. (1) За полезные и полные ответы. (1) За тех. помощь 1-й степени (1) За тех. помощь 2-й степени (1) За статью 1-й степени. (1)
Скутер: стелс лидер-50 2т (72 cc)
Стаж: 4
Уже не по схеме. Звонить еще раз и гадать по сопротивлениям.
Какие цвета проводов реально выходят с генератора? Синий датчик как я понял (хотя такое только на 4т). Сине-белого и зелено-белого как на всех 2т стелсах нет? Красно-черного точно нет????
Нарисуй что есть.


Вернуться наверх
 Профиль  
 
 Заголовок сообщения: Re: На РР только один провод от генератора. От чего подойдёт
СообщениеДобавлено: 01 Sep 2016, 10:36 
Не в сети
Интересующийся
Интересующийся

Зарегистрирован: 02 Oct 2011, 17:26
Сообщений: 22
Поблагодарил: раз(а)
Поблагодарили: раз(а)
Скутер: Нету
Из генератора как на фотке на предыдущей странице выходят 4-е провода. Сине-белый - единственный, который ни с кем не звонится, скорее всего это датчик. И еще три провода - коричневый, белый и черный. Сопротивления померяю сегодня вечером - сейчас на работу тороплюсь.


Вернуться наверх
 Профиль  
 
 Заголовок сообщения: Re: На РР только один провод от генератора. От чего подойдёт
СообщениеДобавлено: 01 Sep 2016, 20:18 
Не в сети
Интересующийся
Интересующийся

Зарегистрирован: 02 Oct 2011, 17:26
Сообщений: 22
Поблагодарил: раз(а)
Поблагодарили: раз(а)
Скутер: Нету
Померял сопротивление: между белым и коричневым - 2,5; белый - чёрный - 1,5; коричневый-черный - 1,4. Между бело-синим у всех дофига получается.


Вернуться наверх
 Профиль  
 
 Заголовок сообщения: Re: На РР только один провод от генератора. От чего подойдёт
СообщениеДобавлено: 01 Sep 2016, 21:21 
Не в сети
Старожил
Старожил

Зарегистрирован: 18 Jan 2009, 14:07
Сообщений: 7631
Откуда: 69 RUS
Поблагодарил: раз(а)
Поблагодарили: раз(а)
Медали: 6
За дальнобой 2-й степени. (1) За полезные и полные ответы. (1) За тех. помощь 1-й степени (1) За тех. помощь 2-й степени (1) За статью 1-й степени. (1)
Скутер: стелс лидер-50 2т (72 cc)
Стаж: 4
Я в ступоре *DONT_KNOW* , поищу схемку, может что пойму.
Вот схема из другой темы, аналогичная твоей http://www.china-scooter.ru/forum/download/file.php?id=27291&mode=view
Вот тема, где косяки и результат подключения полтосного РН.http://www.china-scooter.ru/forum/viewtopic.php?t=33284&p=502011

То что я понял из схемы:
Генератор
Черный - корпус, белый выход переменки на РН
Сине-белый --- датчик
зелено-белого как на схеме нет, но есть коричневый возможно 2-й датчика.
РН
свой особый собственный и никакой другой
черный и белый вход с генератора (переменка), красный + в сеть скутера, розовый прямой выход на габариты (похоже они не выключаемые, а сразу горят с запуском двигателя или с включением зажигания), может быть как + так и переменка.
Коммутатор
DC CDI постоянного тока, питание от АКБ и + с РН (красно-белый) причем питание берется после замка, а с РН зарядка приходит до замка (чтоб ключем можно было глушить)

Варианты:
1 искать свой РН так как другие правильно работать не будут.
2 поскольку силовая обмотка одним концом подключена на корпус, полноценного выпрямительного моста в РН нет, если РН убрать, а белый соединить с красным через диод 10А и более (кд 242 и больше) анодом к плюсу сети, то будет идти нерегулируемый ослабленный заряд на АКБ как на полтосах и АКБ - баласт (выравнивает напряжение в сети) лампочки сгорать не будут (в теории). Габариты придется переделать на выключатель или подключить на + после замка (на красно-белый провод)
3 разобраться в генераторе, отключить черный от корпуса, чтоб белый и черный на корпус не звонились, поставить РН от 150-и
Черный и белый с генератора на желтый и белый РН (в других РН на желтые, на желтый и розовый), красный с РН на красный сети, габариты (розовый) опять же переделывать как описано в 2.
Примерно так.


Вернуться наверх
 Профиль  
 
 Заголовок сообщения: Re: На РР только один провод от генератора. От чего подойдёт
СообщениеДобавлено: 03 Sep 2016, 12:23 
Не в сети
Интересующийся
Интересующийся

Зарегистрирован: 02 Oct 2011, 17:26
Сообщений: 22
Поблагодарил: раз(а)
Поблагодарили: раз(а)
Скутер: Нету
funix писал(а):
Я в ступоре *DONT_KNOW* , поищу схемку, может что пойму.
Вот схема из другой темы, аналогичная твоей http://www.china-scooter.ru/forum/download/file.php?id=27291&mode=view
Вот тема, где косяки и результат подключения полтосного РН.http://www.china-scooter.ru/forum/viewtopic.php?t=33284&p=502011

То что я понял из схемы:
Генератор
Черный - корпус, белый выход переменки на РН
Сине-белый --- датчик
зелено-белого как на схеме нет, но есть коричневый возможно 2-й датчика.
РН
свой особый собственный и никакой другой
черный и белый вход с генератора (переменка), красный + в сеть скутера, розовый прямой выход на габариты (похоже они не выключаемые, а сразу горят с запуском двигателя или с включением зажигания), может быть как + так и переменка.
Коммутатор
DC CDI постоянного тока, питание от АКБ и + с РН (красно-белый) причем питание берется после замка, а с РН зарядка приходит до замка (чтоб ключем можно было глушить)

Варианты:
1 искать свой РН так как другие правильно работать не будут.
2 поскольку силовая обмотка одним концом подключена на корпус, полноценного выпрямительного моста в РН нет, если РН убрать, а белый соединить с красным через диод 10А и более (кд 242 и больше) анодом к плюсу сети, то будет идти нерегулируемый ослабленный заряд на АКБ как на полтосах и АКБ - баласт (выравнивает напряжение в сети) лампочки сгорать не будут (в теории). Габариты придется переделать на выключатель или подключить на + после замка (на красно-белый провод)
3 разобраться в генераторе, отключить черный от корпуса, чтоб белый и черный на корпус не звонились, поставить РН от 150-и
Черный и белый с генератора на желтый и белый РН (в других РН на желтые, на желтый и розовый), красный с РН на красный сети, габариты (розовый) опять же переделывать как описано в 2.
Примерно так.

Все это похоже на правду, кроме одного. CDI все же похоже питается от переменки, т.к. читал, что мопед ездит без аккумулятора (сам не проверял пока), а, во-вторых, я вчера ехал вечером по городу (изначально это не планировалось) и чтобы меня хоть как-то было видно был вынужден поставить перемычку в блоке предохранителей между переменкой и постоянкой (почти вся электрика начала питаться от контура с аккумом), естественно эта цепь на такую нагрузку не расчитана и через час езды в таком режиме, аккум сильно подсел и напряжение в сети было порядка 6В (у меня стоит вольтметр на приборке), подозреваю, что если бы CDI работало от аккума, то ему уже перестало бы хватать напряжения на искру. Сегодня попробую подразобрать жгут проводки и лично посмотреть чего куда идет, ну и завести без аккума попробую.


Вернуться наверх
 Профиль  
 
 Заголовок сообщения: Re: На РР только один провод от генератора. От чего подойдёт
СообщениеДобавлено: 03 Sep 2016, 19:51 
Не в сети
Интересующийся
Интересующийся

Зарегистрирован: 02 Oct 2011, 17:26
Сообщений: 22
Поблагодарил: раз(а)
Поблагодарили: раз(а)
Скутер: Нету
Итак отчет о проделанной работе :) .
возвращаемся к началу. Из генератора на регулятор приходит только один провод с электричеством - белый, на нём переменка. Черный - масса, бело-голубой идет напрямую в CDI, серый оказался датчиком нейтрали и идет на реле стартера. Мопед заводится со снятым аккумулятором, с отключенным регулятором - нет. Очень хочется снять ротор генератора, чтобы посмотреть на катушки, но съемника нет.


Вернуться наверх
 Профиль  
 
 Заголовок сообщения: Re: На РР только один провод от генератора. От чего подойдёт
СообщениеДобавлено: 03 Sep 2016, 20:12 
Не в сети
Старожил
Старожил

Зарегистрирован: 18 Jan 2009, 14:07
Сообщений: 7631
Откуда: 69 RUS
Поблагодарил: раз(а)
Поблагодарили: раз(а)
Медали: 6
За дальнобой 2-й степени. (1) За полезные и полные ответы. (1) За тех. помощь 1-й степени (1) За тех. помощь 2-й степени (1) За статью 1-й степени. (1)
Скутер: стелс лидер-50 2т (72 cc)
Стаж: 4
А вроде как у вас статор на крышке прикручен и съемник для ротора не нужен ли я с чем то перепутал!?


Вернуться наверх
 Профиль  
 
 Заголовок сообщения: Re: На РР только один провод от генератора. От чего подойдёт
СообщениеДобавлено: 03 Sep 2016, 20:38 
Не в сети
Интересующийся
Интересующийся

Зарегистрирован: 02 Oct 2011, 17:26
Сообщений: 22
Поблагодарил: раз(а)
Поблагодарили: раз(а)
Скутер: Нету
funix писал(а):
А вроде как у вас статор на крышке прикручен и съемник для ротора не нужен ли я с чем то перепутал!?

Не, перепутал, у нас съёмник точно нужен, причем в зависимости от года выпуска разный съемники идут.
Нашел крупную фотку статора, но т.к. до этого дел с ними не имел, то понять как катушки связаны между собой и с проводами - не могу. На фотке не очень хорошая цветопередача, слева - белый провод, справа чёрный:
http://www.motochasty.ru/index.php?s=be ... ost&id=959


Вернуться наверх
 Профиль  
 
СообщениеСообщение было удалено | удалил: funix | 08 Sep 2016, 09:12.
Причина: le,km
 Заголовок сообщения: Re: На РР только один провод от генератора. От чего подойдёт
СообщениеДобавлено: 08 Sep 2016, 09:11 
Не в сети
Старожил
Старожил

Зарегистрирован: 18 Jan 2009, 14:07
Сообщений: 7631
Откуда: 69 RUS
Поблагодарил: раз(а)
Поблагодарили: раз(а)
Медали: 6
За дальнобой 2-й степени. (1) За полезные и полные ответы. (1) За тех. помощь 1-й степени (1) За тех. помощь 2-й степени (1) За статью 1-й степени. (1)
Скутер: стелс лидер-50 2т (72 cc)
Стаж: 4
Там в мануалах хорс книжку по твоему выкладывал, на английском, но подписи и таблицы понять можно, там есть схемы зажигания и освещения, сопротивления генератора и РН, как что проверять. Качай.
http://www.china-scooter.ru/forum/viewtopic.php?f=111&t=7482&p=573267#p573267


Вернуться наверх
 Профиль  
 
 Заголовок сообщения: Re: На РР только один провод от генератора. От чего подойдёт
СообщениеДобавлено: 09 Sep 2016, 00:15 
Не в сети
Интересующийся
Интересующийся

Зарегистрирован: 02 Oct 2011, 17:26
Сообщений: 22
Поблагодарил: раз(а)
Поблагодарили: раз(а)
Скутер: Нету
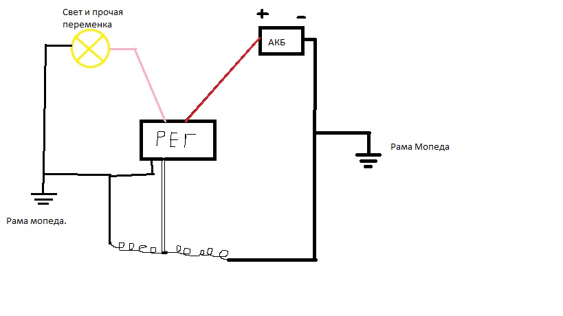
Если я правильно прочитал, то что там написано, то похоже, что схема работы электрики выглядит так (серый провод на схеме - это на самом деле белый):
Вложение:
ShemaGeni.jpg
ShemaGeni.jpg [ 31.25 KiB | Просмотров: 5826 ]

Мерять сопротивления по мануалу вроде как не имеет смысла т.к. генератор на 99% исправен, а регулятор не родной.
P.S.: Да - я аццкий художник :) .


Вернуться наверх
 Профиль  
 
 Заголовок сообщения: Re: На РР только один провод от генератора. От чего подойдёт
СообщениеДобавлено: 09 Sep 2016, 07:57 
Не в сети
Старожил
Старожил

Зарегистрирован: 18 Jan 2009, 14:07
Сообщений: 7631
Откуда: 69 RUS
Поблагодарил: раз(а)
Поблагодарили: раз(а)
Медали: 6
За дальнобой 2-й степени. (1) За полезные и полные ответы. (1) За тех. помощь 1-й степени (1) За тех. помощь 2-й степени (1) За статью 1-й степени. (1)
Скутер: стелс лидер-50 2т (72 cc)
Стаж: 4
Левое плечо спирали надо исключить и на габариты переменка или постоянка неизвестно.


Вернуться наверх
 Профиль  
 
 Заголовок сообщения: Re: На РР только один провод от генератора. От чего подойдёт
СообщениеДобавлено: 09 Sep 2016, 09:41 
Не в сети
Интересующийся
Интересующийся

Зарегистрирован: 02 Oct 2011, 17:26
Сообщений: 22
Поблагодарил: раз(а)
Поблагодарили: раз(а)
Скутер: Нету
funix писал(а):
Левое плечо спирали надо исключить и на габариты переменка или постоянка неизвестно.

Почему левое плечо надо исключить? По-моему как раз по такой схеме все логично получается. Просто у большинства мопедов на реле и свет идёт плюсовой конец катушки, а у меня получается минусовой.


Вернуться наверх
 Профиль  
 
 Заголовок сообщения: Re: На РР только один провод от генератора. От чего подойдёт
СообщениеДобавлено: 09 Sep 2016, 09:51 
Не в сети
Старожил
Старожил

Зарегистрирован: 18 Jan 2009, 14:07
Сообщений: 7631
Откуда: 69 RUS
Поблагодарил: раз(а)
Поблагодарили: раз(а)
Медали: 6
За дальнобой 2-й степени. (1) За полезные и полные ответы. (1) За тех. помощь 1-й степени (1) За тех. помощь 2-й степени (1) За статью 1-й степени. (1)
Скутер: стелс лидер-50 2т (72 cc)
Стаж: 4
у тебя на схеме вышло 2 параллельных катушки, по факту одна.
И плюса минуса с твоей катушки не идет, идет переменка (+-+-+-+-+-+-)
Вложение:
12.JPG
12.JPG [ 22.58 KiB | Просмотров: 5810 ]


Вернуться наверх
 Профиль  
 
Показать сообщения за:  Сортировать по:  
Начать новую тему Ответить на тему  [ Сообщений: 32 ]  На страницу Пред.  1, 2, 3  След.

Часовой пояс: UTC + 3 часа


Кто сейчас на форуме

Сейчас этот форум просматривают: нет зарегистрированных пользователей и гости: 17


Вы не можете начинать темы
Вы не можете отвечать на сообщения
Вы не можете редактировать свои сообщения
Вы не можете удалять свои сообщения
Вы не можете добавлять вложения

Перейти:  
cron
Powered by phpBB © phpBB Group
china-scooter.ru © 2006-2019