Клуб любителей китайских скутеров

Форум клуба любителей китайских скутеров

      
Текущее время: 21 Mar 2026, 05:02

Часовой пояс: UTC + 3 часа


Правила форума


Посмотреть правила форума



Начать новую тему Ответить на тему  [ Сообщений: 60 ]  На страницу Пред.  1, 2, 3, 4
Автор Сообщение
 Заголовок сообщения: Re: не работает зажигание с брелка -сигнализация -
СообщениеДобавлено: 30 Apr 2011, 21:38 
Не в сети
Гуру 2-х тактников
Аватар пользователя

Зарегистрирован: 17 Sep 2009, 18:37
Сообщений: 1862
Откуда: Бердянск, Украина
Поблагодарил: раз(а)
Поблагодарили: раз(а)
Медали: 5
За полезные и полные ответы. (1) За тех. помощь 1-й степени (1) За тех. помощь 2-й степени (1) За вклад в развитие клуба (1) За инновации (1)
Скутер: МанюнЯ
Стаж: 1 год 11 месяцев
kosta_kit
это ты привел схему пиатния от кнопки на руле. А спрашивал то насчёт запуска с брелка.

_________________
Приди, Приди, Печенько!


Вернуться наверх
 Профиль  
 
 Заголовок сообщения: Re: не работает зажигание с брелка -сигнализация -
СообщениеДобавлено: 30 Apr 2011, 21:41 
Не в сети
Гуру ремонта
Гуру ремонта
Аватар пользователя

Зарегистрирован: 20 Mar 2009, 23:12
Сообщений: 19841
Откуда: Бронницы
Поблагодарил: раз(а)
Поблагодарили: раз(а)
Медали: 4
За полезные и полные ответы. (1) За тех. помощь 1-й степени (1) За тех. помощь 2-й степени (1) За вклад в развитие клуба (1)
Скутер: Irbis Nirvana 150 уже 175сс
Стаж: Мото 21,скутер 4года
kosta_kit писал(а):
такого не может быть. По схеме реле питается от кнопки стартера и от концевиков в ручках тормозов. Но не через лампочки. И каков смысл подавать через лампочки? И светит плохо и реле плохо срабатывает (смотреть надо соотношения сопротивлений лампочки в полурабочем состоянии и реле)

Не пробовал читать что написано ранее?
Посмотри, как сигналка запитываетреле стартера.
Минусом для реле, в этом случае, является минус лампы стоп-сигнала.
Тоесть ток течет от сингалки к массе через реле и лампочку.
У светодиодов очень высокое сопротивление, соответственно ток протекающий через диды - мизерый, и реле не хватает мощности для срабатывания.

_________________
Попытка прочесть книгу, не открыв её - обречена на провал.


Вернуться наверх
 Профиль  
 
 Заголовок сообщения: Re: не работает зажигание с брелка -сигнализация -
СообщениеДобавлено: 01 Май 2011, 13:57 
Не в сети
Старожил
Старожил
Аватар пользователя

Зарегистрирован: 03 Oct 2008, 22:46
Сообщений: 8023
Откуда: Киев
Поблагодарил: раз(а)
Поблагодарили: раз(а)
Медали: 4
За тех. помощь 1-й степени (1) За тех. помощь 2-й степени (1) За статью 1-й степени. (1) За вклад в развитие клуба (1)
Скутер: 180-т4 и 150-Т4;
Стаж: 30
Собственно я сказал то же самое.

_________________
Теория,-все знают как, ничего не работает
Практика,-все работает, никто не знает почему
Соединяем,-"Теория+Практика",-Ничего не работает и никто не знает, почему.


Вернуться наверх
 Профиль  
 
 Заголовок сообщения: Re: не работает зажигание с брелка -сигнализация -
СообщениеДобавлено: 01 Май 2011, 16:55 
Не в сети
Новичок
Новичок

Зарегистрирован: 01 Jan 2009, 15:36
Сообщений: 69
Откуда: Харьков
Поблагодарил: раз(а)
Поблагодарили: раз(а)
Скутер: Kanuni Glide 139QMB 50cc
Стаж: 1
Я понял, как это работает, но зачем так делать? Наверное, чтобы такую сему проводки не переделывать
Вложение:
схема электрики русская.jpg
схема электрики русская.jpg [ 203.51 KiB | Просмотров: 8578 ]
?

По идее при установке на такую проводку сигналки надо изменить схему. Позже выложу. у меня на работе есть рисунок.

А через лампочку запитывать реле - это схемотехнически неправильно. ИМХО.


Вернуться наверх
 Профиль  
 
 Заголовок сообщения: Re: не работает зажигание с брелка -сигнализация -
СообщениеДобавлено: 01 Май 2011, 17:27 
Не в сети
Гуру 2-х тактников
Аватар пользователя

Зарегистрирован: 17 Sep 2009, 18:37
Сообщений: 1862
Откуда: Бердянск, Украина
Поблагодарил: раз(а)
Поблагодарили: раз(а)
Медали: 5
За полезные и полные ответы. (1) За тех. помощь 1-й степени (1) За тех. помощь 2-й степени (1) За вклад в развитие клуба (1) За инновации (1)
Скутер: МанюнЯ
Стаж: 1 год 11 месяцев
kosta_kit писал(а):
А через лампочку запитывать реле - японцы дураки. ИМХО.

_________________
Приди, Приди, Печенько!


Вернуться наверх
 Профиль  
 
 Заголовок сообщения: Re: не работает зажигание с брелка -сигнализация -
СообщениеДобавлено: 01 Май 2011, 23:20 
Не в сети
Новичок
Новичок

Зарегистрирован: 01 Jan 2009, 15:36
Сообщений: 69
Откуда: Харьков
Поблагодарил: раз(а)
Поблагодарили: раз(а)
Скутер: Kanuni Glide 139QMB 50cc
Стаж: 1
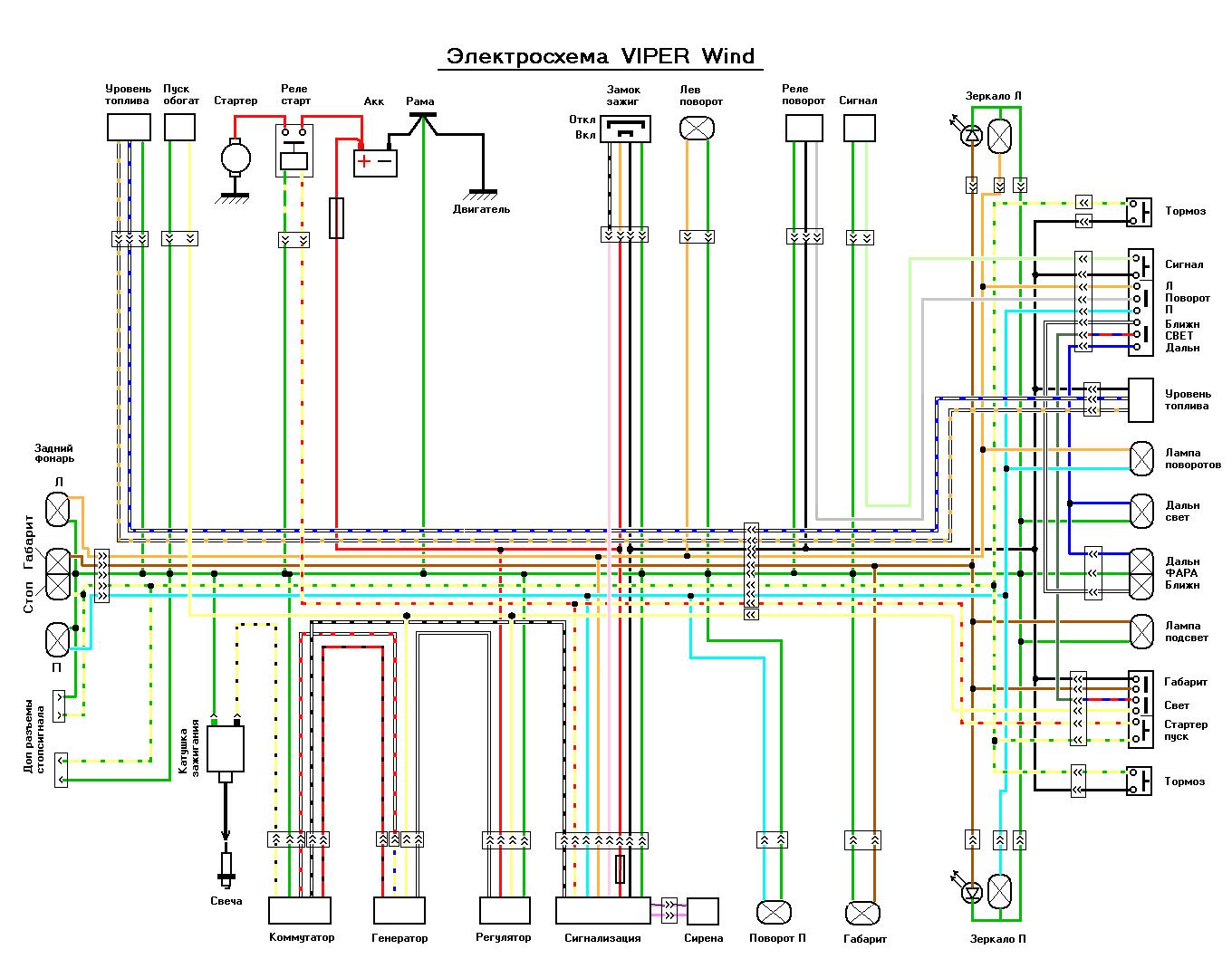
а вот стандартная схема скутера с сигнализацией

Вложение:
Схема скутера c сигой.JPG
Схема скутера c сигой.JPG [ 208.85 KiB | Просмотров: 8573 ]


здесь питание на релюху стартера идет не через лампочку. Обратите внимание, сигнализация при дистанционном запуске соединяет красный и черный провод в обход замка. А питание релюхи через лампочку - результат установки сигнализации на скутер без переделки подачи питания на реле стартер.

З.Ы. Если есть стандартная схема где подается питание релюхи через лампочку, сбросьте пожалуйста, интересно поглядеть.


Вернуться наверх
 Профиль  
 
 Заголовок сообщения: Re: не работает зажигание с брелка -сигнализация -
СообщениеДобавлено: 02 Май 2011, 03:26 
Не в сети
Старожил
Старожил
Аватар пользователя

Зарегистрирован: 03 Oct 2008, 22:46
Сообщений: 8023
Откуда: Киев
Поблагодарил: раз(а)
Поблагодарили: раз(а)
Медали: 4
За тех. помощь 1-й степени (1) За тех. помощь 2-й степени (1) За статью 1-й степени. (1) За вклад в развитие клуба (1)
Скутер: 180-т4 и 150-Т4;
Стаж: 30
kosta_kit
Нет такой схемы. Реле , о котором идет речь находится внутри сигналки. Обрати внимание, что скутеры заводятся при нажатом тормозе. С сигналки ,-при ненажатом. Запустить стартер, нужно реле. Если тормоз нажат, а реле не работает, отпустил, работает,- чего ещё глядеть? И так понятно по моему, что он в цепи питания участвует.

_________________
Теория,-все знают как, ничего не работает
Практика,-все работает, никто не знает почему
Соединяем,-"Теория+Практика",-Ничего не работает и никто не знает, почему.


Вернуться наверх
 Профиль  
 
 Заголовок сообщения: Re: не работает зажигание с брелка -сигнализация -
СообщениеДобавлено: 02 Май 2011, 09:54 
Не в сети
Гуру ремонта
Гуру ремонта
Аватар пользователя

Зарегистрирован: 20 Mar 2009, 23:12
Сообщений: 19841
Откуда: Бронницы
Поблагодарил: раз(а)
Поблагодарили: раз(а)
Медали: 4
За полезные и полные ответы. (1) За тех. помощь 1-й степени (1) За тех. помощь 2-й степени (1) За вклад в развитие клуба (1)
Скутер: Irbis Nirvana 150 уже 175сс
Стаж: Мото 21,скутер 4года
kosta_kit
Схему сам рисовал? :-D

_________________
Попытка прочесть книгу, не открыв её - обречена на провал.


Вернуться наверх
 Профиль  
 
 Заголовок сообщения: Re: не работает зажигание с брелка -сигнализация -
СообщениеДобавлено: 02 Май 2011, 13:10 
Не в сети
Новичок
Новичок

Зарегистрирован: 01 Jan 2009, 15:36
Сообщений: 69
Откуда: Харьков
Поблагодарил: раз(а)
Поблагодарили: раз(а)
Скутер: Kanuni Glide 139QMB 50cc
Стаж: 1
GRO писал(а):
kosta_kit
Схему сам рисовал? :-D


В смысле?

По поводу релюхи через лампочку - до сих пор не понимаю в чем смысл?


Вернуться наверх
 Профиль  
 
 Заголовок сообщения: Re: не работает зажигание с брелка -сигнализация -
СообщениеДобавлено: 02 Май 2011, 20:42 
Не в сети
Гуру ремонта
Гуру ремонта
Аватар пользователя

Зарегистрирован: 20 Mar 2009, 23:12
Сообщений: 19841
Откуда: Бронницы
Поблагодарил: раз(а)
Поблагодарили: раз(а)
Медали: 4
За полезные и полные ответы. (1) За тех. помощь 1-й степени (1) За тех. помощь 2-й степени (1) За вклад в развитие клуба (1)
Скутер: Irbis Nirvana 150 уже 175сс
Стаж: Мото 21,скутер 4года
kosta_kit
В смысле:
viewtopic.php?f=3&t=15007
Изображение
Кнопка стартера подаёт минус на реле стартера.
Плюс на реле идёт с концевиков топ-сигнала.
А в твоей "схеме", минус на реле стартера постоянный.

_________________
Попытка прочесть книгу, не открыв её - обречена на провал.


Вернуться наверх
 Профиль  
 
 Заголовок сообщения: Re: не работает зажигание с брелка -сигнализация -
СообщениеДобавлено: 02 Май 2011, 22:45 
Не в сети
Новичок
Новичок

Зарегистрирован: 01 Jan 2009, 15:36
Сообщений: 69
Откуда: Харьков
Поблагодарил: раз(а)
Поблагодарили: раз(а)
Скутер: Kanuni Glide 139QMB 50cc
Стаж: 1
GRO писал(а):
kosta_kit
В смысле:
http://www.china-scooter.ru/forum/viewt ... =3&t=15007
Изображение
Кнопка стартера подаёт минус на реле стартера.
Плюс на реле идёт с концевиков топ-сигнала.
А в твоей "схеме", минус на реле стартера постоянный.


У меня в скуте именно так, минус постоянно. Как в схеме, что я привел выше с сигнализацией. Нашел где -то в инете схему эту.


Вернуться наверх
 Профиль  
 
 Заголовок сообщения: Re: не работает зажигание с брелка -сигнализация -
СообщениеДобавлено: 03 Май 2011, 06:19 
Не в сети
Гуру ремонта
Гуру ремонта
Аватар пользователя

Зарегистрирован: 20 Mar 2009, 23:12
Сообщений: 19841
Откуда: Бронницы
Поблагодарил: раз(а)
Поблагодарили: раз(а)
Медали: 4
За полезные и полные ответы. (1) За тех. помощь 1-й степени (1) За тех. помощь 2-й степени (1) За вклад в развитие клуба (1)
Скутер: Irbis Nirvana 150 уже 175сс
Стаж: Мото 21,скутер 4года
kosta_kit
Тоесть при запуске ты на тормоза не нажимаешь?

_________________
Попытка прочесть книгу, не открыв её - обречена на провал.


Вернуться наверх
 Профиль  
 
 Заголовок сообщения: Re: не работает зажигание с брелка -сигнализация -
СообщениеДобавлено: 03 Май 2011, 22:20 
Не в сети
Новичок
Новичок

Зарегистрирован: 01 Jan 2009, 15:36
Сообщений: 69
Откуда: Харьков
Поблагодарил: раз(а)
Поблагодарили: раз(а)
Скутер: Kanuni Glide 139QMB 50cc
Стаж: 1
Нажимаю тормоз. Посмотри внимательно на схему, что я привел с сигой.

минус на реле стартера постоянно, + поступает по цепи: Акк -> замок (красный провод)-> замок (черный провод) -> концевик тормоза -> отсюда провод распараллеливается:

1. -> лампа тормоза

2. -> кнопка стартера -> реле стартера плюсовой контакт.

Из схемы видно, что пока не нажмем тормоз не будет напряжения +12 вольт на кнопке стартера.

Интересно, что если во время дистанционного включения стартера нажать кнопку стартера должна засветиться лампа тормоза.


Вернуться наверх
 Профиль  
 
 Заголовок сообщения: Re: не работает зажигание с брелка -сигнализация -
СообщениеДобавлено: 03 Май 2011, 22:24 
Не в сети
Гуру 2-х тактников
Аватар пользователя

Зарегистрирован: 17 Sep 2009, 18:37
Сообщений: 1862
Откуда: Бердянск, Украина
Поблагодарил: раз(а)
Поблагодарили: раз(а)
Медали: 5
За полезные и полные ответы. (1) За тех. помощь 1-й степени (1) За тех. помощь 2-й степени (1) За вклад в развитие клуба (1) За инновации (1)
Скутер: МанюнЯ
Стаж: 1 год 11 месяцев
kosta_kit
сразу видно, сам рисовал :-D
Гро привел стандартную схему скута с сигой и без. минус на реле идет через кнопку, плюс через тормоз.

_________________
Приди, Приди, Печенько!


Вернуться наверх
 Профиль  
 
СообщениеСообщение было удалено | удалил: GRO | 15 Май 2011, 19:37.
Причина: бред
Показать сообщения за:  Сортировать по:  
Начать новую тему Ответить на тему  [ Сообщений: 60 ]  На страницу Пред.  1, 2, 3, 4

Часовой пояс: UTC + 3 часа


Кто сейчас на форуме

Сейчас этот форум просматривают: нет зарегистрированных пользователей и гости: 8


Вы не можете начинать темы
Вы не можете отвечать на сообщения
Вы не можете редактировать свои сообщения
Вы не можете удалять свои сообщения
Вы не можете добавлять вложения

Перейти:  
cron
Powered by phpBB © phpBB Group
china-scooter.ru © 2006-2019