Клуб любителей китайских скутеров

Форум клуба любителей китайских скутеров

      
Текущее время: 30 Apr 2026, 03:26

Часовой пояс: UTC + 3 часа


Правила форума


Посмотреть правила форума



Начать новую тему Ответить на тему  [ Сообщений: 26 ]  На страницу Пред.  1, 2
Автор Сообщение
 Заголовок сообщения: Re: преобразователь напряжения
СообщениеДобавлено: 08 Jan 2011, 18:05 
Не в сети
Старожил
Старожил
Аватар пользователя

Зарегистрирован: 03 Oct 2008, 22:46
Сообщений: 8022
Откуда: Киев
Поблагодарил: раз(а)
Поблагодарили: раз(а)
Медали: 4
За тех. помощь 1-й степени (1) За тех. помощь 2-й степени (1) За статью 1-й степени. (1) За вклад в развитие клуба (1)
Скутер: 180-т4 и 150-Т4;
Стаж: 30
vitek213
В ощем ты Витек не оттуда пошел. Скорее всего твой девайс будет работать и так. Хочешь узнать точно, покажи нам схему, фото, ссылку на него. Выпиши наименования микросхем с готовой платы. ScooNC правильно сказал.

_________________
Теория,-все знают как, ничего не работает
Практика,-все работает, никто не знает почему
Соединяем,-"Теория+Практика",-Ничего не работает и никто не знает, почему.


Вернуться наверх
 Профиль  
 
 Заголовок сообщения: Re: преобразователь напряжения
СообщениеДобавлено: 08 Jan 2011, 19:17 
Не в сети
Интересующийся
Интересующийся

Зарегистрирован: 27 Aug 2010, 08:33
Сообщений: 49
Поблагодарил: раз(а)
Поблагодарили: раз(а)
Скутер: Stels Leader 2t 70cc
Стаж: 5
Так... фото вот(еще в прошлом году фотал). Названия схемы на нём не видно, а на схему живьем посмотреть не могу, она в скуте в пенопластовой коробке достать никак - я с ней уже год отъездил, только источником питания были два телефонных АКБ, а ща хочу напрямую к скутерному подключить...

[img][IMG]http://s007.radikal.ru/i300/1101/02/18bdc489025bt.jpg[/img][/img]
http://s002.radikal.ru/i199/1101/19/9c9c54473aab.jpg


Вернуться наверх
 Профиль  
 
 Заголовок сообщения: Re: преобразователь напряжения
СообщениеДобавлено: 08 Jan 2011, 20:33 
Не в сети
Посетитель
Посетитель
Аватар пользователя

Зарегистрирован: 25 Sep 2008, 05:43
Сообщений: 196
Откуда: Брянск
Поблагодарил: раз(а)
Поблагодарили: раз(а)
Медали: 1
За инновации (1)
Скутер: Patron Grand 180
Стаж: с 1993г
В общем если точно не знаешь, лучше не рисковать. Если есть магазин радиодеталей, купи стабилизатор LM7809 (таже кренка, но характеристики лучше). Он тянет нагрузку до 1,5 Ампера. Этого я думаю вполне хватит на такой усилитель, только стабилизатор поставить на небольшой радиатор.


Вложения:
datasheet1.rar [78.27 KiB]
Скачиваний: 549
Вернуться наверх
 Профиль  
 
 Заголовок сообщения: Re: преобразователь напряжения
СообщениеДобавлено: 08 Jan 2011, 20:39 
Не в сети
Интересующийся
Интересующийся

Зарегистрирован: 27 Aug 2010, 08:33
Сообщений: 49
Поблагодарил: раз(а)
Поблагодарили: раз(а)
Скутер: Stels Leader 2t 70cc
Стаж: 5
ScooNC
спс

да, а насчет гренок - как их подключать?


Вернуться наверх
 Профиль  
 
 Заголовок сообщения: Re: преобразователь напряжения
СообщениеДобавлено: 08 Jan 2011, 20:48 
Не в сети
Посетитель
Посетитель
Аватар пользователя

Зарегистрирован: 25 Sep 2008, 05:43
Сообщений: 196
Откуда: Брянск
Поблагодарил: раз(а)
Поблагодарили: раз(а)
Медали: 1
За инновации (1)
Скутер: Patron Grand 180
Стаж: с 1993г
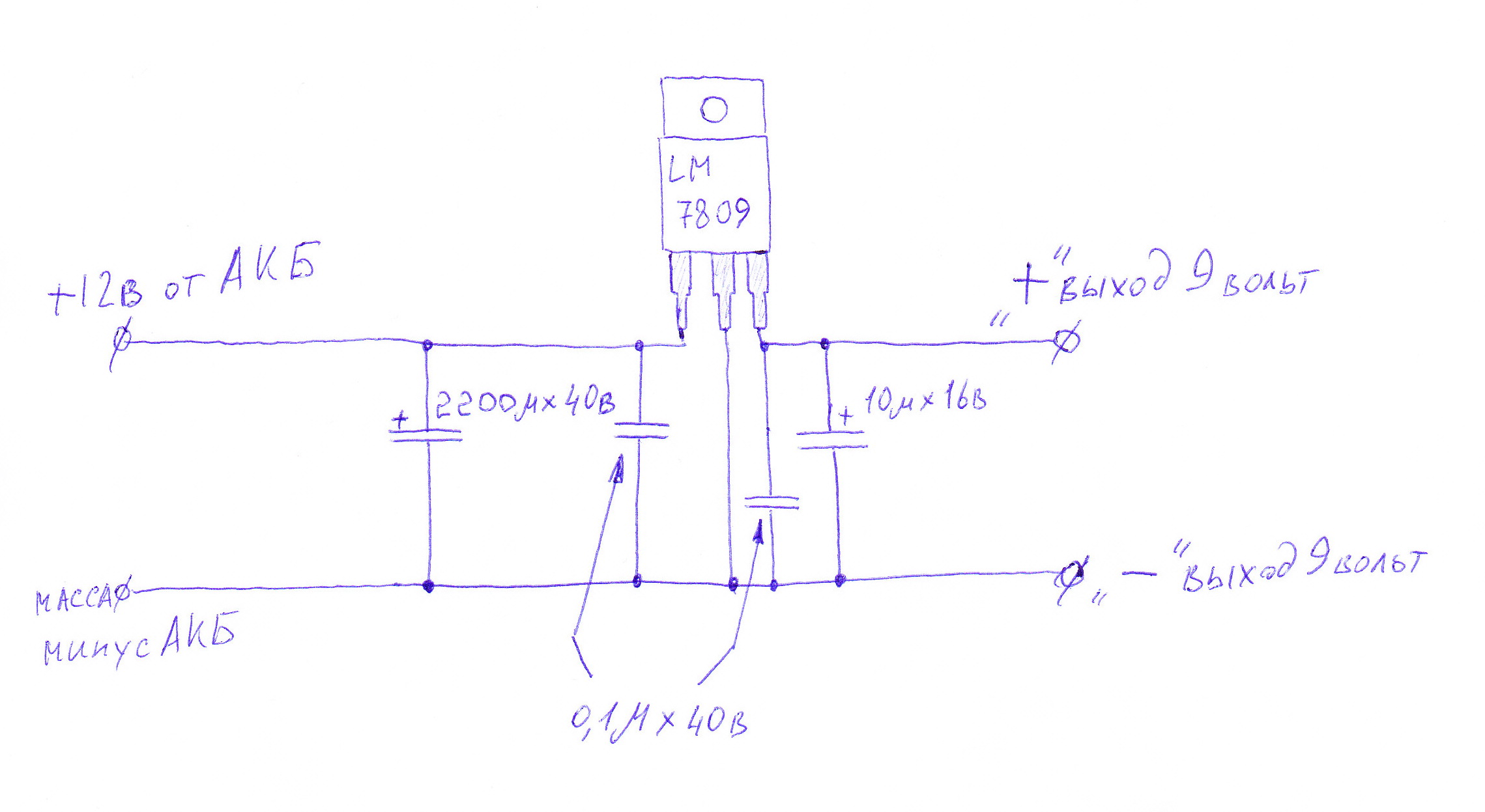
Да, чуть не забыл вот тебе схемка как подключать, если у кренки три вывода.


Вложения:
.jpg
.jpg [ 254.41 KiB | Просмотров: 3929 ]
Вернуться наверх
 Профиль  
 
 Заголовок сообщения: Re: преобразователь напряжения
СообщениеДобавлено: 08 Jan 2011, 21:25 
Не в сети
Интересующийся
Интересующийся

Зарегистрирован: 27 Aug 2010, 08:33
Сообщений: 49
Поблагодарил: раз(а)
Поблагодарили: раз(а)
Скутер: Stels Leader 2t 70cc
Стаж: 5
ScooNC
спасибо


Вернуться наверх
 Профиль  
 
 Заголовок сообщения: Re: преобразователь напряжения
СообщениеДобавлено: 08 Jan 2011, 22:14 
Не в сети
Старожил
Старожил
Аватар пользователя

Зарегистрирован: 03 Oct 2008, 22:46
Сообщений: 8022
Откуда: Киев
Поблагодарил: раз(а)
Поблагодарили: раз(а)
Медали: 4
За тех. помощь 1-й степени (1) За тех. помощь 2-й степени (1) За статью 1-й степени. (1) За вклад в развитие клуба (1)
Скутер: 180-т4 и 150-Т4;
Стаж: 30
vitek213 Когда то доводилось мне подключать подобный девайс. Я даже не задумывался 9в там или 12ть. Тупо включил на 12ть и всё. Включай и не парься. Только фильтр нужен.

_________________
Теория,-все знают как, ничего не работает
Практика,-все работает, никто не знает почему
Соединяем,-"Теория+Практика",-Ничего не работает и никто не знает, почему.


Вернуться наверх
 Профиль  
 
 Заголовок сообщения: Re: преобразователь напряжения
СообщениеДобавлено: 08 Jan 2011, 22:39 
Не в сети
Старожил
Старожил
Аватар пользователя

Зарегистрирован: 22 Jul 2010, 22:35
Сообщений: 1093
Откуда: HBN
Поблагодарил: раз(а)
Поблагодарили: раз(а)
Скутер: BEHZHOU, suzuki xf 650
Стаж: 4
ScooNC писал(а):
Да, чуть не забыл вот тебе схемка как подключать, если у кренки три вывода.

А вольтаж на кондёрах принципиален?
Познания поверхностные у меня, потому и интересуюсь, или просто как у тебя, так и показал на схеме?
Схемка простая, потому интересна для меня. Может и я для эксперемента чтонить попробую.

_________________
В Европе автомобиль не роскошь, роскошь канистра с бензином!


Вернуться наверх
 Профиль  
 
 Заголовок сообщения: Re: преобразователь напряжения
СообщениеДобавлено: 08 Jan 2011, 23:46 
Не в сети
Старожил
Старожил
Аватар пользователя

Зарегистрирован: 03 Oct 2008, 22:46
Сообщений: 8022
Откуда: Киев
Поблагодарил: раз(а)
Поблагодарили: раз(а)
Медали: 4
За тех. помощь 1-й степени (1) За тех. помощь 2-й степени (1) За статью 1-й степени. (1) За вклад в развитие клуба (1)
Скутер: 180-т4 и 150-Т4;
Стаж: 30
Вольтаж в полтора-два раза выше рабочего.

_________________
Теория,-все знают как, ничего не работает
Практика,-все работает, никто не знает почему
Соединяем,-"Теория+Практика",-Ничего не работает и никто не знает, почему.


Вернуться наверх
 Профиль  
 
 Заголовок сообщения: Re: преобразователь напряжения
СообщениеДобавлено: 10 Jan 2011, 19:07 
Не в сети
Интересующийся
Интересующийся
Аватар пользователя

Зарегистрирован: 16 Feb 2010, 10:03
Сообщений: 44
Откуда: Кемерово
Поблагодарил: раз(а)
Поблагодарили: раз(а)
Скутер: E-moto YH50-qt
Стаж: 2 года
Для общей темы разговора.
Если поставить переменный резистор, в разрыв между минусовым проводом и средней ногой КРЕНки, то можно регулировать напряжение на выходе, в сторону Увеличения.

Например. Если есть КРЕНка на 5 вольт, а надо 8 то, ставим переменный резистор или подбираем постоянный резистор, и получаем на выходе 8 вольт.

Но у этого способа есть ограничения! неполучится из КРЕНки на 3 вольта выжать напяжение в 12 вольт !!!


Вернуться наверх
 Профиль  
 
 Заголовок сообщения: Re: преобразователь напряжения
СообщениеДобавлено: 10 Jan 2011, 20:47 
Не в сети
Старожил
Старожил
Аватар пользователя

Зарегистрирован: 03 Oct 2008, 22:46
Сообщений: 8022
Откуда: Киев
Поблагодарил: раз(а)
Поблагодарили: раз(а)
Медали: 4
За тех. помощь 1-й степени (1) За тех. помощь 2-й степени (1) За статью 1-й степени. (1) За вклад в развитие клуба (1)
Скутер: 180-т4 и 150-Т4;
Стаж: 30
NOD-1342
Молодец, что экспериментируешь!
Но,-
Цитата:
у этого способа есть ограничения! неполучится из КРЕНки на 3 вольта выжать напяжение в 12 вольт !!!

Почему же? Поставим стабилитрон на 9в и получим 12в на выходе. Да ещё и как стабилизированных! Главное, чтобы входа хватило.

_________________
Теория,-все знают как, ничего не работает
Практика,-все работает, никто не знает почему
Соединяем,-"Теория+Практика",-Ничего не работает и никто не знает, почему.


Вернуться наверх
 Профиль  
 
Показать сообщения за:  Сортировать по:  
Начать новую тему Ответить на тему  [ Сообщений: 26 ]  На страницу Пред.  1, 2

Часовой пояс: UTC + 3 часа


Кто сейчас на форуме

Сейчас этот форум просматривают: нет зарегистрированных пользователей и гости: 1


Вы не можете начинать темы
Вы не можете отвечать на сообщения
Вы не можете редактировать свои сообщения
Вы не можете удалять свои сообщения
Вы не можете добавлять вложения

Перейти:  
Powered by phpBB © phpBB Group
china-scooter.ru © 2006-2019