Клуб любителей китайских скутеров

Форум клуба любителей китайских скутеров

      
Текущее время: 27 Apr 2026, 15:24

Часовой пояс: UTC + 3 часа


Правила форума


Посмотреть правила форума



Начать новую тему Ответить на тему  [ Сообщений: 444 ]  На страницу Пред.  1 ... 16, 17, 18, 19, 20, 21, 22 ... 30  След.
Автор Сообщение
 Заголовок сообщения: Re: Все о доработке системы электропитания скутера
СообщениеДобавлено: 14 Jan 2010, 21:05 
Не в сети
Старожил
Старожил

Зарегистрирован: 18 Jan 2009, 14:07
Сообщений: 7631
Откуда: 69 RUS
Поблагодарил: раз(а)
Поблагодарили: раз(а)
Медали: 6
За дальнобой 2-й степени. (1) За полезные и полные ответы. (1) За тех. помощь 1-й степени (1) За тех. помощь 2-й степени (1) За статью 1-й степени. (1)
Скутер: стелс лидер-50 2т (72 cc)
Стаж: 4
Цитата:
С 1-фазным генератором РР от 150-ки не совместимо? Какая схема самопального выпрямителя на сегодняшний день наиболее совершенна? Ибо funix пишет, что можно обойтись без кондёров, и что схема от Yray косячная. И вопрос по перемотке генератора повис в воздухе. Будет толк от перемотки или нет, если к примеру оставить количество витков прежним, а увеличить толщину проводника? А ведь магниты останутся прежними. Что скажете?

Ответа пока нет.
Простейшая на одном симисторе, 2 - 4 стабилитронах и диодном мосте, кондер твой ставим если без АКБ используем, С АКБ ненужен, будет разряжать АКБ. Но проще использовать готовый как ДиДжиМен (типа 2-х фазный)
Да схема юрая с кондером сложновата, с АКБ кондер в ней лишний, но выкинь 2 диода идуших на цепь зарядки АКБ.
Основной эфект прироста КПД именно в перемотке, проводом потолще и витков побольше на каждой катуше 2-5 не переусердствуй а то будет сильнее грется гена и регулятор.
При намотке толстым проводом напряжение вырабатываемое катушкой чуть меньше получается, есть такой эфект, поэтому на 2 витка обязательно, а если 5, то и на ХХ напряжение падать недолжно, но не очень, а то сгорит все на ...
про магниты не думай. катушки выдадут и напряжение больше и быстрее отдадут мощность за счет более толстого провода, в этом и соль.

ПС обогатитель подключай от катушек через резистор если есть, напрямую чтоб неспалить диодный мост регулятора, седня измерил, он жрет 1А - 20-25 ватт, немало.

Еще ПС схема простейшего регулятора в теме "Тунинг Бионинчага" его собрала даже девушка, за что респект ей и уважуха, только если с АКБ будет использоваться то большой кондер ненужен


Последний раз редактировалось funix 15 Jan 2010, 10:56, всего редактировалось 1 раз.

Вернуться наверх
 Профиль  
 
 Заголовок сообщения: Re: Все о доработке системы электропитания скутера
СообщениеДобавлено: 14 Jan 2010, 23:43 
Не в сети
Гуру ремонта
Гуру ремонта
Аватар пользователя

Зарегистрирован: 20 Mar 2009, 23:12
Сообщений: 19841
Откуда: Бронницы
Поблагодарил: раз(а)
Поблагодарили: раз(а)
Медали: 4
За полезные и полные ответы. (1) За тех. помощь 1-й степени (1) За тех. помощь 2-й степени (1) За вклад в развитие клуба (1)
Скутер: Irbis Nirvana 150 уже 175сс
Стаж: Мото 21,скутер 4года
Hors
Это не трёхфазный, это однофазный генератор.
Трёхфазный вот:
http://www.scootermag.ru/new/shop/product/818/

_________________
Попытка прочесть книгу, не открыв её - обречена на провал.


Вернуться наверх
 Профиль  
 
 Заголовок сообщения: Re: Все о доработке системы электропитания скутера
СообщениеДобавлено: 15 Jan 2010, 02:58 
Не в сети
Старожил
Старожил

Зарегистрирован: 08 Jul 2009, 18:07
Сообщений: 3186
Откуда: Беларусь
Поблагодарил: раз(а)
Поблагодарили: раз(а)
Медали: 4
За полезные и полные ответы. (1) За тех. помощь 1-й степени (1) За тех. помощь 2-й степени (1) За вклад в развитие клуба (1)
Скутер: Hors 154\ 157QMJ\RC125T-9X\152QMJ
GRO у меня установлено то, что на фото, а на схеме-3ф

_________________
„Изучай правила, чтобы знать, как правильно их нарушить.“
„Мир несовершенен, поскольку мы несовершенны.“


Вернуться наверх
 Профиль  
 
 Заголовок сообщения: Re: Все о доработке системы электропитания скутера
СообщениеДобавлено: 15 Jan 2010, 09:38 
Не в сети
Гуру ремонта
Гуру ремонта

Зарегистрирован: 17 Май 2006, 12:37
Сообщений: 3446
Откуда: Москва,САО
Поблагодарил: раз(а)
Поблагодарили: раз(а)
Медали: 2
За тех. помощь 1-й степени (1) За вклад в развитие клуба (1)
Скутер: Honling QT-8 (Круизер)
Стаж: 5лет
collins писал(а):
На мосте выпрямителя ЭДС от отдельных обмоток ни коим образом не складываются, выходное напряжение будет равным максимальному в данный момент напряжению на одной из фазовых обмоток, за вычетом падения напряжения на диодах моста. Так что для того, чтобы хотя бы сохранить ЭДС генератора на холостых оборотах на прежнем уровне, придётся перемотать катушки с втрое большим количеством витков. Это вынудит использовать более тонкий провод, что увеличит падение напряжение под нагрузкой. В общем, как ни крути, при такой схеме отдаваемая мощность упадёт, и кстати только лишь по этой причине, как правильно вы замечаете, уменьшится среднее значение тока через обмотки и диоды моста. Что неудивительно - мощность станет ниже :).

Это кто сказал, что напряженние на диодном мосту не складывается. Это в 1ф системе полупериоды идут один за другим. а в многофазных они начинают накладываться один на другой и суммируются.
Я тут по быстрому в Экселе накидал график суммирования 3-х фазного "правильного" напряжения в диодном мосте, нижние кривые- это полупириоды каждой фазы, а верхняя кривая, это их сумма. Как видим после сумирования мы получаем удвоенное значение максимума, а среднее значение даже больше,чем в 3раза.
Изображение
Так что моя переделка имеет право на жизнь, и думаю, что даже некоторый перекос по фазам не страшен, ведь у нас магдино-генератор и уравнительное напряжение(ток) просто несколько снизит индукцию от магнитов и понизит КПД генератора.
А вывод таков, что при 3-хфазном выпрямлении, мы получаем кривую с меньшим колибанием амплитуды,следовательно более качественное напряжение, ничего перематывать не нужно и можно использовать штатный 3-хфазный выпрямитель от кубатуры. Осталось только поределиться, как соединить обмотки генератора и провести полевые испытание. Может по весне займусь этим вопросом.


Вернуться наверх
 Профиль  
 
 Заголовок сообщения: Re: Все о доработке системы электропитания скутера
СообщениеДобавлено: 15 Jan 2010, 09:41 
Не в сети
Гуру ремонта
Гуру ремонта

Зарегистрирован: 17 Май 2006, 12:37
Сообщений: 3446
Откуда: Москва,САО
Поблагодарил: раз(а)
Поблагодарили: раз(а)
Медали: 2
За тех. помощь 1-й степени (1) За вклад в развитие клуба (1)
Скутер: Honling QT-8 (Круизер)
Стаж: 5лет
Hors писал(а):
GRO у меня установлено то, что на фото, а на схеме-3ф

Что-то у меня ощущение, что скутермаг выложил фото 1ф генератора от полтинника, т.к. у меня такой-же генератор, но судя по тому, что в клюве стоят нагрузочные резисторы, то он явно не 3Ф.


Вернуться наверх
 Профиль  
 
 Заголовок сообщения: Re: Все о доработке системы электропитания скутера
СообщениеДобавлено: 15 Jan 2010, 10:46 
Не в сети
Гуру ремонта
Гуру ремонта

Зарегистрирован: 17 Май 2006, 12:37
Сообщений: 3446
Откуда: Москва,САО
Поблагодарил: раз(а)
Поблагодарили: раз(а)
Медали: 2
За тех. помощь 1-й степени (1) За вклад в развитие клуба (1)
Скутер: Honling QT-8 (Круизер)
Стаж: 5лет
funix писал(а):
Да 2-я схема нерабочая, ну ошибся чуток, с кем не бывает. Рус последнее справедливо, не стоит замарачиваться с переделкой под 3-х фазку.

А фазы звездой по схемам, 0 в воздухе.

Да смерил ток обогатителя на СВК, вышло 1 А - 22 Вт, я за то чтоб его вешать прямо с катушки.

Хорс, извиняюсь за датчик , был неправ, сегодня при попытке сделать герконовый датчик для тахометра, он не заработал, так как на роторе не магнит. На 1E40QMB тоже внутри датчика магнит.

Ну схема одна и таже. Я просто разрисовал направления токов в 1-м и втором полупериодах. Т.е. такое соединение имеет право на жизнь, но второй полупериод не используется и смысл диодного моста пропадает.


Вернуться наверх
 Профиль  
 
 Заголовок сообщения: Re: Все о доработке системы электропитания скутера
СообщениеДобавлено: 15 Jan 2010, 11:00 
Не в сети
Старожил
Старожил

Зарегистрирован: 08 Jul 2009, 18:07
Сообщений: 3186
Откуда: Беларусь
Поблагодарил: раз(а)
Поблагодарили: раз(а)
Медали: 4
За полезные и полные ответы. (1) За тех. помощь 1-й степени (1) За тех. помощь 2-й степени (1) За вклад в развитие клуба (1)
Скутер: Hors 154\ 157QMJ\RC125T-9X\152QMJ
Цитата:
Хорс, извиняюсь за датчик ,
funix
не стоит, с кем не бывает.

_________________
„Изучай правила, чтобы знать, как правильно их нарушить.“
„Мир несовершенен, поскольку мы несовершенны.“


Вернуться наверх
 Профиль  
 
 Заголовок сообщения: Re: Все о доработке системы электропитания скутера
СообщениеДобавлено: 15 Jan 2010, 11:01 
Не в сети
Старожил
Старожил

Зарегистрирован: 18 Jan 2009, 14:07
Сообщений: 7631
Откуда: 69 RUS
Поблагодарил: раз(а)
Поблагодарили: раз(а)
Медали: 6
За дальнобой 2-й степени. (1) За полезные и полные ответы. (1) За тех. помощь 1-й степени (1) За тех. помощь 2-й степени (1) За статью 1-й степени. (1)
Скутер: стелс лидер-50 2т (72 cc)
Стаж: 4
Короче перевожу для всех остальных че вы тут написали, токи 3-х фаз будут складываться увеличивая мощность ( но мощность больше чем с одной катушки полюбому, а при среднем напряжении обмоток тройная, так как будет перекрытие фаз), частота тока будет утраиваться, напряжение соответственно будет более стабильнее.


И от себя, вижу один минус, это то что с каждой обмотки полупериод будет идти, следовательно моща с обмоток будет сниматься меньше, так что ждать от трехфазки чего то сверх, не стоит.


Последний раз редактировалось funix 15 Jan 2010, 11:30, всего редактировалось 1 раз.

Вернуться наверх
 Профиль  
 
 Заголовок сообщения: Re: Все о доработке системы электропитания скутера
СообщениеДобавлено: 15 Jan 2010, 11:28 
Не в сети
Гуру ремонта
Гуру ремонта
Аватар пользователя

Зарегистрирован: 20 Mar 2009, 23:12
Сообщений: 19841
Откуда: Бронницы
Поблагодарил: раз(а)
Поблагодарили: раз(а)
Медали: 4
За полезные и полные ответы. (1) За тех. помощь 1-й степени (1) За тех. помощь 2-й степени (1) За вклад в развитие клуба (1)
Скутер: Irbis Nirvana 150 уже 175сс
Стаж: Мото 21,скутер 4года
Полупериод будет идти в случае применения всего трёх диодов в выпрямительном мосту!

_________________
Попытка прочесть книгу, не открыв её - обречена на провал.


Вернуться наверх
 Профиль  
 
 Заголовок сообщения: Re: Все о доработке системы электропитания скутера
СообщениеДобавлено: 15 Jan 2010, 11:32 
Не в сети
Старожил
Старожил

Зарегистрирован: 18 Jan 2009, 14:07
Сообщений: 7631
Откуда: 69 RUS
Поблагодарил: раз(а)
Поблагодарили: раз(а)
Медали: 6
За дальнобой 2-й степени. (1) За полезные и полные ответы. (1) За тех. помощь 1-й степени (1) За тех. помощь 2-й степени (1) За статью 1-й степени. (1)
Скутер: стелс лидер-50 2т (72 cc)
Стаж: 4
Не так, читай ниже.


Последний раз редактировалось funix 15 Jan 2010, 11:56, всего редактировалось 1 раз.

Вернуться наверх
 Профиль  
 
 Заголовок сообщения: Re: Все о доработке системы электропитания скутера
СообщениеДобавлено: 15 Jan 2010, 11:41 
Не в сети
Гуру ремонта
Гуру ремонта
Аватар пользователя

Зарегистрирован: 20 Mar 2009, 23:12
Сообщений: 19841
Откуда: Бронницы
Поблагодарил: раз(а)
Поблагодарили: раз(а)
Медали: 4
За полезные и полные ответы. (1) За тех. помощь 1-й степени (1) За тех. помощь 2-й степени (1) За вклад в развитие клуба (1)
Скутер: Irbis Nirvana 150 уже 175сс
Стаж: Мото 21,скутер 4года
Но с мостом, имеющём 6 диодов, используються оба полупериода.

_________________
Попытка прочесть книгу, не открыв её - обречена на провал.


Вернуться наверх
 Профиль  
 
 Заголовок сообщения: Re: Все о доработке системы электропитания скутера
СообщениеДобавлено: 15 Jan 2010, 11:52 
Не в сети
Старожил
Старожил

Зарегистрирован: 18 Jan 2009, 14:07
Сообщений: 7631
Откуда: 69 RUS
Поблагодарил: раз(а)
Поблагодарили: раз(а)
Медали: 6
За дальнобой 2-й степени. (1) За полезные и полные ответы. (1) За тех. помощь 1-й степени (1) За тех. помощь 2-й степени (1) За статью 1-й степени. (1)
Скутер: стелс лидер-50 2т (72 cc)
Стаж: 4
Гро, ты меня чуть не сбил с мысли, полупериоды, нет мостов, 3 диода с 3-х фаз пропускают +, другие 3 с тех же фаз -, пулупериодные получаются. Изабрази на бумажке увидишь сам.


Вернуться наверх
 Профиль  
 
 Заголовок сообщения: Re: Все о доработке системы электропитания скутера
СообщениеДобавлено: 15 Jan 2010, 12:02 
Не в сети
Старожил
Старожил

Зарегистрирован: 08 Jul 2009, 18:07
Сообщений: 3186
Откуда: Беларусь
Поблагодарил: раз(а)
Поблагодарили: раз(а)
Медали: 4
За полезные и полные ответы. (1) За тех. помощь 1-й степени (1) За тех. помощь 2-й степени (1) За вклад в развитие клуба (1)
Скутер: Hors 154\ 157QMJ\RC125T-9X\152QMJ
полупериод
Вложение:
.JPG

download/file.php?id=5425&mode=view

_________________
„Изучай правила, чтобы знать, как правильно их нарушить.“
„Мир несовершенен, поскольку мы несовершенны.“


Вернуться наверх
 Профиль  
 
 Заголовок сообщения: Re: Все о доработке системы электропитания скутера
СообщениеДобавлено: 15 Jan 2010, 12:11 
Не в сети
Старожил
Старожил

Зарегистрирован: 18 Jan 2009, 14:07
Сообщений: 7631
Откуда: 69 RUS
Поблагодарил: раз(а)
Поблагодарили: раз(а)
Медали: 6
За дальнобой 2-й степени. (1) За полезные и полные ответы. (1) За тех. помощь 1-й степени (1) За тех. помощь 2-й степени (1) За статью 1-й степени. (1)
Скутер: стелс лидер-50 2т (72 cc)
Стаж: 4
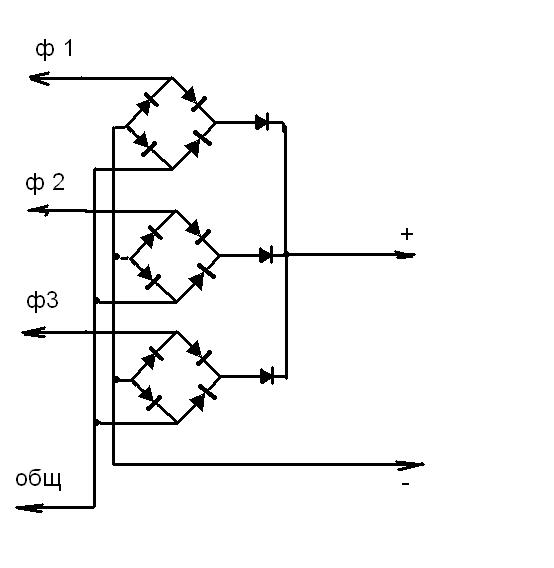
Для снятия полной мощи вот что надо
Вложение:
.JPG
.JPG [ 22.64 KiB | Просмотров: 2890 ]


общ - это 0 звезды по схемам, лучше его не землить, а подать на прямо на мост

ПС чтобы ету Х вставить надо и катушки перематывать примерно в 2-а раза больше витков. И обязательно звездой.


Последний раз редактировалось funix 15 Jan 2010, 12:23, всего редактировалось 2 раз(а).

Вернуться наверх
 Профиль  
 
 Заголовок сообщения: Re: Все о доработке системы электропитания скутера
СообщениеДобавлено: 15 Jan 2010, 12:16 
Не в сети
Старожил
Старожил

Зарегистрирован: 18 Jan 2009, 14:07
Сообщений: 7631
Откуда: 69 RUS
Поблагодарил: раз(а)
Поблагодарили: раз(а)
Медали: 6
За дальнобой 2-й степени. (1) За полезные и полные ответы. (1) За тех. помощь 1-й степени (1) За тех. помощь 2-й степени (1) За статью 1-й степени. (1)
Скутер: стелс лидер-50 2т (72 cc)
Стаж: 4
А в реале у нас вот что получается
Вложение:
1.JPG
1.JPG [ 16.88 KiB | Просмотров: 2890 ]

И это называется 3-х фазный полупериодный


Вернуться наверх
 Профиль  
 
Показать сообщения за:  Сортировать по:  
Начать новую тему Ответить на тему  [ Сообщений: 444 ]  На страницу Пред.  1 ... 16, 17, 18, 19, 20, 21, 22 ... 30  След.

Часовой пояс: UTC + 3 часа


Кто сейчас на форуме

Сейчас этот форум просматривают: нет зарегистрированных пользователей и гости: 7


Вы не можете начинать темы
Вы не можете отвечать на сообщения
Вы не можете редактировать свои сообщения
Вы не можете удалять свои сообщения
Вы не можете добавлять вложения

Перейти:  
Powered by phpBB © phpBB Group
china-scooter.ru © 2006-2019