Клуб любителей китайских скутеров

Форум клуба любителей китайских скутеров

      
Текущее время: 26 Apr 2026, 12:13

Часовой пояс: UTC + 3 часа


Правила форума


Посмотреть правила форума



Начать новую тему Ответить на тему  [ Сообщений: 131 ]  На страницу Пред.  1 ... 3, 4, 5, 6, 7, 8, 9  След.
Автор Сообщение
 Заголовок сообщения: Re: Впрыск от ecotrons.com Стоит ли оно того?
СообщениеДобавлено: 27 Nov 2012, 15:12 
Не в сети
Гуру ремонта
Гуру ремонта
Аватар пользователя

Зарегистрирован: 20 Mar 2009, 23:12
Сообщений: 19841
Откуда: Бронницы
Поблагодарил: раз(а)
Поблагодарили: раз(а)
Медали: 4
За полезные и полные ответы. (1) За тех. помощь 1-й степени (1) За тех. помощь 2-й степени (1) За вклад в развитие клуба (1)
Скутер: Irbis Nirvana 150 уже 175сс
Стаж: Мото 21,скутер 4года
Это просто другая катушка зажигания.

_________________
Попытка прочесть книгу, не открыв её - обречена на провал.


Вернуться наверх
 Профиль  
 
 Заголовок сообщения: Re: Впрыск от ecotrons.com Стоит ли оно того?
СообщениеДобавлено: 27 Nov 2012, 15:20 
Не в сети
Новичок
Новичок

Зарегистрирован: 19 Nov 2012, 13:32
Сообщений: 53
Поблагодарил: раз(а)
Поблагодарили: раз(а)
Скутер: UMC QT49-12F
Стаж: 2
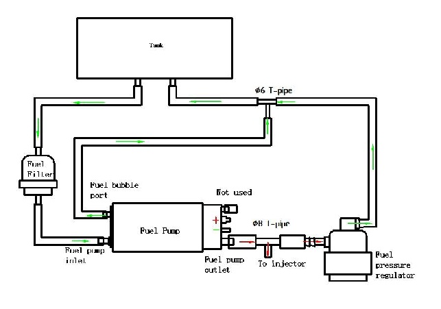
Вот схема подключения по топливу с офф сайта. А вот возврат топлива в бак происходит от насоса и самой форсунки, через единый бензопровод. Я предполагаю, что давление должно быть довольно высоким. На сайте заявлено, что насос прогоняет при давлении 3 bar. 120ml/min а самая маленькая форсунка 38g/min получается возвращается обратно в бак примерно 80 ml/min. Хотя надо садиться и считать.


Вложения:
Топливная система.jpg
Топливная система.jpg [ 43.27 KiB | Просмотров: 3644 ]


Последний раз редактировалось barga98 27 Nov 2012, 15:32, всего редактировалось 1 раз.
Вернуться наверх
 Профиль  
 
 Заголовок сообщения: Re: Впрыск от ecotrons.com Стоит ли оно того?
СообщениеДобавлено: 27 Nov 2012, 15:25 
Не в сети
Гуру ремонта
Гуру ремонта
Аватар пользователя

Зарегистрирован: 20 Mar 2009, 23:12
Сообщений: 19841
Откуда: Бронницы
Поблагодарил: раз(а)
Поблагодарили: раз(а)
Медали: 4
За полезные и полные ответы. (1) За тех. помощь 1-й степени (1) За тех. помощь 2-й степени (1) За вклад в развитие клуба (1)
Скутер: Irbis Nirvana 150 уже 175сс
Стаж: Мото 21,скутер 4года
barga98
Чем обратка не понятна?

_________________
Попытка прочесть книгу, не открыв её - обречена на провал.


Вернуться наверх
 Профиль  
 
 Заголовок сообщения: Re: Впрыск от ecotrons.com Стоит ли оно того?
СообщениеДобавлено: 27 Nov 2012, 20:20 
Не в сети
Интересующийся
Интересующийся

Зарегистрирован: 21 Nov 2012, 21:20
Сообщений: 27
Поблагодарил: раз(а)
Поблагодарили: раз(а)
Скутер: Хонда, Ямаха
Стаж: год
barga98 Но есть сомнения по поводу создания "вихревого " потока в тройнике и тем самым создание дополнительного "отрицательного" давления. На авто возвратка идет с верху в бак.

Тройничёк врезается в бензопровод близко к бензобаку, практически почти сразу после краника. В этом месте давления топлива толком нет и сопротивления обратке тоже не будет. Следом, по схеме идёт топливный насос, который в любом случае создаст разряжение в топливном шланге, так что тут всё будет чётко. А то, что на авто обратка идёт в топливный бак, я знаю. Это в принципе ничего не меняет. На авто возвратка более интенсивная и топливо, побывав в районе двигателя и согревшись чуть согревает топливо в баке. Это особо полезно для дизелей.
Тут дали штатную систему подключения инжекторной системы питания. Но по ней надо делать врезку в топливный бак трубки для возвратки. Я чуть "доработал" схемку.
Может кому пригодится, чтоб не морочиться с трубкой возврата. :)
Хотя и трубку возврата можно вполне нормально сделать.
А схемка вот.


Вложения:
Комментарий к файлу: Ничего особенного. Добавлен один тройничок и всё. Обратка по любому идёт с более высоким давлением.
Топливная инжектора.JPG
Топливная инжектора.JPG [ 12.95 KiB | Просмотров: 3623 ]
Вернуться наверх
 Профиль  
 
 Заголовок сообщения: Re: Впрыск от ecotrons.com Стоит ли оно того?
СообщениеДобавлено: 28 Nov 2012, 09:51 
Не в сети
Гуру ремонта
Гуру ремонта
Аватар пользователя

Зарегистрирован: 20 Mar 2009, 23:12
Сообщений: 19841
Откуда: Бронницы
Поблагодарил: раз(а)
Поблагодарили: раз(а)
Медали: 4
За полезные и полные ответы. (1) За тех. помощь 1-й степени (1) За тех. помощь 2-й степени (1) За вклад в развитие клуба (1)
Скутер: Irbis Nirvana 150 уже 175сс
Стаж: Мото 21,скутер 4года
sledohit
Не задумывался о паровой пробке, неадекватной работе регулятора давления и перегреве насоса?
Неужели так трудно трубку в бак впаять?

_________________
Попытка прочесть книгу, не открыв её - обречена на провал.


Вернуться наверх
 Профиль  
 
 Заголовок сообщения: Re: Впрыск от ecotrons.com Стоит ли оно того?
СообщениеДобавлено: 28 Nov 2012, 10:41 
Не в сети
Интересующийся
Интересующийся

Зарегистрирован: 21 Nov 2012, 21:20
Сообщений: 27
Поблагодарил: раз(а)
Поблагодарили: раз(а)
Скутер: Хонда, Ямаха
Стаж: год
GRO Вариантов с трубкой обратки море и я бы морочиться не стал с таким делом... :-D Хоть пластиковый бачок, что стальной - трубочку вставить не сложно. Что вварить, что впаять, что на уплотнителях притянуть... :-)
Был задан вопрос ранее - попытался дать наиболее простой ответ.
Теперь по теплотехнике.... Рассчитать период прогрева топлива при постоянном прогоне в магистралях мне сложновато, но исходя из чистой практики смею предположить, что десятикратный прогон топлива в кольце его только разогреет чуть и до температуры активного испарения будет далековато... А если учитывать постоянный расход из "кольца" и подсос топлива с бака, то всё становится в норму. Да тёплое топливо кроме того способствует более активному смесеобразованию и облегчению впрыска инжектором!
Удачи Гуру.
С инжекторами не знаком, не пришлось столкнуться, но водитель профи, ещё старого метода обучения. И перебрать и отрегулировать на стенде ТНВД дизеля приходилось... :-)


Вернуться наверх
 Профиль  
 
 Заголовок сообщения: Re: Впрыск от ecotrons.com Стоит ли оно того?
СообщениеДобавлено: 28 Nov 2012, 10:57 
Не в сети
Гуру ремонта
Гуру ремонта
Аватар пользователя

Зарегистрирован: 20 Mar 2009, 23:12
Сообщений: 19841
Откуда: Бронницы
Поблагодарил: раз(а)
Поблагодарили: раз(а)
Медали: 4
За полезные и полные ответы. (1) За тех. помощь 1-й степени (1) За тех. помощь 2-й степени (1) За вклад в развитие клуба (1)
Скутер: Irbis Nirvana 150 уже 175сс
Стаж: Мото 21,скутер 4года
sledohit
Бензин не соляра, а топливный насос охлаждается именно бензином, проходящим через него.
По этому, чтобы потом не переделывать, лучше сразу сделать хорошо.

_________________
Попытка прочесть книгу, не открыв её - обречена на провал.


Вернуться наверх
 Профиль  
 
 Заголовок сообщения: Re: Впрыск от ecotrons.com Стоит ли оно того?
СообщениеДобавлено: 28 Nov 2012, 11:07 
Не в сети
Интересующийся
Интересующийся

Зарегистрирован: 21 Nov 2012, 21:20
Сообщений: 27
Поблагодарил: раз(а)
Поблагодарили: раз(а)
Скутер: Хонда, Ямаха
Стаж: год
GRO
Разводить спам как-то не к лицу.
Я высказал соображения по поводу, а усложнять конструкцию, это уже к инженерам, может быть и к системным... :-)
А я что - просто шоферюга, да ещё и старый пень, который в современной технике "не рубит"... :-[


Вернуться наверх
 Профиль  
 
 Заголовок сообщения: Re: Впрыск от ecotrons.com Стоит ли оно того?
СообщениеДобавлено: 28 Nov 2012, 11:57 
Не в сети
Гуру ремонта
Гуру ремонта
Аватар пользователя

Зарегистрирован: 20 Mar 2009, 23:12
Сообщений: 19841
Откуда: Бронницы
Поблагодарил: раз(а)
Поблагодарили: раз(а)
Медали: 4
За полезные и полные ответы. (1) За тех. помощь 1-й степени (1) За тех. помощь 2-й степени (1) За вклад в развитие клуба (1)
Скутер: Irbis Nirvana 150 уже 175сс
Стаж: Мото 21,скутер 4года
sledohit писал(а):
GROэто уже к инженерам, может быть и к системным... :-)

Off topic:
Там недавно было написано - автомеханик.

_________________
Попытка прочесть книгу, не открыв её - обречена на провал.


Вернуться наверх
 Профиль  
 
 Заголовок сообщения: Re: Впрыск от ecotrons.com Стоит ли оно того?
СообщениеДобавлено: 28 Nov 2012, 13:02 
Не в сети
Новичок
Новичок

Зарегистрирован: 19 Nov 2012, 13:32
Сообщений: 53
Поблагодарил: раз(а)
Поблагодарили: раз(а)
Скутер: UMC QT49-12F
Стаж: 2
sledohit писал(а):
GRO
Разводить спам как-то не к лицу.
Я высказал соображения по поводу, а усложнять конструкцию, это уже к инженерам, может быть и к системным... :-)
А я что - просто шоферюга, да ещё и старый пень, который в современной технике "не рубит"... :-[


Ребят не ссорьтесь! Истина важнее! Я наверное всех с этой возвраткой достал! Дело в том что бак металлический, на моем скутере. Я к сварному отвозил, тот говорит железо "фольга" возможно просто гореть будет. И не взялся. К другим пока не возил, надеюсь проблему краном решить. С вашего позволения еще раз картинку с редакцией выложу.


Вложения:
Free-Shipping-GY6-50CC-QMB-139-Fuel-Valve-W-Filter-Scooter-Parts-61928.jpg
Free-Shipping-GY6-50CC-QMB-139-Fuel-Valve-W-Filter-Scooter-Parts-61928.jpg [ 69.98 KiB | Просмотров: 3597 ]
Вернуться наверх
 Профиль  
 
 Заголовок сообщения: Re: Впрыск от ecotrons.com Стоит ли оно того?
СообщениеДобавлено: 28 Nov 2012, 13:18 
Не в сети
Старожил
Старожил
Аватар пользователя

Зарегистрирован: 18 Oct 2010, 06:21
Сообщений: 2538
Откуда: Кубань
Поблагодарил: раз(а)
Поблагодарили: раз(а)
Медали: 4
За полезные и полные ответы. (1) За тех. помощь 1-й степени (1) За тех. помощь 2-й степени (1) За вклад в развитие клуба (1)
Скутер: RACER uragan- 82сс.
Стаж: ***
barga98
Обыкновенный вакуумный кран. На ,,сосок,, №1 идет разрежение от карбюратора (при запуске и работе двигателя), под воздействием этого, открывается клапан, и по ,,соску,, №2 топливо из бака начинает поступать в карбюратор. При заглушенном двигателе, вакуума нет, и топливо в карб. не поступает. Вот примерно так....

_________________
"Добрым словом и револьвером, вы добьетесь намного большего.... чем одним добрым словом"
...Пишу с ошибками, читаю по слогам.


Вернуться наверх
 Профиль  
 
 Заголовок сообщения: Re: Впрыск от ecotrons.com Стоит ли оно того?
СообщениеДобавлено: 28 Nov 2012, 13:26 
Не в сети
Гуру ремонта
Гуру ремонта
Аватар пользователя

Зарегистрирован: 20 Mar 2009, 23:12
Сообщений: 19841
Откуда: Бронницы
Поблагодарил: раз(а)
Поблагодарили: раз(а)
Медали: 4
За полезные и полные ответы. (1) За тех. помощь 1-й степени (1) За тех. помощь 2-й степени (1) За вклад в развитие клуба (1)
Скутер: Irbis Nirvana 150 уже 175сс
Стаж: Мото 21,скутер 4года
barga98
И?
Я лично не думаю, я знаю, что №2 выход топлива, №1 подключение вакуумного шланга от впускного патрубка.
Это всё таки кран с вакуумным управлением.

_________________
Попытка прочесть книгу, не открыв её - обречена на провал.


Вернуться наверх
 Профиль  
 
 Заголовок сообщения: Re: Впрыск от ecotrons.com Стоит ли оно того?
СообщениеДобавлено: 28 Nov 2012, 13:30 
Не в сети
Новичок
Новичок

Зарегистрирован: 19 Nov 2012, 13:32
Сообщений: 53
Поблагодарил: раз(а)
Поблагодарили: раз(а)
Скутер: UMC QT49-12F
Стаж: 2
GRO писал(а):
barga98
И?
Я лично не думаю, я знаю, что №2 выход топлива, №1 подключение вакуумного шланга от впускного патрубка.
Это всё таки кран с вакуумным управлением.


Понял! Спасибо! Извините за тупость. :(


Вернуться наверх
 Профиль  
 
 Заголовок сообщения: Re: Впрыск от ecotrons.com Стоит ли оно того?
СообщениеДобавлено: 28 Nov 2012, 14:34 
Не в сети
Интересующийся
Интересующийся

Зарегистрирован: 21 Nov 2012, 21:20
Сообщений: 27
Поблагодарил: раз(а)
Поблагодарили: раз(а)
Скутер: Хонда, Ямаха
Стаж: год
barga98.

Тут не ссора, тут технологическое выяснение и противоположность мнений... :-)
Будь у меня этот вопрос, то в качестве подсказки варианта изготовления входа обратки такой момент...
Сосок от грузовика, от камеры добыть. Материал - латунь, на заваренной в резину части, довольно большой упорный диск. Сосок обрезать по нужному размеру и почти до упора нарезать наружную резьбу. В баке свеллишь дырку чуть больше диаметра трубки (чтоб легче было всё монтировать). Отверстие делаешь, чтоб можно было через горловину видеть и на проволочном поводке смонтировать заготовку на место. Затем с наружной стороны ставится прокладочка(шайба) из маслостойкой резины или аналогичного пластика упругого, затем стальная шайба и гайкой всё стягиваешь. Изнутри при затягивании можно удерживать сосок рифлёным хвостовиком напильника допустим.


Вернуться наверх
 Профиль  
 
 Заголовок сообщения: Re: Впрыск от ecotrons.com Стоит ли оно того?
СообщениеДобавлено: 28 Nov 2012, 14:51 
Не в сети
Новичок
Новичок

Зарегистрирован: 19 Nov 2012, 13:32
Сообщений: 53
Поблагодарил: раз(а)
Поблагодарили: раз(а)
Скутер: UMC QT49-12F
Стаж: 2
[quote="sledohit"]barga98.

Тут не ссора, тут технологическое выяснение и противоположность мнений... :-)
Будь у меня этот вопрос, то в качестве подсказки варианта изготовления входа обратки такой момент...
Сосок от грузовика, от камеры добыть.
Идея хорошая! Хочу уточнить а у грузовика и легковой машины золотники разве отличаются? У меня без камерные валяются в гараже, надо сходить посмотреть. Идею понял и за неё спасибо!


Вернуться наверх
 Профиль  
 
Показать сообщения за:  Сортировать по:  
Начать новую тему Ответить на тему  [ Сообщений: 131 ]  На страницу Пред.  1 ... 3, 4, 5, 6, 7, 8, 9  След.

Часовой пояс: UTC + 3 часа


Кто сейчас на форуме

Сейчас этот форум просматривают: нет зарегистрированных пользователей и гости: 4


Вы не можете начинать темы
Вы не можете отвечать на сообщения
Вы не можете редактировать свои сообщения
Вы не можете удалять свои сообщения
Вы не можете добавлять вложения

Перейти:  
Powered by phpBB © phpBB Group
china-scooter.ru © 2006-2019