Клуб любителей китайских скутеров

Форум клуба любителей китайских скутеров

      
Текущее время: 30 Apr 2026, 16:20

Часовой пояс: UTC + 3 часа


Правила форума


Посмотреть правила форума



Начать новую тему Ответить на тему  [ Сообщений: 59 ]  На страницу Пред.  1, 2, 3, 4  След.
Автор Сообщение
 Заголовок сообщения: Re: Вопрос к гуру: Проект сигнализация!
СообщениеДобавлено: 20 Jun 2012, 13:15 
Не в сети
Бывалый
Бывалый
Аватар пользователя

Зарегистрирован: 23 Jul 2009, 13:40
Сообщений: 389
Откуда: Краснодарский край, г.Кореновск
Поблагодарил: раз(а)
Поблагодарили: раз(а)
Скутер: STELS Vortex 50 2T, теперь Motowell Magnet RS 2T
Стаж: 4 года, RS: 6к км
GRO писал(а):
А если не оставят в покое, сядут, заведут, сработает концевик под сиденьем, и задница на британский флаг.
Потом только травмпункты останется обзвонить, чтобы найти угонщика с соответствующей травмой.
И спросить у него, где скутер.

Да, еще седловин надо несколько штук купить(с разной начинкой сделать)... *ROFL*

_________________
Motowell Magnet RS 50cc 2T + вентилятор радиатора Scythe GentleTyphoon 5400 об/мин
Изображение


Вернуться наверх
 Профиль  
 
 Заголовок сообщения: Re: Вопрос к гуру: Проект сигнализация!
СообщениеДобавлено: 20 Jun 2012, 13:18 
Не в сети
Гуру ремонта
Гуру ремонта
Аватар пользователя

Зарегистрирован: 20 Mar 2009, 23:12
Сообщений: 19841
Откуда: Бронницы
Поблагодарил: раз(а)
Поблагодарили: раз(а)
Медали: 4
За полезные и полные ответы. (1) За тех. помощь 1-й степени (1) За тех. помощь 2-й степени (1) За вклад в развитие клуба (1)
Скутер: Irbis Nirvana 150 уже 175сс
Стаж: Мото 21,скутер 4года
Чехлов на сиденье.
А в начинку соль с красным перцем(не с болгарским).

_________________
Попытка прочесть книгу, не открыв её - обречена на провал.


Вернуться наверх
 Профиль  
 
 Заголовок сообщения: Re: Вопрос к гуру: Проект сигнализация!
СообщениеДобавлено: 20 Jun 2012, 13:22 
Не в сети
Старожил
Старожил
Аватар пользователя

Зарегистрирован: 18 Dec 2010, 19:18
Сообщений: 1288
Откуда: Саранск, Мордовия
Поблагодарил: раз(а)
Поблагодарили: раз(а)
Медали: 1
За тех. помощь 1-й степени (1)
Скутер: Atlant Calypso 150cc
Стаж: 5
GRO писал(а):
Чехлов на сиденье.
А в начинку соль с красным перцем(не с болгарским).

Или стручок целиком - некоторые любят погорячее

_________________
ДрррррррррррррррррpppРРРРрppрррррДрррррррррррр
150cc.ru


Вернуться наверх
 Профиль  
 
 Заголовок сообщения: Re: Вопрос к гуру: Проект сигнализация!
СообщениеДобавлено: 20 Jun 2012, 14:54 
Не в сети
Бывалый
Бывалый
Аватар пользователя

Зарегистрирован: 23 Jul 2009, 13:40
Сообщений: 389
Откуда: Краснодарский край, г.Кореновск
Поблагодарил: раз(а)
Поблагодарили: раз(а)
Скутер: STELS Vortex 50 2T, теперь Motowell Magnet RS 2T
Стаж: 4 года, RS: 6к км
Смех-смехом,- а за нанесения телесных повреждений и срок дать могут...
Прийдет сигналка,- замеряю что у нее появляется/исчезает на выходах и исходя из этого уже буду далее наращивать защиту.
Итак, подитожим:
1. Cигналка с mp3 - в сток.
2. Сигналка с обратной связью и автономной сиреной в секретном/труднодоступном месте.
3. Попытка установки, через реле,- разрыва провода датчика Холла.
4. Попытка установки, через реле,- электромагнитного клапана бензопровода.
5. Сгоревший комут в сток(провода отрезаны внутри жгута), вывод в скрытом месте проводки комута на нестандартный влагозащищенный разъем.
6. Мото-иммобилайзер(сцуко, дорогой, :CENS: ля)
7. GPS GSM маяк(сцуко, так же).

_________________
Motowell Magnet RS 50cc 2T + вентилятор радиатора Scythe GentleTyphoon 5400 об/мин
Изображение


Вернуться наверх
 Профиль  
 
 Заголовок сообщения: Re: Вопрос к гуру: Проект сигнализация!
СообщениеДобавлено: 21 Jun 2012, 00:22 
Не в сети
Старожил
Старожил
Аватар пользователя

Зарегистрирован: 03 Oct 2008, 22:46
Сообщений: 8022
Откуда: Киев
Поблагодарил: раз(а)
Поблагодарили: раз(а)
Медали: 4
За тех. помощь 1-й степени (1) За тех. помощь 2-й степени (1) За статью 1-й степени. (1) За вклад в развитие клуба (1)
Скутер: 180-т4 и 150-Т4;
Стаж: 30
GRO
Рома, прикинь , у меня была такая мысль,поставить взрывпакеты, когда в ночь две моих "катастрофы" угнали....
Блин, как оно мечтается, чтобы им жопы разорвало....
Потом вывел концы под пакет с хлорпикрином в машине. (ставил парню примитив на базе иммобилайзера, он машину на третьем светофоре нашел, сработали по таймеру).
Себе не поставил. Сам забуду, нажму и задохнусь. Или забуду что нажать... :-D ё

Но про эту глупость от ТС , даже не хочу разговаривать.
ОН ничего не ПРИДУМАЛ и понты тут воротит, ни разу ничего не сделав.

VIsTA Любой инженер, в том числе и радиоинженер, оценивает задачу, и стоимость её решения, и эффективность затеи, если он не идиот...
ТО ЧТО ТЫ ПРИДУМАЛ,-ГЕМОРОЙ!!!
Хочешь ,-делай.
Хочешь, -поможем.
Но если мне ЭТО даром не надо, и это не ставят штатно,то...
Короче..... Что тебе подсказать? Из любого сигнала сделаем любой. Это называется СОГЛАСОВАНИЕ.
Сразу скажу , с изначальным вопросом типа " что там на разъёме" , лучше не лезть.
Тебе должно быть по хрен, что там на разъеме. Ты должен уметь измерить сам всё и рассказать "что там".
Только некому.
Глупые затеи никому неинтересны.

_________________
Теория,-все знают как, ничего не работает
Практика,-все работает, никто не знает почему
Соединяем,-"Теория+Практика",-Ничего не работает и никто не знает, почему.


Вернуться наверх
 Профиль  
 
 Заголовок сообщения: Re: Вопрос к гуру: Проект сигнализация!
СообщениеДобавлено: 21 Jun 2012, 07:39 
Не в сети
Бывалый
Бывалый
Аватар пользователя

Зарегистрирован: 23 Jul 2009, 13:40
Сообщений: 389
Откуда: Краснодарский край, г.Кореновск
Поблагодарил: раз(а)
Поблагодарили: раз(а)
Скутер: STELS Vortex 50 2T, теперь Motowell Magnet RS 2T
Стаж: 4 года, RS: 6к км
Эпикуреец писал(а):
VIsTA Любой инженер, в том числе и радиоинженер, оценивает задачу, и стоимость её решения, и эффективность затеи, если он не идиот...

Иные свой скут на платную GPS-охрану ставят, и эффективно и стоит того. Но я хочу сделать нестандарт, тем более, что городок у нас маленький и об каких-либо угонах, практически не слышно. Пару раз слышал, но угоняли в основном одинаково-неприметных маленких япошек, типа Дио. У меня сейчас скутер единственный в городе, если не в крае. Может и не угонят, но если и угонят,- у нас Кавказ большой....внедорожники да ;-) не находят...
Так, что много замков на двери мало не бывает.

Вспомнился анекдот с бородой про Сару и Абрама:
Вечер, в постели.
- Абрам! Ты дверь закрыл?
- Да, Сарочка!
- Абрам! На замок закрыл?
- Да, Сарочка!
- И на задвижку?
- Да, Сарочка!
- И на щеколдочку?
- Да, Сарочка!
- И на крючечек?
- Ой! Нет, Сарочка, забыл!
- Ну всё! Заходи, бери что хочешь!

Эпикуреец писал(а):
ТО ЧТО ТЫ ПРИДУМАЛ,-ГЕМОРОЙ!!!
Хочешь ,-делай.
Хочешь, -поможем.
Но если мне ЭТО даром не надо, и это не ставят штатно,то...

На то он и форум... :)
Эпикуреец писал(а):
Короче..... Что тебе подсказать? Из любого сигнала сделаем любой. Это называется СОГЛАСОВАНИЕ.

Вот это по нашему!
Эпикуреец писал(а):
Сразу скажу , с изначальным вопросом типа " что там на разъёме" , лучше не лезть.
Тебе должно быть по хрен, что там на разъеме. Ты должен уметь измерить сам всё и рассказать "что там".

Пока работала штатная сигналка, я такими измерениями как то и не заморачивался. Сигналка померла :'( , я ее выкинул. А вопрос задал, может кто и проводил измерения...
Эпикуреец писал(а):
Глупые затеи никому неинтересны.

Попробую возразить... На глупых затеях прогресс движется...Писатели-фантасты фантазируют глупости,- а мы потом этими глупостями пользуемся и радуемся. А в свое время эти затеи считались глупостью... Каждой затее свое время.
Эпикуреец, вот ты твердишь об эффективности, экономической выгоде..., а вот скажи: ты себе любимому во всем экономишь?
Если б ты заведовал заводом по выпуску скутеров, то да,- просчитывай, экономь, урезай, т.к. тебе себестоимость нужна пониже. Наверное и АвтоВАЗ именно так и довели до Гранды с ГБО. А в то время почти одногодка Hyundai Motor протестировал в Европе водородный двигатель на своем ix35... Вот такая экономическая целесообразность двух автозаводов... Видимо для АвтоВАЗа водородный двигатель - это ГЕММОРОЙ!!!

_________________
Motowell Magnet RS 50cc 2T + вентилятор радиатора Scythe GentleTyphoon 5400 об/мин
Изображение


Вернуться наверх
 Профиль  
 
 Заголовок сообщения: Re: Вопрос к гуру: Проект сигнализация!
СообщениеДобавлено: 21 Jun 2012, 09:43 
Не в сети
Старожил
Старожил
Аватар пользователя

Зарегистрирован: 18 Dec 2010, 19:18
Сообщений: 1288
Откуда: Саранск, Мордовия
Поблагодарил: раз(а)
Поблагодарили: раз(а)
Медали: 1
За тех. помощь 1-й степени (1)
Скутер: Atlant Calypso 150cc
Стаж: 5
Да проще купить метров 10 провода 4мм2 и обмотать им скутер

_________________
ДрррррррррррррррррpppРРРРрppрррррДрррррррррррр
150cc.ru


Вернуться наверх
 Профиль  
 
СообщениеСообщение было удалено | удалил: VIsTA | 21 Jun 2012, 15:51.
Причина: задвоение
 Заголовок сообщения: Re: Вопрос к гуру: Проект сигнализация!
СообщениеДобавлено: 21 Jun 2012, 15:50 
Не в сети
Бывалый
Бывалый
Аватар пользователя

Зарегистрирован: 23 Jul 2009, 13:40
Сообщений: 389
Откуда: Краснодарский край, г.Кореновск
Поблагодарил: раз(а)
Поблагодарили: раз(а)
Скутер: STELS Vortex 50 2T, теперь Motowell Magnet RS 2T
Стаж: 4 года, RS: 6к км
mad_plumber писал(а):
Да проще купить метров 10 провода 4мм2 и обмотать им скутер

Проще продать скутер: нет скутера,- нет проблем! :-D

_________________
Motowell Magnet RS 50cc 2T + вентилятор радиатора Scythe GentleTyphoon 5400 об/мин
Изображение


Вернуться наверх
 Профиль  
 
 Заголовок сообщения: Re: Вопрос к гуру: Проект сигнализация!
СообщениеДобавлено: 21 Jun 2012, 21:16 
Не в сети
Старожил
Старожил
Аватар пользователя

Зарегистрирован: 03 Oct 2008, 22:46
Сообщений: 8022
Откуда: Киев
Поблагодарил: раз(а)
Поблагодарили: раз(а)
Медали: 4
За тех. помощь 1-й степени (1) За тех. помощь 2-й степени (1) За статью 1-й степени. (1) За вклад в развитие клуба (1)
Скутер: 180-т4 и 150-Т4;
Стаж: 30
Ну поставь на ручки золотые кольца. И деньги потратишь себе любимому и результат такой же. Только без хлопот :)

_________________
Теория,-все знают как, ничего не работает
Практика,-все работает, никто не знает почему
Соединяем,-"Теория+Практика",-Ничего не работает и никто не знает, почему.


Вернуться наверх
 Профиль  
 
 Заголовок сообщения: Re: Вопрос к гуру: Проект сигнализация!
СообщениеДобавлено: 22 Jun 2012, 08:31 
Не в сети
Бывалый
Бывалый
Аватар пользователя

Зарегистрирован: 23 Jul 2009, 13:40
Сообщений: 389
Откуда: Краснодарский край, г.Кореновск
Поблагодарил: раз(а)
Поблагодарили: раз(а)
Скутер: STELS Vortex 50 2T, теперь Motowell Magnet RS 2T
Стаж: 4 года, RS: 6к км
Эпикуреец писал(а):
Ну поставь на ручки золотые кольца. И деньги потратишь себе любимому и результат такой же. Только без хлопот :)

Хм..Ну некоторые себе самолеты сусальным золотом покрывают... Или баблос, или отсос... :-D

Ладно, Эпикуреец, раз назвался гуру электроники, то хотябы подскажи:
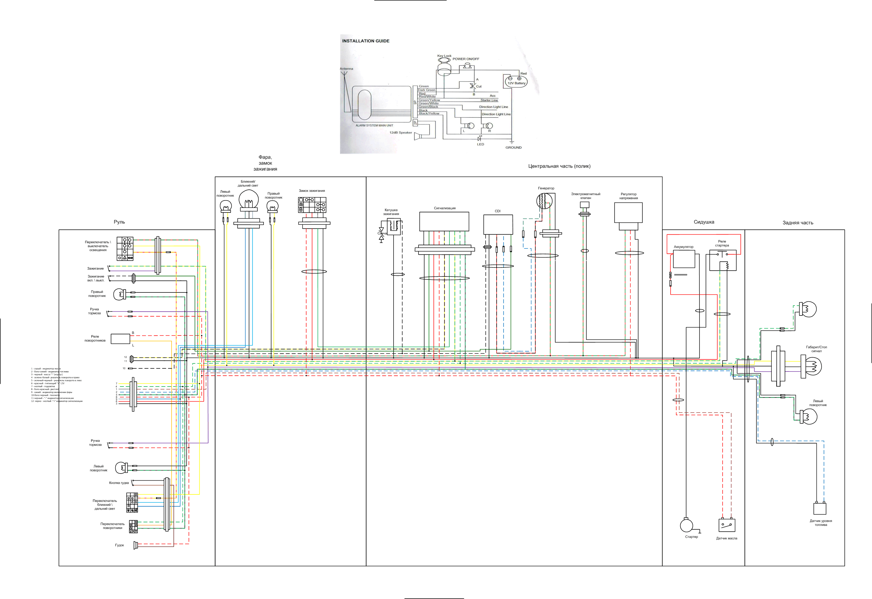
Нашел сигналку со своего первого аварийного скута STELS Vortex 50cc 2T, схема подключения стелса есть, эл.схема магнитаРС тоже есть. Попытался перекинуть коннекты на разъеме, но где-то не так подключил... При подключении сигналки включается приборка и скут можно завести, только если не подсоединять жестко выведенную массу с сигналки, т.к сразу же глушится скут. С брелка не реагирует...


Вложения:
Комментарий к файлу: схема скута и сигналки
Эл.схема-MAGNET-RS и сигналки.jpg
Эл.схема-MAGNET-RS и сигналки.jpg [ 766.07 KiB | Просмотров: 5572 ]

_________________
Motowell Magnet RS 50cc 2T + вентилятор радиатора Scythe GentleTyphoon 5400 об/мин
Изображение
Вернуться наверх
 Профиль  
 
 Заголовок сообщения: Re: Вопрос к гуру: Проект сигнализация!
СообщениеДобавлено: 22 Jun 2012, 08:43 
Не в сети
Гуру ремонта
Гуру ремонта
Аватар пользователя

Зарегистрирован: 20 Mar 2009, 23:12
Сообщений: 19841
Откуда: Бронницы
Поблагодарил: раз(а)
Поблагодарили: раз(а)
Медали: 4
За полезные и полные ответы. (1) За тех. помощь 1-й степени (1) За тех. помощь 2-й степени (1) За вклад в развитие клуба (1)
Скутер: Irbis Nirvana 150 уже 175сс
Стаж: Мото 21,скутер 4года
VIsTA
У стелсов Зажигание DC-CDI.
То есть коммутатор питается от постоянки.
Соответственно будет немного иная схема подключения сигналки, нежели на среднестатистических китайских скутерах, с AC-CDI коммутаторами.

_________________
Попытка прочесть книгу, не открыв её - обречена на провал.


Вернуться наверх
 Профиль  
 
 Заголовок сообщения: Re: Вопрос к гуру: Проект сигнализация!
СообщениеДобавлено: 22 Jun 2012, 09:37 
Не в сети
Бывалый
Бывалый
Аватар пользователя

Зарегистрирован: 23 Jul 2009, 13:40
Сообщений: 389
Откуда: Краснодарский край, г.Кореновск
Поблагодарил: раз(а)
Поблагодарили: раз(а)
Скутер: STELS Vortex 50 2T, теперь Motowell Magnet RS 2T
Стаж: 4 года, RS: 6к км
GRO писал(а):
VIsTA
У стелсов Зажигание DC-CDI.
То есть коммутатор питается от постоянки.
Соответственно будет немного иная схема подключения сигналки, нежели на среднестатистических китайских скутерах, с AC-CDI коммутаторами.

Так, как же мне ее подключить?
Вот электрическая схема STELS:
Вроде подключение коммутатора такое же... *DONT_KNOW*


Вложения:
электрики Stels Skif 50 2T.gif
электрики Stels Skif 50 2T.gif [ 231.97 KiB | Просмотров: 5569 ]

_________________
Motowell Magnet RS 50cc 2T + вентилятор радиатора Scythe GentleTyphoon 5400 об/мин
Изображение
Вернуться наверх
 Профиль  
 
 Заголовок сообщения: Re: Вопрос к гуру: Проект сигнализация!
СообщениеДобавлено: 22 Jun 2012, 14:57 
Не в сети
Гуру ремонта
Гуру ремонта
Аватар пользователя

Зарегистрирован: 20 Mar 2009, 23:12
Сообщений: 19841
Откуда: Бронницы
Поблагодарил: раз(а)
Поблагодарили: раз(а)
Медали: 4
За полезные и полные ответы. (1) За тех. помощь 1-й степени (1) За тех. помощь 2-й степени (1) За вклад в развитие клуба (1)
Скутер: Irbis Nirvana 150 уже 175сс
Стаж: Мото 21,скутер 4года
VIsTA
Ищи распиновку ихнего коммутатора, ставь дополнительный разъём в цепь зажигания для подключения второго коммутатора.
Разумеется коммутаоры не будут работать одновременно, так что подключать их придётся не одновременно.

_________________
Попытка прочесть книгу, не открыв её - обречена на провал.


Вернуться наверх
 Профиль  
 
 Заголовок сообщения: Re: Вопрос к гуру: Проект сигнализация!
СообщениеДобавлено: 22 Jun 2012, 15:14 
Не в сети
Бывалый
Бывалый
Аватар пользователя

Зарегистрирован: 23 Jul 2009, 13:40
Сообщений: 389
Откуда: Краснодарский край, г.Кореновск
Поблагодарил: раз(а)
Поблагодарили: раз(а)
Скутер: STELS Vortex 50 2T, теперь Motowell Magnet RS 2T
Стаж: 4 года, RS: 6к км
GRO писал(а):
VIsTA
Ищи распиновку ихнего коммутатора, ставь дополнительный разъём в цепь зажигания для подключения второго коммутатора.
Разумеется коммутаоры не будут работать одновременно, так что подключать их придётся не одновременно.

Все что есть,- это схема мотовела, см. пост еще выше.

_________________
Motowell Magnet RS 50cc 2T + вентилятор радиатора Scythe GentleTyphoon 5400 об/мин
Изображение


Вернуться наверх
 Профиль  
 
Показать сообщения за:  Сортировать по:  
Начать новую тему Ответить на тему  [ Сообщений: 59 ]  На страницу Пред.  1, 2, 3, 4  След.

Часовой пояс: UTC + 3 часа


Кто сейчас на форуме

Сейчас этот форум просматривают: нет зарегистрированных пользователей и гости: 1


Вы не можете начинать темы
Вы не можете отвечать на сообщения
Вы не можете редактировать свои сообщения
Вы не можете удалять свои сообщения
Вы не можете добавлять вложения

Перейти:  
Powered by phpBB © phpBB Group
china-scooter.ru © 2006-2019