Клуб любителей китайских скутеров

Форум клуба любителей китайских скутеров

      
Текущее время: 15 дек 2025, 05:04

Часовой пояс: UTC + 3 часа


Правила форума


Посмотреть правила форума



Начать новую тему Ответить на тему  [ Сообщений: 28 ]  На страницу 1, 2  След.
Автор Сообщение
 Заголовок сообщения: Перегорают лампочки
СообщениеДобавлено: 13 дек 2008, 19:16 
Не в сети
Наблюдатель

Зарегистрирован: 13 дек 2008, 19:01
Сообщений: 3
Поблагодарил: раз(а)
Поблагодарили: раз(а)
Скутер: Нету
При проверке на выходе генератора было 35 вольт (дать газу типа старта с места) Реле-регулятор ака Voltage regulator был заменен, но проблема осталась.
На аккамулятор зарядка не идет - нету выхода с реле-регулятора (как было 11,5 вольт так и остается как ни газуй)
В чем проблема?


Вернуться наверх
 Профиль  
 
 Заголовок сообщения: Re: Перегорают лампочки
СообщениеДобавлено: 13 дек 2008, 21:34 
Не в сети
Интересующийся
Интересующийся
Аватар пользователя

Зарегистрирован: 19 ноя 2008, 16:17
Сообщений: 25
Откуда: дзержинск (52rus)
Поблагодарил: раз(а)
Поблагодарили: раз(а)
Скутер: gx ranger
Стаж: 3,5
так на входе регулятора как я понял 35v а на выходе 11,5v значит все работает, в чем проблема -может я что не так понял? *DONT_KNOW*


Вернуться наверх
 Профиль  
 
 Заголовок сообщения: Re: Перегорают лампочки
СообщениеДобавлено: 13 дек 2008, 21:41 
Не в сети
Бывалый
Бывалый

Зарегистрирован: 08 сен 2008, 00:18
Сообщений: 381
Откуда: Тамбовская губерния
Поблагодарил: раз(а)
Поблагодарили: раз(а)
Скутер: SYM GTS 300i, GX Jetta 90cc
Стаж: Уже не первый год
11,5 В на аккумуляторе или на выходе регулятора? Если на выходе напряжение 13-17 В, значит регулятор работает, а цепь на аккумулятор в обрыве.
Если в обеих точках 11,5 В, то может, отсутствует масса на регуляторе.
А где лампочки-то перегорают? На фарах?
В электротехнике, как известно, чудес не бывает, бывают плохие контакты...

_________________
Тише едешь - дольше будешь...
http://moto68.ru


Вернуться наверх
 Профиль  
 
 Заголовок сообщения: Re: Перегорают лампочки
СообщениеДобавлено: 13 дек 2008, 22:07 
Не в сети
Наблюдатель

Зарегистрирован: 13 дек 2008, 19:01
Сообщений: 3
Поблагодарил: раз(а)
Поблагодарили: раз(а)
Скутер: Нету
Горят лампочки на фарах и габаритки спереди
Если обрыв в цепи аккумулятора, то почему ВСЕ работает?


Вернуться наверх
 Профиль  
 
 Заголовок сообщения: Re: Перегорают лампочки
СообщениеДобавлено: 13 дек 2008, 22:53 
Не в сети
Бывалый
Бывалый

Зарегистрирован: 08 сен 2008, 00:18
Сообщений: 381
Откуда: Тамбовская губерния
Поблагодарил: раз(а)
Поблагодарили: раз(а)
Скутер: SYM GTS 300i, GX Jetta 90cc
Стаж: Уже не первый год
Обрыв может быть не в цепи аккумулятора, а от регулятора НА аккумулятор. Всё остальное продолжает работать от аккумулятора. Цепь зажигания вообще отдельная.
Но, похоже, отсутствует "-" на регуляторе. Из-за этого напряжение на фарах повышено, лампочки и перегорают.

_________________
Тише едешь - дольше будешь...
http://moto68.ru


Вернуться наверх
 Профиль  
 
 Заголовок сообщения: Re: Перегорают лампочки
СообщениеДобавлено: 13 дек 2008, 23:09 
Не в сети
Наблюдатель

Зарегистрирован: 13 дек 2008, 19:01
Сообщений: 3
Поблагодарил: раз(а)
Поблагодарили: раз(а)
Скутер: Нету
Но регулятор был прикручен намертво, и второй тоже прикрутили как было, минус должен быть , внутри не может оборваться сразу у двоих


Вернуться наверх
 Профиль  
 
 Заголовок сообщения: Re: Перегорают лампочки
СообщениеДобавлено: 13 дек 2008, 23:34 
Не в сети
Старожил
Старожил
Аватар пользователя

Зарегистрирован: 20 апр 2007, 21:20
Сообщений: 2828
Откуда: Германия
Поблагодарил: раз(а)
Поблагодарили: раз(а)
Скутер: 139QMB
Стаж: 7
Загрузочный резистор в порядке? Проверте сопротивление.

_________________
Продумано не сказано!
Сказано не услышано!
Услышано не понято!
Понято не принято!
Принято не сделано!
Сделано не законченно!


Вернуться наверх
 Профиль  
 
 Заголовок сообщения: Re: Перегорают лампочки
СообщениеДобавлено: 14 дек 2008, 00:11 
Не в сети
Бывалый
Бывалый

Зарегистрирован: 08 сен 2008, 00:18
Сообщений: 381
Откуда: Тамбовская губерния
Поблагодарил: раз(а)
Поблагодарили: раз(а)
Скутер: SYM GTS 300i, GX Jetta 90cc
Стаж: Уже не первый год
konti1679 писал(а):
Загрузочный резистор в порядке? Проверте сопротивление.

Верно. Балластный резистор тоже может быть не в порядке.

_________________
Тише едешь - дольше будешь...
http://moto68.ru


Вернуться наверх
 Профиль  
 
 Заголовок сообщения: Re: Перегорают лампочки
СообщениеДобавлено: 14 дек 2008, 19:25 
Не в сети
Новичок
Новичок

Зарегистрирован: 26 июн 2008, 14:20
Сообщений: 77
Откуда: Санкт-Петербург
Поблагодарил: раз(а)
Поблагодарили: раз(а)
Скутер: HONDA LEAD 100,мАпед RAPTORS2-200cc
Блин,а разве свет на фары через регулятор идет?Помоему на всех схемах он напрямую от генератора!А регулятор здесь толко на аккумулятор!
С уважением!

_________________
В умелых руках и х@й-балалайка!
Китайский скутер-как хорошая японская говоломка!(с)


Вернуться наверх
 Профиль  
 
 Заголовок сообщения: Re: Перегорают лампочки
СообщениеДобавлено: 14 дек 2008, 20:07 
Не в сети
Старожил
Старожил
Аватар пользователя

Зарегистрирован: 20 апр 2007, 21:20
Сообщений: 2828
Откуда: Германия
Поблагодарил: раз(а)
Поблагодарили: раз(а)
Скутер: 139QMB
Стаж: 7
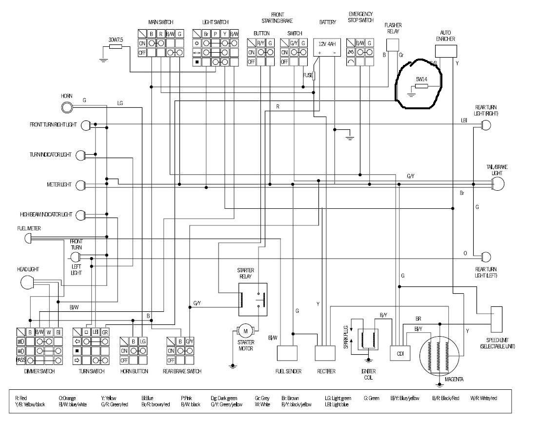
Переменный с генератора жёлтый, на переключатель света, сине-белый к переключателю дальнего света, синий и белый к лампочкам, зелёный провод уходит на массу, через загрузочный резистор.
Вложение:
15771c28ef26.jpg
15771c28ef26.jpg [ 289.14 KiB | Просмотров: 3800 ]

_________________
Продумано не сказано!
Сказано не услышано!
Услышано не понято!
Понято не принято!
Принято не сделано!
Сделано не законченно!


Вернуться наверх
 Профиль  
 
 Заголовок сообщения: Re: Перегорают лампочки
СообщениеДобавлено: 15 дек 2008, 02:12 
Не в сети
Бывалый
Бывалый

Зарегистрирован: 08 сен 2008, 00:18
Сообщений: 381
Откуда: Тамбовская губерния
Поблагодарил: раз(а)
Поблагодарили: раз(а)
Скутер: SYM GTS 300i, GX Jetta 90cc
Стаж: Уже не первый год
Wersa писал(а):
Блин,а разве свет на фары через регулятор идет?

Переменное напряжение на фары (жёлтый провод) подаётся относительно "массы" (зелёный провод), а не напрямую с генератора. С него может идти и 70 В, никакие лампочки этого не вынесут. Балластный резистор шунтирует (закорачивает на массу) эту цепь. Причём в такой степени, в какой позволит регулятор. А он позволяет в зависимости от входного напряжения с генератора (между жёлтым и белым проводом). Чем оно больше, тем больше надо гасить на нагрузочном резисторе, подавая на него бОльшую часть полупериода (сдвигая фазу).
Если я ошибся, поправьте кто-нить.

_________________
Тише едешь - дольше будешь...
http://moto68.ru


Вернуться наверх
 Профиль  
 
 Заголовок сообщения: Re: Перегорают лампочки
СообщениеДобавлено: 15 дек 2008, 20:40 
Не в сети
Новичок
Новичок

Зарегистрирован: 26 июн 2008, 14:20
Сообщений: 77
Откуда: Санкт-Петербург
Поблагодарил: раз(а)
Поблагодарили: раз(а)
Скутер: HONDA LEAD 100,мАпед RAPTORS2-200cc
Все правильно!

_________________
В умелых руках и х@й-балалайка!
Китайский скутер-как хорошая японская говоломка!(с)


Вернуться наверх
 Профиль  
 
 Заголовок сообщения: Re: Перегорают лампочки
СообщениеДобавлено: 16 дек 2008, 22:13 
Не в сети
Старожил
Старожил
Аватар пользователя

Зарегистрирован: 20 апр 2007, 21:20
Сообщений: 2828
Откуда: Германия
Поблагодарил: раз(а)
Поблагодарили: раз(а)
Скутер: 139QMB
Стаж: 7
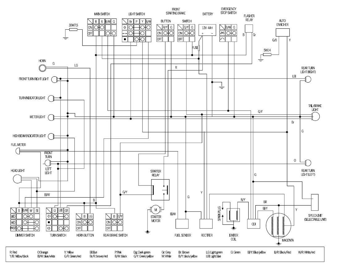
Тут другой план. По этому плану загрузочный резистор включается при выключенном ближнем и дальнем свете.
В этом случае наши рассуждения не верны.


Вложения:
Unbenannt.JPG
Unbenannt.JPG [ 258.73 KiB | Просмотров: 3751 ]

_________________
Продумано не сказано!
Сказано не услышано!
Услышано не понято!
Понято не принято!
Принято не сделано!
Сделано не законченно!
Вернуться наверх
 Профиль  
 
 Заголовок сообщения: Re: Перегорают лампочки
СообщениеДобавлено: 16 дек 2008, 22:44 
Не в сети
Бывалый
Бывалый
Аватар пользователя

Зарегистрирован: 02 ноя 2007, 21:30
Сообщений: 335
Откуда: Москва
Поблагодарил: раз(а)
Поблагодарили: раз(а)
Медали: 1
За болото. (1)
Скутер: JOG Art. Sp. & BT49QT-9
konti1679 писал(а):
Переменный с генератора жёлтый, на переключатель света, сине-белый к переключателю дальнего света, синий и белый к лампочкам, зелёный провод уходит на массу, через загрузочный резистор.


А поподробнее - ну не пальцем, а по подписи на рисунке - подскажите, где же найти этот загрузочный резистор ? Долго смотрел - отыскать не мог :( Вот стартовый обогатитель карбюратора - нашел, а загрузочного резистора - нет :(


А вот во второй схеме - нагрузочный резистор есть и он действительно включается только тогда, когда не горит ближний или дальний свет. Т.е. генератор всегда нагружен на примерно постоянную нагрузку.


Последний раз редактировалось BlackCat_2 16 дек 2008, 22:49, всего редактировалось 1 раз.

Вернуться наверх
 Профиль  
 
 Заголовок сообщения: Re: Перегорают лампочки
СообщениеДобавлено: 16 дек 2008, 22:48 
Не в сети
Старожил
Старожил
Аватар пользователя

Зарегистрирован: 07 авг 2007, 11:27
Сообщений: 2239
Откуда: МСК, ВАО, дом 5, корпус 37/11, строение 76Б, спросить Клаву Васильевну
Поблагодарил: раз(а)
Поблагодарили: раз(а)
Скутер: matrix180, fmb50, зид175, ЛВЗ50))
Стаж: н/у
а с измерения напряжения на разных потребителях, начинать не пробовали? 8-) Ну ладно, на акке так мало, а в др местах?
Прежде чем загадки про резистор загадывать)) Кста может быть элементарный коротыш - потому и просадка такая на заряд батарейки.

про резюк:


Вложения:
Комментарий к файлу: ежели не ошибаюсь - вот и резюк
Unbenannt.JPG
Unbenannt.JPG [ 121.32 KiB | Просмотров: 3717 ]

_________________
К И Т А Й - Г_ ВНО!(с)Х 2 раза Если у вас проблемы с прочтением подписи, обратитесь к модераторам.


Последний раз редактировалось Yegor 16 дек 2008, 22:53, всего редактировалось 1 раз.
Вернуться наверх
 Профиль  
 
Показать сообщения за:  Сортировать по:  
Начать новую тему Ответить на тему  [ Сообщений: 28 ]  На страницу 1, 2  След.

Часовой пояс: UTC + 3 часа


Кто сейчас на форуме

Сейчас этот форум просматривают: нет зарегистрированных пользователей и гости: 9


Вы не можете начинать темы
Вы не можете отвечать на сообщения
Вы не можете редактировать свои сообщения
Вы не можете удалять свои сообщения
Вы не можете добавлять вложения

Перейти:  
cron
Powered by phpBB © phpBB Group
china-scooter.ru © 2006-2019