Клуб любителей китайских скутеров

Форум клуба любителей китайских скутеров

      
Текущее время: 18 дек 2025, 04:18

Часовой пояс: UTC + 3 часа


Правила форума


Посмотреть правила форума



Начать новую тему Ответить на тему  [ Сообщений: 307 ]  На страницу Пред.  1 ... 14, 15, 16, 17, 18, 19, 20, 21  След.
Автор Сообщение
 Заголовок сообщения: Re: Подсветка под скут
СообщениеДобавлено: 08 май 2010, 01:35 
Не в сети
Гуру ремонта
Гуру ремонта
Аватар пользователя

Зарегистрирован: 20 мар 2009, 23:12
Сообщений: 19841
Откуда: Бронницы
Поблагодарил: раз(а)
Поблагодарили: раз(а)
Медали: 4
За полезные и полные ответы. (1) За тех. помощь 1-й степени (1) За тех. помощь 2-й степени (1) За вклад в развитие клуба (1)
Скутер: Irbis Nirvana 150 уже 175сс
Стаж: Мото 21,скутер 4года
Stats
Значит дело не в переменке, а в неправильном её понимании!
Если выпрямленная и сглаженная синусоида в итоге выдаёт 14 вольт, то в пике самой синусоиды мы имеем около 18 вольт!

_________________
Попытка прочесть книгу, не открыв её - обречена на провал.


Вернуться наверх
 Профиль  
 
 Заголовок сообщения: Re: Подсветка под скут
СообщениеДобавлено: 08 май 2010, 10:11 
Не в сети
Опытный
Опытный
Аватар пользователя

Зарегистрирован: 26 ноя 2009, 19:16
Сообщений: 795
Откуда: Курган
Поблагодарил: раз(а)
Поблагодарили: раз(а)
Скутер: RACER PROTON 4T Naraku Big Bore 89cc
Стаж: 3 года
да от переменки это!!!!!!!!!!!!!!!!!!!!!!!!!!!!!!!!!!!!!!!!!!!!!!!!!!!!!!!!!!!!!!!!!!!!!!!!!!!!!!!!!!!!было бы это не от переменки тогда бы все приборы,усилки и так далее горели бы нафиг!!!!!!!!!!!!!!1


Вернуться наверх
 Профиль  
 
 Заголовок сообщения: Re: Подсветка под скут
СообщениеДобавлено: 08 май 2010, 11:05 
Не в сети
Гуру ремонта
Гуру ремонта
Аватар пользователя

Зарегистрирован: 20 мар 2009, 23:12
Сообщений: 19841
Откуда: Бронницы
Поблагодарил: раз(а)
Поблагодарили: раз(а)
Медали: 4
За полезные и полные ответы. (1) За тех. помощь 1-й степени (1) За тех. помощь 2-й степени (1) За вклад в развитие клуба (1)
Скутер: Irbis Nirvana 150 уже 175сс
Стаж: Мото 21,скутер 4года
LeoneLLL
Нет!
Немного освежить теорию не помешает!
Синусоида переменки, в своём пике, имеет напряжение на 1/4 - 1/3 выше, нежели выпрямленное напряжение из этой же синусоиды!
Незабывай о падении напряжения на выпрямителе и сглаживании его за счёт АКБ!

_________________
Попытка прочесть книгу, не открыв её - обречена на провал.


Вернуться наверх
 Профиль  
 
 Заголовок сообщения: Re: Подсветка под скут
СообщениеДобавлено: 08 май 2010, 12:07 
Не в сети
Опытный
Опытный
Аватар пользователя

Зарегистрирован: 13 июл 2009, 10:02
Сообщений: 604
Откуда: г. Омск
Поблагодарил: раз(а)
Поблагодарили: раз(а)
Скутер: Stels Tactic 50 2t
Стаж: 2 года
GRO
ну хорошо, подобрали мы правильный резистор с запасом, припаяли его на плюсовую ножку светодиода и поставили заместо обычной лампочки габаритов...в итоги у нас все равно получиться слабосветящий мигающий светодиод...который в очень скором времени все равно сгорит...т.к. постоянно меняющееся полярность переменного тока просто напросто сжигает светодиод *DONT_KNOW*
нашел схемку для подключения светодиода к переменке...резистор можно исключить так как светодиод на 12 v, осталось только узнать какой необходимо поставить диод.
Вложение:
shema_podklyucheniya_svetodioda_2.png
shema_podklyucheniya_svetodioda_2.png [ 25.72 KiB | Просмотров: 4808 ]

_________________
Не можеш sr@tь, не мучай popy!!!


Вернуться наверх
 Профиль  
 
 Заголовок сообщения: Re: Подсветка под скут
СообщениеДобавлено: 08 май 2010, 17:08 
Не в сети
Гуру ремонта
Гуру ремонта
Аватар пользователя

Зарегистрирован: 20 мар 2009, 23:12
Сообщений: 19841
Откуда: Бронницы
Поблагодарил: раз(а)
Поблагодарили: раз(а)
Медали: 4
За полезные и полные ответы. (1) За тех. помощь 1-й степени (1) За тех. помощь 2-й степени (1) За вклад в развитие клуба (1)
Скутер: Irbis Nirvana 150 уже 175сс
Стаж: Мото 21,скутер 4года
Stats
Диод на 12 вольт, просто обязан сгореть от переменки с пиком синусоиды 18 вольт! :-D
Чисто технически это всё равно диод!
Тоесть в обратную он ток не пропускает!
Его убивает только прямой ток!
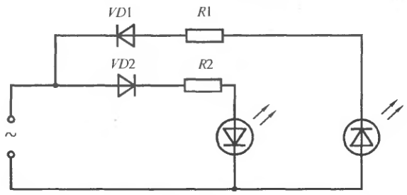
А чтобы не моргал, надо подключить так:


Вложения:
1.jpg
1.jpg [ 17.18 KiB | Просмотров: 4806 ]

_________________
Попытка прочесть книгу, не открыв её - обречена на провал.
Вернуться наверх
 Профиль  
 
 Заголовок сообщения: Re: Подсветка под скут
СообщениеДобавлено: 08 май 2010, 18:26 
Не в сети
Опытный
Опытный
Аватар пользователя

Зарегистрирован: 13 июл 2009, 10:02
Сообщений: 604
Откуда: г. Омск
Поблагодарил: раз(а)
Поблагодарили: раз(а)
Скутер: Stels Tactic 50 2t
Стаж: 2 года
GRO писал(а):
Stats
Диод на 12 вольт, просто обязан сгореть от переменки с пиком синусоиды 18 вольт! :-D

ты хотел сказать светодиод:)...а как подбирать диод к такой схеме?

_________________
Не можеш sr@tь, не мучай popy!!!


Вернуться наверх
 Профиль  
 
 Заголовок сообщения: Re: Подсветка под скут
СообщениеДобавлено: 08 май 2010, 18:31 
Не в сети
Гуру ремонта
Гуру ремонта
Аватар пользователя

Зарегистрирован: 20 мар 2009, 23:12
Сообщений: 19841
Откуда: Бронницы
Поблагодарил: раз(а)
Поблагодарили: раз(а)
Медали: 4
За полезные и полные ответы. (1) За тех. помощь 1-й степени (1) За тех. помощь 2-й степени (1) За вклад в развитие клуба (1)
Скутер: Irbis Nirvana 150 уже 175сс
Стаж: Мото 21,скутер 4года
Там не высокое напряжение и токи маленькие, так что думаю пойдут практически любые диоды.
Возьми хотя бы КД105
Но лучше спаять мост.
На два диода больше и минус один конденсатор.
И пик напряжения снизиться до 14-16 вольт

_________________
Попытка прочесть книгу, не открыв её - обречена на провал.


Вернуться наверх
 Профиль  
 
 Заголовок сообщения: Re: Подсветка под скут
СообщениеДобавлено: 08 май 2010, 19:12 
Не в сети
Опытный
Опытный
Аватар пользователя

Зарегистрирован: 13 июл 2009, 10:02
Сообщений: 604
Откуда: г. Омск
Поблагодарил: раз(а)
Поблагодарили: раз(а)
Скутер: Stels Tactic 50 2t
Стаж: 2 года
я вот уже реально задумался, а стоят ли два светодиода в габаритах такой заморочки :004 поставить обычные лампочки и в рот оно чих-пых, как говорил Шура Каретный.

_________________
Не можеш sr@tь, не мучай popy!!!


Вернуться наверх
 Профиль  
 
 Заголовок сообщения: Re: Подсветка под скут
СообщениеДобавлено: 09 май 2010, 13:29 
Не в сети
Гуру ремонта
Гуру ремонта
Аватар пользователя

Зарегистрирован: 20 мар 2009, 23:12
Сообщений: 19841
Откуда: Бронницы
Поблагодарил: раз(а)
Поблагодарили: раз(а)
Медали: 4
За полезные и полные ответы. (1) За тех. помощь 1-й степени (1) За тех. помощь 2-й степени (1) За вклад в развитие клуба (1)
Скутер: Irbis Nirvana 150 уже 175сс
Стаж: Мото 21,скутер 4года
Stats
Стоит!
Потребление тока снизиться, соответственно больше будет запас по нагрузке на генератор.
Быстрее будет заряжаться АКБ.

_________________
Попытка прочесть книгу, не открыв её - обречена на провал.


Вернуться наверх
 Профиль  
 
 Заголовок сообщения: Re: Подсветка под скут
СообщениеДобавлено: 09 май 2010, 17:02 
Не в сети
Опытный
Опытный
Аватар пользователя

Зарегистрирован: 13 июл 2009, 10:02
Сообщений: 604
Откуда: г. Омск
Поблагодарил: раз(а)
Поблагодарили: раз(а)
Скутер: Stels Tactic 50 2t
Стаж: 2 года
GRO
я и так уже снизил потребление вытащив 3 лампочки по 2w из приборки и сделав подсветку по средствам светодиодной ленты, ну и на габаритах заместо 3w поставлю 2w? вот и выходит экономия при включенных габаритах целых 8w :)

_________________
Не можеш sr@tь, не мучай popy!!!


Вернуться наверх
 Профиль  
 
 Заголовок сообщения: Re: Подсветка под скут
СообщениеДобавлено: 09 май 2010, 19:42 
Не в сети
Гуру ремонта
Гуру ремонта
Аватар пользователя

Зарегистрирован: 20 мар 2009, 23:12
Сообщений: 19841
Откуда: Бронницы
Поблагодарил: раз(а)
Поблагодарили: раз(а)
Медали: 4
За полезные и полные ответы. (1) За тех. помощь 1-й степени (1) За тех. помощь 2-й степени (1) За вклад в развитие клуба (1)
Скутер: Irbis Nirvana 150 уже 175сс
Стаж: Мото 21,скутер 4года
Stats
8 Ватт это всего лишь 0,66 Ампер, при питании 12 вольт.

_________________
Попытка прочесть книгу, не открыв её - обречена на провал.


Вернуться наверх
 Профиль  
 
 Заголовок сообщения: Re: Подсветка под скут
СообщениеДобавлено: 10 май 2010, 20:32 
Не в сети
Опытный
Опытный
Аватар пользователя

Зарегистрирован: 13 июл 2009, 10:02
Сообщений: 604
Откуда: г. Омск
Поблагодарил: раз(а)
Поблагодарили: раз(а)
Скутер: Stels Tactic 50 2t
Стаж: 2 года
GRO
а что ты хочешь чтоб я 2 кв с экономил?))) Это скутер а не подстанция и 15w это максимум что можно выжать из режима включенных габаритов. так что даже те жи самые 8w на холостом ходу заметно отражаются на оборотах в положительную сторону.

_________________
Не можеш sr@tь, не мучай popy!!!


Вернуться наверх
 Профиль  
 
 Заголовок сообщения: Re: Подсветка под скут
СообщениеДобавлено: 11 май 2010, 15:26 
Не в сети
Бывалый
Бывалый
Аватар пользователя

Зарегистрирован: 19 ноя 2009, 12:59
Сообщений: 443
Поблагодарил: раз(а)
Поблагодарили: раз(а)
Скутер: stels tactic 100
Стаж: 3года
вот я себе сделал подсветочку)) на очереди подсветка клюва.
Качество с телефона((


Вложения:
P100510_18.28_[01].jpg
P100510_18.28_[01].jpg [ 1.18 MiB | Просмотров: 4856 ]
P100510_18.28.jpg
P100510_18.28.jpg [ 1.15 MiB | Просмотров: 4856 ]
P100510_18.26.jpg
P100510_18.26.jpg [ 1.11 MiB | Просмотров: 4856 ]
P100510_18.25_[01].jpg
P100510_18.25_[01].jpg [ 1.27 MiB | Просмотров: 4856 ]
P070510_17.38_[01].jpg
P070510_17.38_[01].jpg [ 1.17 MiB | Просмотров: 4856 ]
Вернуться наверх
 Профиль  
 
 Заголовок сообщения: Re: Подсветка под скут
СообщениеДобавлено: 11 май 2010, 15:29 
Не в сети
Бывалый
Бывалый
Аватар пользователя

Зарегистрирован: 19 ноя 2009, 12:59
Сообщений: 443
Поблагодарил: раз(а)
Поблагодарили: раз(а)
Скутер: stels tactic 100
Стаж: 3года
и ещё


Вложения:
P100510_18.31_[03].jpg
P100510_18.31_[03].jpg [ 1.03 MiB | Просмотров: 4856 ]
P100510_18.31_[02].jpg
P100510_18.31_[02].jpg [ 750.98 KiB | Просмотров: 4856 ]
P100510_18.31_[01].jpg
P100510_18.31_[01].jpg [ 962.82 KiB | Просмотров: 4856 ]
Вернуться наверх
 Профиль  
 
 Заголовок сообщения: Re: Подсветка под скут
СообщениеДобавлено: 11 май 2010, 15:48 
Не в сети
Опытный
Опытный
Аватар пользователя

Зарегистрирован: 26 ноя 2009, 19:16
Сообщений: 795
Откуда: Курган
Поблагодарил: раз(а)
Поблагодарили: раз(а)
Скутер: RACER PROTON 4T Naraku Big Bore 89cc
Стаж: 3 года
У меня так же,только дно ярче на много!)))))а так хорошо


Вернуться наверх
 Профиль  
 
Показать сообщения за:  Сортировать по:  
Начать новую тему Ответить на тему  [ Сообщений: 307 ]  На страницу Пред.  1 ... 14, 15, 16, 17, 18, 19, 20, 21  След.

Часовой пояс: UTC + 3 часа


Кто сейчас на форуме

Сейчас этот форум просматривают: нет зарегистрированных пользователей и гости: 1


Вы не можете начинать темы
Вы не можете отвечать на сообщения
Вы не можете редактировать свои сообщения
Вы не можете удалять свои сообщения
Вы не можете добавлять вложения

Перейти:  
Powered by phpBB © phpBB Group
china-scooter.ru © 2006-2019