Клуб любителей китайских скутеров

Форум клуба любителей китайских скутеров

      
Текущее время: 27 Mar 2026, 15:09

Часовой пояс: UTC + 3 часа


Правила форума


Посмотреть правила форума



Начать новую тему Ответить на тему  [ Сообщений: 189 ]  На страницу Пред.  1 ... 4, 5, 6, 7, 8, 9, 10 ... 13  След.
Автор Сообщение
 Заголовок сообщения: Re: БК на ATmega168
СообщениеДобавлено: 13 Feb 2012, 08:18 
Не в сети
Гуру ремонта
Гуру ремонта
Аватар пользователя

Зарегистрирован: 20 Mar 2009, 23:12
Сообщений: 19841
Откуда: Бронницы
Поблагодарил: раз(а)
Поблагодарили: раз(а)
Медали: 4
За полезные и полные ответы. (1) За тех. помощь 1-й степени (1) За тех. помощь 2-й степени (1) За вклад в развитие клуба (1)
Скутер: Irbis Nirvana 150 уже 175сс
Стаж: Мото 21,скутер 4года
полагаю, что можно попробовать такой вариант:


Вложения:
13.02.jpg
13.02.jpg [ 19.32 KiB | Просмотров: 4381 ]

_________________
Попытка прочесть книгу, не открыв её - обречена на провал.
Вернуться наверх
 Профиль  
 
 Заголовок сообщения: Re: БК на ATmega168
СообщениеДобавлено: 13 Feb 2012, 08:50 
Не в сети
Старожил
Старожил
Аватар пользователя

Зарегистрирован: 03 Sep 2007, 10:32
Сообщений: 1777
Откуда: Чувашия
Поблагодарил: раз(а)
Поблагодарили: раз(а)
Медали: 4
За тех. помощь 1-й степени (1) За тех. помощь 2-й степени (1) За вклад в развитие клуба (1) За инновации (1)
Скутер: KYMCO People S50 & XCiting 500
Стаж: 10
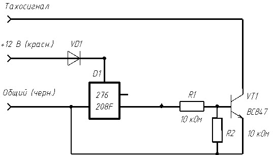
Я уже разобрал один, обнаружил такую схему:
Изображение
У микрухи 4 пина, слева направо если смотреть со стороны маркировки:
1. Тахосигнал
2. L1
3. L2
4. Земля


Вернуться наверх
 Профиль  
 
 Заголовок сообщения: Re: БК на ATmega168
СообщениеДобавлено: 13 Feb 2012, 08:53 
Не в сети
Гуру ремонта
Гуру ремонта
Аватар пользователя

Зарегистрирован: 20 Mar 2009, 23:12
Сообщений: 19841
Откуда: Бронницы
Поблагодарил: раз(а)
Поблагодарили: раз(а)
Медали: 4
За полезные и полные ответы. (1) За тех. помощь 1-й степени (1) За тех. помощь 2-й степени (1) За вклад в развитие клуба (1)
Скутер: Irbis Nirvana 150 уже 175сс
Стаж: Мото 21,скутер 4года
Думаю L1 и L2 можно игнорировать, поставить эквивалентные сопротивления.

_________________
Попытка прочесть книгу, не открыв её - обречена на провал.


Вернуться наверх
 Профиль  
 
 Заголовок сообщения: Re: БК на ATmega168
СообщениеДобавлено: 13 Feb 2012, 10:32 
Не в сети
Старожил
Старожил
Аватар пользователя

Зарегистрирован: 03 Sep 2007, 10:32
Сообщений: 1777
Откуда: Чувашия
Поблагодарил: раз(а)
Поблагодарили: раз(а)
Медали: 4
За тех. помощь 1-й степени (1) За тех. помощь 2-й степени (1) За вклад в развитие клуба (1) За инновации (1)
Скутер: KYMCO People S50 & XCiting 500
Стаж: 10
Лучше бы побольше сопротивления чтобы току много не жрало и не грелось.
Подобрать максимально возможные при которых работать нормально будет.
Скажем с 10кОм начиная.


Вернуться наверх
 Профиль  
 
 Заголовок сообщения: Re: БК на ATmega168
СообщениеДобавлено: 13 Feb 2012, 12:28 
Не в сети
Бывалый
Бывалый
Аватар пользователя

Зарегистрирован: 23 Apr 2007, 23:43
Сообщений: 389
Откуда: Москва
Поблагодарил: раз(а)
Поблагодарили: раз(а)
Медали: 1
За инновации (1)
Вскрыл двухпроводный забитый грязью кулер 7х7 , там оказался трехногий ДХ.


Вернуться наверх
 Профиль  
 
 Заголовок сообщения: Re: БК на ATmega168
СообщениеДобавлено: 14 Feb 2012, 20:27 
Не в сети
Гуру ремонта
Гуру ремонта
Аватар пользователя

Зарегистрирован: 20 Mar 2009, 23:12
Сообщений: 19841
Откуда: Бронницы
Поблагодарил: раз(а)
Поблагодарили: раз(а)
Медали: 4
За полезные и полные ответы. (1) За тех. помощь 1-й степени (1) За тех. помощь 2-й степени (1) За вклад в развитие клуба (1)
Скутер: Irbis Nirvana 150 уже 175сс
Стаж: Мото 21,скутер 4года
Сегодня разобрал списанные вентиляторы.
14 четырёхногих переключателя.
3 датчика Холла.
Прогресс идёт вперёд, раньше ставили только ДХ.

_________________
Попытка прочесть книгу, не открыв её - обречена на провал.


Вернуться наверх
 Профиль  
 
 Заголовок сообщения: Re: БК на ATmega168
СообщениеДобавлено: 15 Feb 2012, 06:49 
Не в сети
Старожил
Старожил
Аватар пользователя

Зарегистрирован: 03 Sep 2007, 10:32
Сообщений: 1777
Откуда: Чувашия
Поблагодарил: раз(а)
Поблагодарили: раз(а)
Медали: 4
За тех. помощь 1-й степени (1) За тех. помощь 2-й степени (1) За вклад в развитие клуба (1) За инновации (1)
Скутер: KYMCO People S50 & XCiting 500
Стаж: 10
Ещё есть забавная вещица: датчик скорости от Калины.
Изображение
Проблема в том что гайка великовата. Наверное можно какой-нибудь вкладыш изготовить чтобы накрутить его на привод спидометра вместо тросика.
Цитата:
1118-3843010 формирует 32 импульса за один оборот ротора и затем делит их встроенным делителем в соотношении 3 : 1 и предназначен для установки на автомобили ВАЗ 1117, 1118, 1119 (семейство «Калина).


Вернуться наверх
 Профиль  
 
 Заголовок сообщения: Re: БК на ATmega168
СообщениеДобавлено: 15 Feb 2012, 09:39 
Не в сети
Бывалый
Бывалый
Аватар пользователя

Зарегистрирован: 23 Apr 2007, 23:43
Сообщений: 389
Откуда: Москва
Поблагодарил: раз(а)
Поблагодарили: раз(а)
Медали: 1
За инновации (1)
Хороший приборчик!
Я бы всеж его в приборку бы ставил. На ось прибора шестеренку(разломать касетный плеер, дисковод... ) и эту шестеренку зубья в зубья к первой шестеренке в спидометре. так и стрелочный останется и электронный появится.


Проверил два ДХ, тот что описывал на 6 стр. и тот что вытащил из куллера.
Оба могут работать от 5v и на выходе у них тоже соответственно минус 5v, но есть и различия. Тот что на 6 стр. предпочтительнее, при поднесении магнита на сиганальном проводе появляется земля, если убрать магнит земля пропадает.
У куллерного земля остается даже если убрать магнит, а чтобы снять землю нужно поднести магнит обратной стороной...и т.д.

Короче лучше купить за 60руб нормальный ДХ.


Вернуться наверх
 Профиль  
 
 Заголовок сообщения: Re: БК на ATmega168
СообщениеДобавлено: 15 Feb 2012, 17:27 
Не в сети
Посетитель
Посетитель

Зарегистрирован: 28 Mar 2009, 12:48
Сообщений: 137
Поблагодарил: раз(а)
Поблагодарили: раз(а)
Скутер: Storm L
Стаж: 5лет
igVVV писал(а):
Хороший приборчик!


Короче лучше купить за 60руб нормальный ДХ.

В чип-нн интернет магазине видел? Я вот там кучу деталей заказал,вот жду,кстати и датчик Холла в том числе.


Вернуться наверх
 Профиль  
 
 Заголовок сообщения: Re: БК на ATmega168
СообщениеДобавлено: 15 Feb 2012, 18:26 
Не в сети
Бывалый
Бывалый
Аватар пользователя

Зарегистрирован: 23 Apr 2007, 23:43
Сообщений: 389
Откуда: Москва
Поблагодарил: раз(а)
Поблагодарили: раз(а)
Медали: 1
За инновации (1)
Не видел!
Если ты заказал SS495A а других там нет, то работать то он будет, но тот что купил я оказался для наших целей просто идеальным!!!
У твоего линейное повышение напряжения будет от магнитного потока ИМХО
В моем случае S441A там либо земля либо ничего... фактически цифра.
Для МК это предпочтительнее.

И еще если заказывал экран(можно и другого колличества символов...16х2, 20х2, 8х2, 10х1...)!!! то он должен быть аналогичен управлениюHD44780 от фирмы HITACHI. Иначе работать не будет.


Вернуться наверх
 Профиль  
 
 Заголовок сообщения: Re: БК на ATmega168
СообщениеДобавлено: 15 Feb 2012, 20:55 
Не в сети
Посетитель
Посетитель

Зарегистрирован: 28 Mar 2009, 12:48
Сообщений: 137
Поблагодарил: раз(а)
Поблагодарили: раз(а)
Скутер: Storm L
Стаж: 5лет
Да заказал SS495A,других действительно нету. У меня давно еще куплен экран 8*2,надо кстати посмотреть совместим ли он будет. А так заказал сегментные индикаторы.
Не знаю не знаю,как насчет привода спидометра,попробую на Холле потестить,а так в перспективе думаю на оптическом.


Вернуться наверх
 Профиль  
 
 Заголовок сообщения: Re: БК на ATmega168
СообщениеДобавлено: 15 Feb 2012, 21:20 
Не в сети
Бывалый
Бывалый
Аватар пользователя

Зарегистрирован: 23 Apr 2007, 23:43
Сообщений: 389
Откуда: Москва
Поблагодарил: раз(а)
Поблагодарили: раз(а)
Медали: 1
За инновации (1)
Сегментники на солнце плохо очень видны!!! Тогда надо будет еще управление яркостью свечения сегментников делать(в темноте будет очень ярко) и лучше если она будет автоматическая.
Сложно это все! Проще знакогенерирующий экран подобрать!


Вернуться наверх
 Профиль  
 
 Заголовок сообщения: Re: БК на ATmega168
СообщениеДобавлено: 15 Feb 2012, 21:39 
Не в сети
Посетитель
Посетитель

Зарегистрирован: 28 Mar 2009, 12:48
Сообщений: 137
Поблагодарил: раз(а)
Поблагодарили: раз(а)
Скутер: Storm L
Стаж: 5лет
igVVV писал(а):
Сложно это все! Проще знакогенерирующий экран подобрать!

Согласен с тобой,но было б места много куда ставить,а так все ограничено.


Вернуться наверх
 Профиль  
 
 Заголовок сообщения: Re: БК на ATmega168
СообщениеДобавлено: 15 Feb 2012, 21:55 
Не в сети
Бывалый
Бывалый
Аватар пользователя

Зарегистрирован: 23 Apr 2007, 23:43
Сообщений: 389
Откуда: Москва
Поблагодарил: раз(а)
Поблагодарили: раз(а)
Медали: 1
За инновации (1)
Да самый геморрой был с экраном(местом под него), пришлось подрезать плату(и приборку) на которой он сидит и переносить тонкой проволокой срезанные дорожки, переносил их еще на одну плату напаянную ниже, а уже в ней сделал крепежные отверстия, так как старые пришлось срезать!!!
Вообщем тут надо выбирать, что проще или лучше или вобще возможно ли!!!


Добавлю.
@nton не знаю пришел к тебе ответ в л.с. или нет. У меня в исходящих ответ повис.

Отвечу и тут (по теме ведь)!!!
С калибровкой термо датчиков все просто. DS18B20 калибровки не требует, он сразу по 1-й шине передает правильную температуру.
В итоге остается для аналогового датчика посчитать-подобрать в прошивке множитель(чтоб показал туже температуру в комнате что и цифровой) и вуаля аналоговый откалиброван, а так как он линейный, то на протяжении его заявленного рабочего интервала, он должен показывать температуру верно. Проверяем феном и учитываем то что иннерционность этих датчиков разная...пускай сравняются значения и подождать. Можно проверить и холодильником.


Вернуться наверх
 Профиль  
 
 Заголовок сообщения: Re: БК на ATmega168
СообщениеДобавлено: 21 Feb 2012, 21:26 
Не в сети
Интересующийся
Интересующийся

Зарегистрирован: 30 Jan 2012, 14:11
Сообщений: 16
Поблагодарил: раз(а)
Поблагодарили: раз(а)
Скутер: Нету
Оваивая ардуино,натыкаюсь в сети на множество всяких проектов,причем некотрые можно отлаживать сразу подключая к платформе. Наткнулся на тему про спидометр на Atmega8(да и тут смотрю обсуждалось)...в общем советуют ставить в основном оптопару. А вот цитирую ответ одного пользователя который отвечал на вопрос, как прикрутить оптопару к Atmega.

"USB не может опрашивать мышь чаще чем 1000 раз в секунду. При скорости 0,003км/ч этого хватает А на скорости 60км час там хренотень какая та выйдет. Это же за секунду целых 16 метров. То есть между двумя соседними запросами датчик проедет 1,6 см. Разумеется ничего дельного он не передаст о скорости.".
Вот и оптопару похоже стали отвергать.
Тут же в теме и кто-то говорил именно из мышки вытянуть ее.
Что ж тогда ик-светодиод использовать,или датчик Холла.
http://eldigi.ru/site/avto/8.php тут вот ставили видно датчик Хола...а код выложить не хотят...как считывать то импульсы(как это описать все)


Вернуться наверх
 Профиль  
 
Показать сообщения за:  Сортировать по:  
Начать новую тему Ответить на тему  [ Сообщений: 189 ]  На страницу Пред.  1 ... 4, 5, 6, 7, 8, 9, 10 ... 13  След.

Часовой пояс: UTC + 3 часа


Кто сейчас на форуме

Сейчас этот форум просматривают: нет зарегистрированных пользователей и гости: 0


Вы не можете начинать темы
Вы не можете отвечать на сообщения
Вы не можете редактировать свои сообщения
Вы не можете удалять свои сообщения
Вы не можете добавлять вложения

Перейти:  
Powered by phpBB © phpBB Group
china-scooter.ru © 2006-2019