Клуб любителей китайских скутеров

Форум клуба любителей китайских скутеров

      
Текущее время: 22 Mar 2026, 06:16

Часовой пояс: UTC + 3 часа


Правила форума


Посмотреть правила форума



Начать новую тему Ответить на тему  [ Сообщений: 15 ] 
Автор Сообщение
 Заголовок сообщения: подключение вазоприборов ... + вопрос по светодиодам...
СообщениеДобавлено: 16 Mar 2013, 13:45 
Не в сети
Посетитель
Посетитель
Аватар пользователя

Зарегистрирован: 23 Sep 2011, 13:57
Сообщений: 117
Откуда: мос. обл. г.Красногорск (рядом метро тушино)
Поблагодарил: раз(а)
Поблагодарили: раз(а)
Скутер: Qingui 125 cc ( 150cc)
Стаж: 10 лет
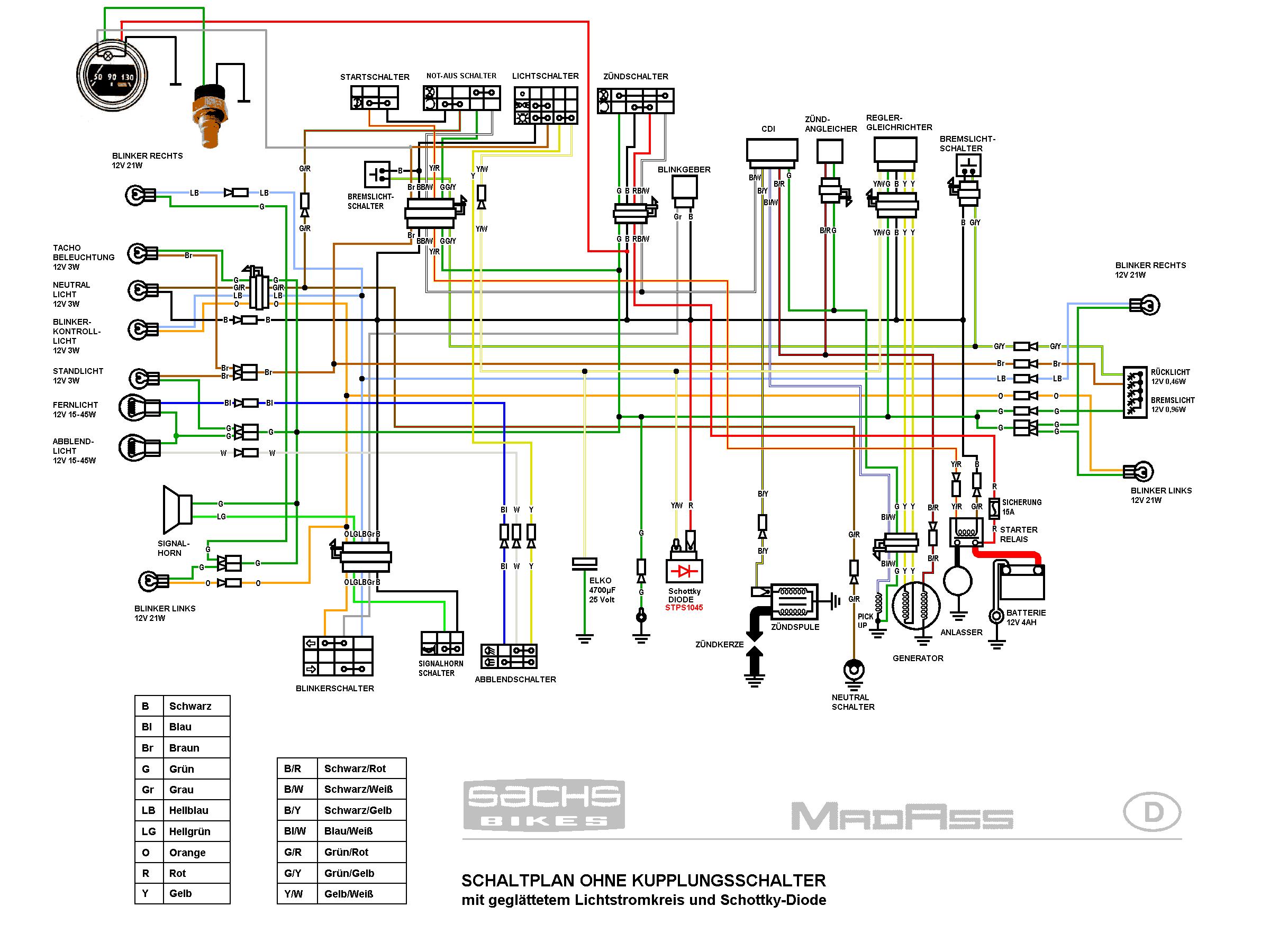
Скутер qingqi 125 куб , надо подключить "показыватель" температуры -
вот схему нашёл

уточнить хочу -

http://china-scooter.ru/forum/download/ ... &mode=view

тут вроде как к проводу + на замке зажигания питаться надо ?


пару вопросов-

ещё есть амперметр . чтоб его подключить надо разрезать провод + (тонкий, красный который с предохранителем на акум идёт рядом с толстым красным) - ТАК?
тонкий красный провод - предохранитель - амперметр - тонкий красный провод так?



вопрос ещё такой вроде как на фару и вообще на лампочки идёт переменный ток (или это только на 50куб так) ? если переменный то как живётся на таком токе светодиодам - мерцают ( это укарачивает им жизнь)?

_________________
:-P


Вернуться наверх
 Профиль  
 
 Заголовок сообщения: Re: подключение вазоприборов ... + вопрос по светодиодам...
СообщениеДобавлено: 16 Mar 2013, 15:52 
Не в сети
Бывалый
Бывалый
Аватар пользователя

Зарегистрирован: 11 Apr 2012, 22:00
Сообщений: 250
Откуда: Нижний Новгород
Поблагодарил: раз(а)
Поблагодарили: раз(а)
Скутер: Stels Outlander+Tiguan
Стаж: 5
Диодам пофик,мерцать будут....но у тебя постоянный ток!
про амперметр-правильно написал :)

_________________
Летаю на параплане с мотором.Кто хочет летать,пишите в личку!


Вернуться наверх
 Профиль  
 
 Заголовок сообщения: Re: подключение вазоприборов ... + вопрос по светодиодам...
СообщениеДобавлено: 16 Mar 2013, 19:27 
Не в сети
Гуру ремонта
Гуру ремонта
Аватар пользователя

Зарегистрирован: 20 Mar 2009, 23:12
Сообщений: 19841
Откуда: Бронницы
Поблагодарил: раз(а)
Поблагодарили: раз(а)
Медали: 4
За полезные и полные ответы. (1) За тех. помощь 1-й степени (1) За тех. помощь 2-й степени (1) За вклад в развитие клуба (1)
Скутер: Irbis Nirvana 150 уже 175сс
Стаж: Мото 21,скутер 4года
kaluckihMax писал(а):
ещё есть амперметр

Выкинь его на хрен.
У тебя не ЗУ, а скутер.
Лучше вольтметр поставь.

_________________
Попытка прочесть книгу, не открыв её - обречена на провал.


Вернуться наверх
 Профиль  
 
 Заголовок сообщения: Re: подключение вазоприборов ... + вопрос по светодиодам...
СообщениеДобавлено: 16 Mar 2013, 19:58 
Не в сети
Посетитель
Посетитель
Аватар пользователя

Зарегистрирован: 23 Sep 2011, 13:57
Сообщений: 117
Откуда: мос. обл. г.Красногорск (рядом метро тушино)
Поблагодарил: раз(а)
Поблагодарили: раз(а)
Скутер: Qingui 125 cc ( 150cc)
Стаж: 10 лет
постоянка ? есть сомнение... оч старый скутер

в скутермаге продают статор
http://scootermag.ru/product/818/
на нём 11 обмоток...
на моём 8 обмоток и между магнитом и статором мизинец пролазит ...

_________________
:-P


Вернуться наверх
 Профиль  
 
 Заголовок сообщения: Re: подключение вазоприборов ... + вопрос по светодиодам...
СообщениеДобавлено: 16 Mar 2013, 20:38 
8 обмоток да зато и провод на катушках втрое толще чем на 11катушечном.Если генератор рабочий,то нет смысла менять.Если мощи надо больше,то ни на колличество обмоток надо глядеть,а на колличество пластин сердечника-чем толще сердечник,тем больше мощи выдаёт,чем толще провод обмотки,тем выше напруга-как то так.
насчет палец пролазиет-это какой конкретно там зазор в миллиметрах?Где то миллиметров три-четыре примерно зазор должен быть-точно не мерил если честно.
Если статор менять придётся,то можно и трёхфазник поставить,но и регулятор тогда тоже надо будет трёхфазный.


Вернуться наверх
  
 
 Заголовок сообщения: Re: подключение вазоприборов ... + вопрос по светодиодам...
СообщениеДобавлено: 16 Mar 2013, 21:12 
Не в сети
Посетитель
Посетитель
Аватар пользователя

Зарегистрирован: 23 Sep 2011, 13:57
Сообщений: 117
Откуда: мос. обл. г.Красногорск (рядом метро тушино)
Поблагодарил: раз(а)
Поблагодарили: раз(а)
Скутер: Qingui 125 cc ( 150cc)
Стаж: 10 лет
датчик подключил, 0 градусов на улице , 30 мин гонял - 60 градусов больше не греется ...

Цитата:
насчет палец пролазиет-это какой конкретно там зазор в миллиметрах


давай сфоткаю генратор завтра ?

_________________
:-P


Вернуться наверх
 Профиль  
 
 Заголовок сообщения: Re: подключение вазоприборов ... + вопрос по светодиодам...
СообщениеДобавлено: 16 Mar 2013, 21:15 
Не в сети
Старожил
Старожил
Аватар пользователя

Зарегистрирован: 24 Aug 2011, 03:31
Сообщений: 3804
Откуда: Гагарин - родина Ю.А.Гагарина
Поблагодарил: раз(а)
Поблагодарили: раз(а)
Медали: 3
За дальнобой 2-й степени. (1) За тех. помощь 1-й степени (1) За тех. помощь 2-й степени (1)
Скутер: Большой красный.
Стаж: с детства
borov писал(а):
чем толще провод обмотки,тем выше напруга

Напряжение от толщины провода не зависит. Как-то так.

_________________
Изображение


Вернуться наверх
 Профиль  
 
 Заголовок сообщения: Re: подключение вазоприборов ... + вопрос по светодиодам...
СообщениеДобавлено: 16 Mar 2013, 21:19 
Не в сети
Опытный
Опытный

Зарегистрирован: 25 Dec 2012, 12:27
Сообщений: 582
Откуда: Белореченск, Краснодарский край
Поблагодарил: раз(а)
Поблагодарили: раз(а)
Скутер: Атлант-мото YH150T-B 157QMJ
Стаж: 34
kaluckihMax писал(а):
датчик подключил, 0 градусов на улице , 30 мин гонял - 60 градусов больше не греется ...

Цитата:
насчет палец пролазиет-это какой конкретно там зазор в миллиметрах


давай сфоткаю генратор завтра ?

Если можно, то положи рядом с зазором линейку .

_________________
Рига-7, Верховина-4, Верховина-5, Минск-М-106, Ява-250, Ява-350, Ява-634, Иж-Юк-5..... и два кетайцца..что дальше?
Я своё мнение никому не навязываю.


Вернуться наверх
 Профиль  
 
 Заголовок сообщения: Re: подключение вазоприборов ... + вопрос по светодиодам...
СообщениеДобавлено: 16 Mar 2013, 23:38 
Не в сети
Старожил
Старожил
Аватар пользователя

Зарегистрирован: 15 Jul 2010, 17:17
Сообщений: 1051
Откуда: Прохладный КБР
Поблагодарил: раз(а)
Поблагодарили: раз(а)
Медали: 1
За тех. помощь 2-й степени (1)
Скутер: TACHILLA WIND 4-T 139QMB OMAX 50(72) QT
Стаж: 8
Напряжение зависит от количества витков, а от толщины провода максимальный ток который выдержит генератор ( это не значит выдаст) .


Последний раз редактировалось Glucky73 16 Mar 2013, 23:39, всего редактировалось 1 раз.

Вернуться наверх
 Профиль  
 
 Заголовок сообщения: Re: подключение вазоприборов ... + вопрос по светодиодам...
СообщениеДобавлено: 16 Mar 2013, 23:38 
Drobilchik писал(а):
kaluckihMax писал(а):
датчик подключил, 0 градусов на улице , 30 мин гонял - 60 градусов больше не греется ...

Цитата:
насчет палец пролазиет-это какой конкретно там зазор в миллиметрах


давай сфоткаю генратор завтра ?

Если можно, то положи рядом с зазором линейку .

+1.с линейкой хорошая идея.
А почему ты про генератор толковать начал?Что озадачивает?
Сейчас масло не реально больше 60 нагреть-на улице прохладно и дорога сырая.Но показатель в любом случае хороший.


Вернуться наверх
  
 
 Заголовок сообщения: Re: подключение вазоприборов ... + вопрос по светодиодам...
СообщениеДобавлено: 16 Mar 2013, 23:41 
aser писал(а):
borov писал(а):
чем толще провод обмотки,тем выше напруга

Напряжение от толщины провода не зависит. Как-то так.

опосредованно


Последний раз редактировалось borov 17 Mar 2013, 02:54, всего редактировалось 1 раз.

Вернуться наверх
  
 
 Заголовок сообщения: Re: подключение вазоприборов ... + вопрос по светодиодам...
СообщениеДобавлено: 17 Mar 2013, 02:47 
Не в сети
Посетитель
Посетитель
Аватар пользователя

Зарегистрирован: 23 Sep 2011, 13:57
Сообщений: 117
Откуда: мос. обл. г.Красногорск (рядом метро тушино)
Поблагодарил: раз(а)
Поблагодарили: раз(а)
Скутер: Qingui 125 cc ( 150cc)
Стаж: 10 лет
Цитата:
А почему ты про генератор толковать начал?



ды вот смотрю я на другие движки и вроде у меня 152й а генератор ну не как у всех какбээ неродной ... статор выглядывает на половину , и он меньше положенных размеров ...

_________________
:-P


Вернуться наверх
 Профиль  
 
 Заголовок сообщения: Re: подключение вазоприборов ... + вопрос по светодиодам...
СообщениеДобавлено: 17 Mar 2013, 02:55 
прошлый хозяин мог что угодно воткнуть


Вернуться наверх
  
 
 Заголовок сообщения: Re: подключение вазоприборов ... + вопрос по светодиодам...
СообщениеДобавлено: 21 Mar 2013, 23:49 
Не в сети
Старожил
Старожил
Аватар пользователя

Зарегистрирован: 03 Oct 2008, 22:46
Сообщений: 8023
Откуда: Киев
Поблагодарил: раз(а)
Поблагодарили: раз(а)
Медали: 4
За тех. помощь 1-й степени (1) За тех. помощь 2-й степени (1) За статью 1-й степени. (1) За вклад в развитие клуба (1)
Скутер: 180-т4 и 150-Т4;
Стаж: 30
В ДД день открытых дверей :
Цитата:
чем толще провод обмотки,тем выше напруга

Цитата:
Напряжение от толщины провода не зависит. Как-то так.

Цитата:
Напряжение зависит от количества витков, а от толщины провода максимальный ток который выдержит генератор ( это не значит выдаст) .


Вообще то тема обсуждалась не раз. Главное понятие - максимальная мощность. Это ватты. Это произведение тока и напряжения. Определяется оно магнитным потоком. Основную роль играет железо статора. Насытились, больше не сделаем.
Вот под него и расчитывают количество витков и толщину провода.
Практически это расчет трансформаторного ряда (частота то плавает) с выбором среднего по какому либо критерию.

_________________
Теория,-все знают как, ничего не работает
Практика,-все работает, никто не знает почему
Соединяем,-"Теория+Практика",-Ничего не работает и никто не знает, почему.


Вернуться наверх
 Профиль  
 
 Заголовок сообщения: Re: подключение вазоприборов ... + вопрос по светодиодам...
СообщениеДобавлено: 15 Jun 2017, 09:27 
Не в сети
Интересующийся
Интересующийся
Аватар пользователя

Зарегистрирован: 06 Jun 2006, 15:06
Сообщений: 14
Откуда: Stavropol
Поблагодарил: раз(а)
Поблагодарили: раз(а)
Скутер: Honling QT-8
Стаж: 11
Просто оставлю ссылки на дружественный форум со своими поделками, конкретно на Хонлинг QT-8...
1. Замена двухнитевых ламп на светодиодки, https://bikepost.ru/blog/62707/Deti-kuk ... tvija.html , методика изготовления в каментах.
2. Применение светодиодной ленты на скутере, https://bikepost.ru/blog/63754/Svetodio ... kuter.html
3. Ну и вазовский температурный датчик, https://bikepost.ru/blog/63764/Izmerjae ... atele.html
А, ну и вдогонку тапочный обзор, как оно всё светится вечером, https://bikepost.ru/blog/63666/Nemnogo- ... ezdom.html
Всем добра.


Вернуться наверх
 Профиль  
 
Показать сообщения за:  Сортировать по:  
Начать новую тему Ответить на тему  [ Сообщений: 15 ] 

Часовой пояс: UTC + 3 часа


Кто сейчас на форуме

Сейчас этот форум просматривают: нет зарегистрированных пользователей и гости: 3


Вы не можете начинать темы
Вы не можете отвечать на сообщения
Вы не можете редактировать свои сообщения
Вы не можете удалять свои сообщения
Вы не можете добавлять вложения

Перейти:  
cron
Powered by phpBB © phpBB Group
china-scooter.ru © 2006-2019