Клуб любителей китайских скутеров

Форум клуба любителей китайских скутеров

      
Текущее время: 03 Feb 2026, 04:41

Часовой пояс: UTC + 3 часа


Правила форума


Правила форума

Если ваш вопрос касается неисправности вашего скутера, или у вас возникли затруднения с эксплуатацией, или тюнингом, предварительно укажите:
Модель и производителя скутера;
Модель двигателя;
Тактность двигателя и предположительный объём.
После этого, излагайте суть проблемы.
Не забывайте, название поста должно как можно ближе отражать суть проблемы.



Начать новую тему Ответить на тему  [ Сообщений: 144 ]  На страницу Пред.  1 ... 6, 7, 8, 9, 10  След.
Автор Сообщение
 Заголовок сообщения: Re: Назначение air cut-off valve, нафига он?
СообщениеДобавлено: 07 Oct 2013, 16:39 
Не в сети
Старожил
Старожил
Аватар пользователя

Зарегистрирован: 20 Apr 2007, 21:20
Сообщений: 2828
Откуда: Германия
Поблагодарил: раз(а)
Поблагодарили: раз(а)
Скутер: 139QMB
Стаж: 7
shirsh78 писал(а):
Данный клапан работает только когда происходит торможение двигателем! *DRINK*



Положение, торможением двигателем. Уходим на повышенных боротах с газа.
-Сильный вакуум над мембраной из канала 1 преодолевает усилие пружины.
-Клапан окрывает атмосферу от 2 под мембраной золотникак 3 над эмульсионной трубкой ХХ (холостого хода)
-ХХ при торможении двигателем отключен, иначе в коллекторе на промежутке торможением двигателем накапливался бы бензин.
В какойто момент (2000 оборотов), разрежение в колеторе падает клапан перекрывает атмосферу, ХХ начинают опять работать.

Вот мои рассуждения.

_________________
Продумано не сказано!
Сказано не услышано!
Услышано не понято!
Понято не принято!
Принято не сделано!
Сделано не законченно!


Последний раз редактировалось конти 07 Oct 2013, 22:46, всего редактировалось 1 раз.

Вернуться наверх
 Профиль  
 
 Заголовок сообщения: Re: Назначение air cut-off valve, нафига он?
СообщениеДобавлено: 07 Oct 2013, 17:34 
Не в сети
Старожил
Старожил

Зарегистрирован: 08 Jul 2009, 18:07
Сообщений: 3187
Откуда: Беларусь
Поблагодарил: раз(а)
Поблагодарили: раз(а)
Медали: 4
За полезные и полные ответы. (1) За тех. помощь 1-й степени (1) За тех. помощь 2-й степени (1) За вклад в развитие клуба (1)
Скутер: Hors 154\ 157QMJ\RC125T-9X\152QMJ
конти писал(а):
Положение, торможением двигателем. Уходим на повышенных боротах с газа.
-Сильный вакуум над мембраной из канала 1 преодолевает усилие пружины.
-Клапан окрывает атмосферу от 2 под мембраной золотникак 3 над эмульсионной трубкой ХХ (холостого хода)

Изображение
И что он открывает?

_________________
„Изучай правила, чтобы знать, как правильно их нарушить.“
„Мир несовершенен, поскольку мы несовершенны.“


Вернуться наверх
 Профиль  
 
 Заголовок сообщения: Re: Назначение air cut-off valve, нафига он?
СообщениеДобавлено: 07 Oct 2013, 18:21 
Не в сети
Старожил
Старожил
Аватар пользователя

Зарегистрирован: 20 Apr 2007, 21:20
Сообщений: 2828
Откуда: Германия
Поблагодарил: раз(а)
Поблагодарили: раз(а)
Скутер: 139QMB
Стаж: 7
Второй вариант.

Факт что клапан соединён с коллектором и реагирует на высокий вакуум.
Факт что клапан подаёт атмосферное давление, скорее всего к pilot jet.
В обычном состоянии клапан открыт и подаёт воздух к pilot jet, pilot jet таким образом отключен.
В момент высокого вакуума, клапан закрывает подачу воздуха к pilot jet, pilot jet таким образом включается.
Pilot jet подаёт немного топлива за заслонкой через 4 маленькие дырочки с низу под заслонкой предотвращая таким образом переобеднение топлива и хлопки в выхлопной трубе. Бедная не сгоревшая смесь с ДВС, догорает хлопая в глушителе.

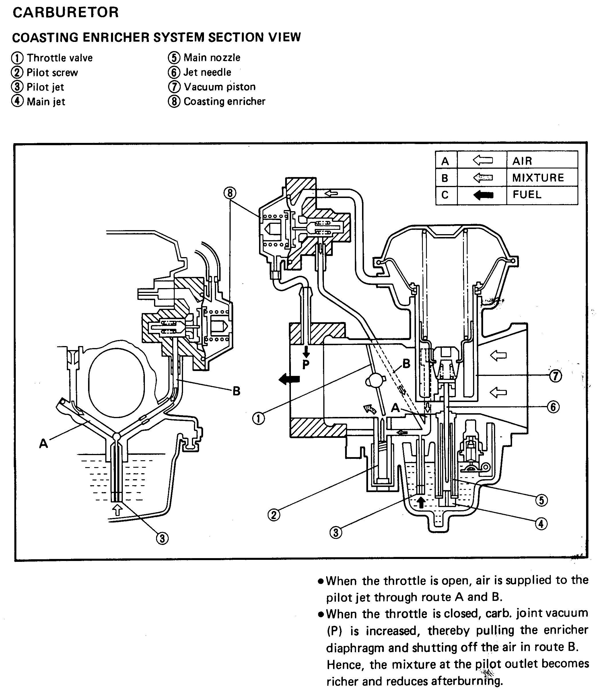
http://www.gadgetjq.com/keihin_carb.htm

Изображение
Изображение
Изображение
Изображение

_________________
Продумано не сказано!
Сказано не услышано!
Услышано не понято!
Понято не принято!
Принято не сделано!
Сделано не законченно!


Последний раз редактировалось конти 07 Oct 2013, 20:37, всего редактировалось 5 раз(а).

Вернуться наверх
 Профиль  
 
 Заголовок сообщения: Re: Назначение air cut-off valve, нафига он?
СообщениеДобавлено: 07 Oct 2013, 19:14 
Не в сети
Посетитель
Посетитель

Зарегистрирован: 11 Sep 2013, 09:22
Сообщений: 125
Откуда: Саратов
Поблагодарил: раз(а)
Поблагодарили: раз(а)
Скутер: KINETIK
Стаж: 8
Если вы считаете что клапан отсекает подачу топлива, это легко проверяется!
Спускаясь с горки бросаем газ, происходит торможение двигателем, теперь отключаем зажигание, торможение осталось неизменным (тогда да, смесь не поступала) стало значительно сильнее (тогда смесь поступала)


Вернуться наверх
 Профиль  
 
 Заголовок сообщения: Re: Назначение air cut-off valve, нафига он?
СообщениеДобавлено: 07 Oct 2013, 19:46 
Не в сети
Гуру ремонта
Гуру ремонта
Аватар пользователя

Зарегистрирован: 20 Mar 2009, 23:12
Сообщений: 19841
Откуда: Бронницы
Поблагодарил: раз(а)
Поблагодарили: раз(а)
Медали: 4
За полезные и полные ответы. (1) За тех. помощь 1-й степени (1) За тех. помощь 2-й степени (1) За вклад в развитие клуба (1)
Скутер: Irbis Nirvana 150 уже 175сс
Стаж: Мото 21,скутер 4года
конти писал(а):
Факт что клапан соединён с коллектором и реагирует на высокий вакуум.

В атмосферах это сколько?
Одна, две, три?

_________________
Попытка прочесть книгу, не открыв её - обречена на провал.


Вернуться наверх
 Профиль  
 
 Заголовок сообщения: Re: Назначение air cut-off valve, нафига он?
СообщениеДобавлено: 07 Oct 2013, 20:06 
Не в сети
Старожил
Старожил
Аватар пользователя

Зарегистрирован: 20 Apr 2007, 21:20
Сообщений: 2828
Откуда: Германия
Поблагодарил: раз(а)
Поблагодарили: раз(а)
Скутер: 139QMB
Стаж: 7
конти писал(а):
Второй вариант.

Факт что клапан соединён с коллектором и реагирует на высокий вакуум.
Факт что клапан подаёт атмосферное давление, скорее всего к pilot jet.
В обычном состоянии клапан открыт и подаёт воздух к pilot jet, pilot jet таким образом оключен.
В момент высокого вакуума, клапан закрывает подачу воздуха к pilot jet, pilot jet таким образом включается.
Pilot jet подаёт немного топлива за заслонкой через 4 маленькие дырочки с низу под заслонкой предотвращая таким образом переобеднение топлива и хлопки в выхлопной трубе. Бедная не сгоревшая смесь в ДВС догорает хлопая в глушителе.


http://www.gadgetjq.com/keihin_carb.htm

Изображение
Изображение
Изображение
Изображение


Окрытый клапан в нормальном положении отключает систему обогащения pilot jet.
Закрытие клапана при высоком вакууме активирует систему обогащения, через pilot jet.
Вложение:
cut off.JPG
cut off.JPG [ 79.04 KiB | Просмотров: 4562 ]

Вложение:
cut off 2.JPG
cut off 2.JPG [ 81.53 KiB | Просмотров: 4562 ]


Оригиналы

Вложение:
Hitachi_carb.jpg
Hitachi_carb.jpg [ 285.13 KiB | Просмотров: 4559 ]

Вложение:
Hitachi_carb_2.jpg
Hitachi_carb_2.jpg [ 619.23 KiB | Просмотров: 4559 ]

Вложение:
Mikuni_carb.jpg
Mikuni_carb.jpg [ 678.29 KiB | Просмотров: 4559 ]

_________________
Продумано не сказано!
Сказано не услышано!
Услышано не понято!
Понято не принято!
Принято не сделано!
Сделано не законченно!


Вернуться наверх
 Профиль  
 
 Заголовок сообщения: Re: Назначение air cut-off valve, нафига он?
СообщениеДобавлено: 07 Oct 2013, 20:48 
Не в сети
Старожил
Старожил
Аватар пользователя

Зарегистрирован: 20 Apr 2007, 21:20
Сообщений: 2828
Откуда: Германия
Поблагодарил: раз(а)
Поблагодарили: раз(а)
Скутер: 139QMB
Стаж: 7
GRO писал(а):
конти писал(а):
Факт что клапан соединён с коллектором и реагирует на высокий вакуум.

В атмосферах это сколько?
Одна, две, три?


Нет абсолютный вакуум может быть только -1 атм
Атм измеряется от атмосферного давления.
2 Атм например в накаченной шине превышает атмосферное давление в двое, получается 3 объёма воздуха в одном.
Вакуумная шкала двигается от 0 к -900 мАтм.

_________________
Продумано не сказано!
Сказано не услышано!
Услышано не понято!
Понято не принято!
Принято не сделано!
Сделано не законченно!


Вернуться наверх
 Профиль  
 
 Заголовок сообщения: Re: Назначение air cut-off valve, нафига он?
СообщениеДобавлено: 07 Oct 2013, 23:45 
Не в сети
Гуру ремонта
Гуру ремонта
Аватар пользователя

Зарегистрирован: 20 Mar 2009, 23:12
Сообщений: 19841
Откуда: Бронницы
Поблагодарил: раз(а)
Поблагодарили: раз(а)
Медали: 4
За полезные и полные ответы. (1) За тех. помощь 1-й степени (1) За тех. помощь 2-й степени (1) За вклад в развитие клуба (1)
Скутер: Irbis Nirvana 150 уже 175сс
Стаж: Мото 21,скутер 4года
Ну так в чём смысл фразы о высоком вакууме?
Реально каково там разряжение срабатывания?
Я не верю, что клапан закрыт только когда идёт режим принудительного холостого хода, при торможении двигателем.

_________________
Попытка прочесть книгу, не открыв её - обречена на провал.


Вернуться наверх
 Профиль  
 
 Заголовок сообщения: Re: Назначение air cut-off valve, нафига он?
СообщениеДобавлено: 08 Oct 2013, 00:08 
Не в сети
Старожил
Старожил
Аватар пользователя

Зарегистрирован: 20 Apr 2007, 21:20
Сообщений: 2828
Откуда: Германия
Поблагодарил: раз(а)
Поблагодарили: раз(а)
Скутер: 139QMB
Стаж: 7
GRO

Нет, клапан открывает дополнительный канал подачи топлива после закрытия заслонки.
Система pilot jet работает от закрытой заслонки до 1/4 её открытия, потом её обрубает cut off valve, открывая атмосферу над жиклёром.
Изображение
Мы знаем что над бензином тоже атмосферное давление, атмосферное давление над жиклёром pilot jet уравнивает давление, бензин перестаёт поступать.

Да под высоким вакуумом я подразумевал сильное разрежение.

Если подумать дальше система pilot jet, на карбюраторах декни полностью заменяет ускорительный насос.

_________________
Продумано не сказано!
Сказано не услышано!
Услышано не понято!
Понято не принято!
Принято не сделано!
Сделано не законченно!


Вернуться наверх
 Профиль  
 
 Заголовок сообщения: Re: Назначение air cut-off valve, нафига он?
СообщениеДобавлено: 08 Oct 2013, 00:28 
Не в сети
Старожил
Старожил

Зарегистрирован: 08 Jul 2009, 18:07
Сообщений: 3187
Откуда: Беларусь
Поблагодарил: раз(а)
Поблагодарили: раз(а)
Медали: 4
За полезные и полные ответы. (1) За тех. помощь 1-й степени (1) За тех. помощь 2-й степени (1) За вклад в развитие клуба (1)
Скутер: Hors 154\ 157QMJ\RC125T-9X\152QMJ
конти
Еще раз..., что клапан открывает?
Ты же выложил схему...., еще раз покажи, где канал подающий топливо к клапану, ибо....
Цитата:
клапан открывает дополнительный канал подачи топлива после закрытия заслонки.

_________________
„Изучай правила, чтобы знать, как правильно их нарушить.“
„Мир несовершенен, поскольку мы несовершенны.“


Вернуться наверх
 Профиль  
 
 Заголовок сообщения: Re: Назначение air cut-off valve, нафига он?
СообщениеДобавлено: 08 Oct 2013, 16:28 
Не в сети
Старожил
Старожил
Аватар пользователя

Зарегистрирован: 20 Apr 2007, 21:20
Сообщений: 2828
Откуда: Германия
Поблагодарил: раз(а)
Поблагодарили: раз(а)
Скутер: 139QMB
Стаж: 7
Hors писал(а):
конти
Еще раз..., что клапан открывает?
Ты же выложил схему...., еще раз покажи, где канал подающий топливо к клапану, ибо....
Цитата:
клапан открывает дополнительный канал подачи топлива после закрытия заслонки.


Hors.

Kлапан срабатывает от высокого разрежения в колекторе и активирует ситему pilot jet.

_________________
Продумано не сказано!
Сказано не услышано!
Услышано не понято!
Понято не принято!
Принято не сделано!
Сделано не законченно!


Вернуться наверх
 Профиль  
 
 Заголовок сообщения: Re: Назначение air cut-off valve, нафига он?
СообщениеДобавлено: 08 Oct 2013, 16:40 
Не в сети
Старожил
Старожил
Аватар пользователя

Зарегистрирован: 20 Apr 2007, 21:20
Сообщений: 2828
Откуда: Германия
Поблагодарил: раз(а)
Поблагодарили: раз(а)
Скутер: 139QMB
Стаж: 7
Ну посмотрите на чертежи.

Вложение:
cut off.JPG
cut off.JPG [ 79.04 KiB | Просмотров: 4509 ]


При слабом разрежении клапан находится в исходном положении и пропускает атмосферное давление к жиклёру.
Атмосферное давление в поплавковой камере и над жиклёром уравновешены. Жиклёр отключен.

При сильном разрежении коллектора клапан срабатывает и закрывает канал атмосферного давления над жиклёром.
Теперь воздух над жиклёром поступает через воздушный жиклёр, давления меняются, над жиклёром разрежение меньше чем в поплавковой камере.
Бензин начинает поступать в систему pilot jet.

Сильное разрежение у нас только при закрытой заслонке.

_________________
Продумано не сказано!
Сказано не услышано!
Услышано не понято!
Понято не принято!
Принято не сделано!
Сделано не законченно!


Вернуться наверх
 Профиль  
 
 Заголовок сообщения: Re: Назначение air cut-off valve, нафига он?
СообщениеДобавлено: 08 Oct 2013, 17:18 
Не в сети
Гуру ремонта
Гуру ремонта
Аватар пользователя

Зарегистрирован: 20 Mar 2009, 23:12
Сообщений: 19841
Откуда: Бронницы
Поблагодарил: раз(а)
Поблагодарили: раз(а)
Медали: 4
За полезные и полные ответы. (1) За тех. помощь 1-й степени (1) За тех. помощь 2-й степени (1) За вклад в развитие клуба (1)
Скутер: Irbis Nirvana 150 уже 175сс
Стаж: Мото 21,скутер 4года
funix писал(а):
вспомните как двигатель работает когда бензин в поплавковой заканчивается, повышает обороты, затем глохнет

Поправка, только в случае обогащённой смеси на холостом ходу.
При нормальной и обеднённой двигатель глохнет не поднимая обороты.

_________________
Попытка прочесть книгу, не открыв её - обречена на провал.


Вернуться наверх
 Профиль  
 
 Заголовок сообщения: Re: Назначение air cut-off valve, нафига он?
СообщениеДобавлено: 08 Oct 2013, 17:20 
Не в сети
Старожил
Старожил

Зарегистрирован: 08 Jul 2009, 18:07
Сообщений: 3187
Откуда: Беларусь
Поблагодарил: раз(а)
Поблагодарили: раз(а)
Медали: 4
За полезные и полные ответы. (1) За тех. помощь 1-й степени (1) За тех. помощь 2-й степени (1) За вклад в развитие клуба (1)
Скутер: Hors 154\ 157QMJ\RC125T-9X\152QMJ
main jet - главный жиклер, air - воздух, fuel - топливо.

_________________
„Изучай правила, чтобы знать, как правильно их нарушить.“
„Мир несовершенен, поскольку мы несовершенны.“


Вернуться наверх
 Профиль  
 
 Заголовок сообщения: Re: Назначение air cut-off valve, нафига он?
СообщениеДобавлено: 08 Oct 2013, 23:30 
Не в сети
Старожил
Старожил
Аватар пользователя

Зарегистрирован: 20 Apr 2007, 21:20
Сообщений: 2828
Откуда: Германия
Поблагодарил: раз(а)
Поблагодарили: раз(а)
Скутер: 139QMB
Стаж: 7
Также мне никто 6лет назад не поверил что корпус фильтра работает с резонансом.
viewtopic.php?p=27795#p27795

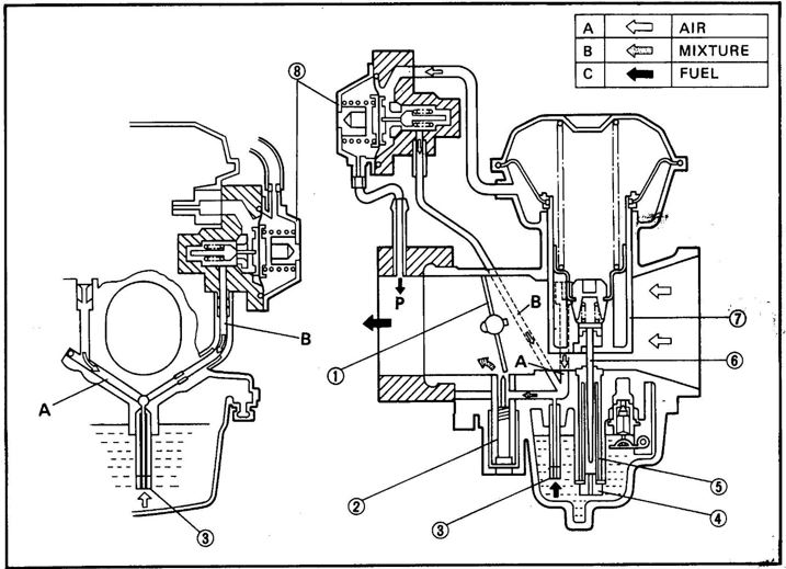
Конкретны чртежи карбов, смотрите их. Всё ясно.


Вложение:
Hitachi_carb_2.jpg
Hitachi_carb_2.jpg [ 619.23 KiB | Просмотров: 5501 ]


When the throttle is closed,carb. joint vakuum (p) is increased, thereby pulling the enricher diaphragm and shutting off the air in route b. Hence, the mixture at the pilot outlet becomes richer and reduces afterburning

Когда дроссельная заслонка закрыта, карбюратора. совместной вакуум (р) увеличивается, тем самым вытягивая обогатитель диафрагмы и перекрывания воздуха в маршрут б. Следовательно, смеси на выходе пилот становится богаче и уменьшает дожигание

Корче весь геморой, чтобы не стрелял глушитель.

_________________
Продумано не сказано!
Сказано не услышано!
Услышано не понято!
Понято не принято!
Принято не сделано!
Сделано не законченно!


Вернуться наверх
 Профиль  
 
Показать сообщения за:  Сортировать по:  
Начать новую тему Ответить на тему  [ Сообщений: 144 ]  На страницу Пред.  1 ... 6, 7, 8, 9, 10  След.

Часовой пояс: UTC + 3 часа


Кто сейчас на форуме

Сейчас этот форум просматривают: нет зарегистрированных пользователей и гости: 13


Вы не можете начинать темы
Вы не можете отвечать на сообщения
Вы не можете редактировать свои сообщения
Вы не можете удалять свои сообщения
Вы не можете добавлять вложения

Перейти:  
cron
Powered by phpBB © phpBB Group
china-scooter.ru © 2006-2019